В качестве очередной лабораторной работы
1 сварганил из гуанодеталек и картонки схемку
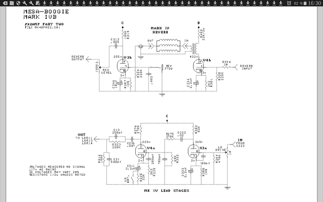
кабсима простого звукового фильтра марка4, с которого сигнал поступает на пот и гнездо "recording out" .

Добавил "лишних деталек", чтобы поиграться со значениями L и C. Подключал схемку между пп дистами и усями разного назначения, подключал в петлю гитарных. Схемка только малость убирает песок и зудосрачь( там где он имеется) , не без ущерба для яркости звука, конечно. Однако, возможно, схемка эта будет кому-то немного полезна для занятий на вечерней/ночной громкости, субьективно, мои самые оголтелые зуделки с этой схемкой несколько почище звучат. Имхо по сути это примитивный пасивный параметрический эквалайзер, в который очень трубайпас напрашивается.


2 Перекоммутировал лампу lead stages и удалил лампу reverb, теперича мой бедолага- марк4 работает без ревера, но на четырех ЕСС83s
Какого либо изменения звука и фона не замечено, но экономия одной лампы на лице !


Причина, по которой в марке4 B версии, половинки двойных триодов V3 и V4 употреблены в формате открытого свинга

остается для мну загадкой

3 Уменьшение значения анодного резика 1го каскада до 100ком имхо добавляет стекла и убавляет мути на клине - очень нравится! На перегрузе имхо добавляет зуда и яду - возможно пригодится, но не сильно нравится.Теперича думаю как грамотнее закоммутировать включение/выключение 100к/150к

4 Сравнивая mark2с и mark4b заметил, что значение разделительной емкости триода второго каскада в mark4b уменьшена наполовину. Устранил разницу . В результате констатируется имхо незначительное увеличение "тела". Возбуда, увеличения уровня шумов, не наблюдается.
На очереди эксперименты с C223, чешется проверить, повлияет ли на звук увеличение его емкости или закорачивание ( на схеме mark4a его не существует вовсе )