Автор Тема: MicroDistortion и его друзья...  (Прочитано 5925 раз)

0 Пользователей и 1 Гость просматривают эту тему.

Оффлайн ficus1987 Автор темы

  • Эксперт
  • *****
  • Сообщений: 2050
  • Process engineer...
MicroDistortion и его друзья...
« : Августа 12, 2012, 19:42:12 »
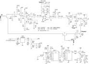
Делал как то дист по одной из схем на DIP компонентах ;) понравилось... Решил сварганить многофункциональный на чипах, с возможностью установки в гитарко :7:
Вот какой результат имеем :hmmm: На днях займусь корпусом...
« Последнее редактирование: Января 31, 2013, 19:37:27 от ficus1987 »

Оффлайн Мяталист

  • Ветеран форума
  • ******
  • Сообщений: 5743
  • Будь как все. Собирай JCM 800 и SLO 100
Re: MicroDistortion делаем...
« Ответ #1 : Августа 14, 2012, 08:23:49 »
не нужно в гитару. Это удел уралов и формант. Лучше сделай что то типо вокс амплаг.

Оффлайн alkuz

  • Ветеран форума
  • ******
  • Сообщений: 4481
  • Зарегистрированный
    • http://
Re: MicroDistortion делаем...
« Ответ #2 : Августа 14, 2012, 18:28:11 »
А как СМД-керамика в проходе и фильтах звучать будет?  ??? Сдается мне не очень...

Оффлайн Engener

  • Ветеран форума
  • ******
  • Сообщений: 3472
  • :-)
Re: MicroDistortion делаем...
« Ответ #3 : Августа 14, 2012, 18:35:22 »
а чё, можно и такую штуку, только с возможностью обхода её  :) бывают случаи, что и такая вещица не лишняя.

Оффлайн Ден2

  • Ветеран форума
  • ******
  • Сообщений: 4278
Re: MicroDistortion делаем...
« Ответ #4 : Августа 14, 2012, 19:44:53 »
не нужно в гитару. Это удел уралов и формант. Лучше сделай что то типо вокс амплаг.

Беллами тут пожал бы плечами)

Оффлайн shlema

  • Ветеран форума
  • ******
  • Сообщений: 6135
  • skiper
Re: MicroDistortion делаем...
« Ответ #5 : Августа 14, 2012, 21:14:34 »
Беллами слегка фрик в гитарном мире

Оффлайн kfender

  • Ветеран форума
  • ******
  • Сообщений: 5915
  • к.т.н.
Re: MicroDistortion делаем...
« Ответ #6 : Августа 14, 2012, 21:17:10 »
А чего понравилось в этой схеме?

Оффлайн AntonVIP

  • Живу на форуме
  • *******
  • Сообщений: 13729
  • Люблю качественную музыку в стиле "мясо"
    • Страница на ютубе
Re: MicroDistortion делаем...
« Ответ #7 : Августа 15, 2012, 00:08:37 »
ficus1987, а семплы будут???

Оффлайн Dark-Syberia

  • Эксперт
  • *****
  • Сообщений: 1750
  • Улыбайся и живи)
Re: MicroDistortion делаем...
« Ответ #8 : Августа 15, 2012, 00:20:32 »
срочно сэмплы!

Оффлайн ficus1987 Автор темы

  • Эксперт
  • *****
  • Сообщений: 2050
  • Process engineer...
Re: MicroDistortion делаем...
« Ответ #9 : Августа 15, 2012, 09:01:03 »
А чего понравилось в этой схеме?
Схема просто мной отработанная, но в DIP корпусах, решил попробовать в SMD варианте :rolleyes:
ficus1987, а семплы будут???
Семплы будут, просто надо в корпус засунуть, а то фонит на большом гейне... В общем пробовал включать мне понравилось ???

Оффлайн kfender

  • Ветеран форума
  • ******
  • Сообщений: 5915
  • к.т.н.
Re: MicroDistortion делаем...
« Ответ #10 : Августа 15, 2012, 09:03:38 »
Честно говоря схема не внушает, 3 эмиттерных повторителя и жужжалка на ОУ с диодами.

Оффлайн ficus1987 Автор темы

  • Эксперт
  • *****
  • Сообщений: 2050
  • Process engineer...
Re: MicroDistortion делаем...
« Ответ #11 : Августа 15, 2012, 09:18:31 »
Чито тогда посоветуешь??? ;)

Оффлайн kfender

  • Ветеран форума
  • ******
  • Сообщений: 5915
  • к.т.н.
Re: MicroDistortion делаем...
« Ответ #12 : Августа 15, 2012, 09:27:06 »
Чито тогда посоветуешь??? ;)
Что-нибудь из этой темы http://forum.gtlab.net/cgi-bin/yabb2/YaBB.pl?num=1236424845/0 или еще там в темах покопать.

Оффлайн ficus1987 Автор темы

  • Эксперт
  • *****
  • Сообщений: 2050
  • Process engineer...
Re: MicroDistortion делаем...
« Ответ #13 : Августа 15, 2012, 10:36:40 »
Блин, схемы конечно хороши, но всё на дискретной базе... Если на чипах делать разводить офигею... :pozor:

Оффлайн kfender

  • Ветеран форума
  • ******
  • Сообщений: 5915
  • к.т.н.
Re: MicroDistortion делаем...
« Ответ #14 : Августа 15, 2012, 10:46:35 »
Чип это микросхема http://en.wikipedia.org/wiki/Integrated_circuit

А схемы там еще проще, чем в начале топика.