Автор Тема: Модернизация комбика Marshall 50fx  (Прочитано 9386 раз)

0 Пользователей и 1 Гость просматривают эту тему.

Оффлайн Rsmol

  • Эксперт
  • *****
  • Сообщений: 2990
Re: Модернизация комбика Marshall 50fx
« Ответ #15 : Августа 31, 2012, 12:34:51 »
Flagman, транзисторные усилители гораздо ровнее, в них нет искажений. Зачем тебе лампа?

Оффлайн silentjet

  • Завсегдатай
  • ***
  • Сообщений: 338
Re: Модернизация комбика Marshall 50fx
« Ответ #16 : Августа 31, 2012, 12:37:37 »
честным и настоящим? Это что ? Любое преобразование сигнала из одной формы в другую автоматически делает его не чесным...  :crazy: Гитара никогда не звучит одинаково из акустической системы и в не подключенном состоянии(в смысле прослушивание без применения любой техники)  :D.
Так вот именно результат который ты слышишь из динамика и позволяет назвать усилитель "гитарным" либо "негитарным"(это если не вдаваться в схемотехнические ньюансы)

Оффлайн Dying Fetus

  • Moderator
  • *****
  • Сообщений: 10324
  • DIYng Fetus
    • http://cathar.ru
Re: Модернизация комбика Marshall 50fx
« Ответ #17 : Августа 31, 2012, 12:38:51 »
тогда встречный вопрос, чем отличается гитарный усь от не гитарного уся?
мой ответ,- входным блоком обработки сигнала,- тембр и драйв. А ваш ответ? ведь дальше сигнал идет на фазоинверторный каскад и далее на оконечный каскад.  Дак вот цель создать этолонный оконечник, исключив  в нем все входные блоки тембра и драйва, чтоб давал только чистый, и оконечник работал ЧЕСТНО.

... и добавил:

А саму первичную обработку сигнала будет выполнять внешний блок.

А вот и не только этим товарищ. Предлагаю просто сравнить схемы оконечников с бп гитарных усилителей и для прослушивания музыки. А вдруг чего увидите.

ЗЫ: а прогревать провода и маркировать начало с концом будете?

Оффлайн Flagman Автор темы

  • Новичок
  • *
  • Сообщений: 47
Re: Модернизация комбика Marshall 50fx
« Ответ #18 : Августа 31, 2012, 12:44:20 »
А каким он будет? Лживым и фальшивым что ли?

Кстати, чем ты планируешь раскачивать оконечные лампы до нужной мощности в 60Вт "честного" звука?
Без предварительного усиления.

... и добавил:

Неужто одним триодом?

Во первых,- да он будет искаженным. во первых из-за проходных элементов теряется сама динамика, т.е. ДинДиапазон,
АЧХ тоже очень сильно отних зависит, купив даже качественный проходной кондер, нельзя быть уверенным в нем, необходимо проводить измерения на его пропускную АЧХ в зависимости от напряжения, а ето не очень просто.
поэтому именно межкаскадный транс, отобранный проверенный на тестах, который со временем менять не надо, как например буферную лампу.

Теперь отвечу на ваш второй вопрос,- Кстати, чем ты планируешь раскачивать оконечные лампы до нужной мощности в 60Вт "честного" звука? Без предварительного усиления. Неужто одним триодом? я писал выше , что первоначальный блок обработки ВНЕШНИЙ, тот же АМТ сс-11 или ещё что нить он и раскачает прекрастно.

а вот по поводу одного триода, в схеме самого уся я и сам сомневаюсь что он транс сможет раскачать, по этому и выложил на обсуждение, т.е. оконечник который нужен должен дать 60 ВТ с чувствительностью 0,5 вольта, я думаю тоже что один триод не раскачает и транс и две кт88, хочу их вместо ел34.

... и добавил:

А вот и не только этим товарищ. Предлагаю просто сравнить схемы оконечников с бп гитарных усилителей и для прослушивания музыки. А вдруг чего увидите.

ЗЫ: а прогревать провода и маркировать начало с концом будете?

Согласен давайте сравнивать оконечные каскады усилителей для гитары и нет. Я выложил не гитарную схему, терь ваша очередь, но только оконечник начиная с буферного (фазаинверторного) каскада, так будет правильно.

... и добавил:

Даже в гитарной электроннике, внутри гитары, провода от датчиков прокладывать моножилой со знанием начала кабеля и его выхода, начиная от звукоснимателя. и приминять желательно моножилу уже прогретую высоким напряжением. н

... и добавил:

честным и настоящим? Это что ? Любое преобразование сигнала из одной формы в другую автоматически делает его не чесным...  :crazy: Гитара никогда не звучит одинаково из акустической системы и в не подключенном состоянии(в смысле прослушивание без применения любой техники)  :D.
Так вот именно результат который ты слышишь из динамика и позволяет назвать усилитель "гитарным" либо "негитарным"(это если не вдаваться в схемотехнические ньюансы)
   (это если не вдаваться в схемотехнические ньюансы), -а вот вы вдайтесь.
Любое преобразование сигнала из одной формы в другую автоматически делает его не чесным... - согласен, но необходимо приближаться к его натуральности! а не убивать сигнал проходными элементами!
« Последнее редактирование: Августа 31, 2012, 12:51:28 от Flagman »

Оффлайн kynep

  • Ветеран форума
  • ******
  • Сообщений: 6828
  • Руби МиТоЛ!!!
Re: Модернизация комбика Marshall 50fx
« Ответ #19 : Августа 31, 2012, 12:54:33 »
Во первых,- да он будет искаженным.
С какой радости?  :hmmm: Ты пожалуйста не путай понятия "искаженный" и "слегка измененный, прикрашеный".

я писал выше , что первоначальный блок обработки ВНЕШНИЙ, тот же АМТ сс-11 или ещё что нить он и раскачает прекрастно.
Если собираешься использовать гитарный пред, то и собирай гитарный оконечник для него.
Для начала глянь в сторону JCM800. Это, так сказать, эталон гитарного звука. Собери его оконечник на своих лампах.

Я думаю хватит знаний отрезать пред на схеме.

И не забивай себе и другим голову всякой ХайФайной хренью. Не на тот ты форум обратился за "честным и чистым" звуком.

... и добавил:

З.Ы. если нужен чистый и честный, собирай конец на транзисторах. Лампа даже без обвеса красит звук.
« Последнее редактирование: Августа 31, 2012, 12:58:31 от kynep »

Оффлайн Dying Fetus

  • Moderator
  • *****
  • Сообщений: 10324
  • DIYng Fetus
    • http://cathar.ru
Re: Модернизация комбика Marshall 50fx
« Ответ #20 : Августа 31, 2012, 12:56:17 »
Flagman,
Всё правее Master Volume.
(нажмите чтобы показать/спрятать)

Оффлайн akl

  • Живу на форуме
  • *******
  • Сообщений: 8114
  • не шарю ваще
Re: Модернизация комбика Marshall 50fx
« Ответ #21 : Августа 31, 2012, 13:06:49 »
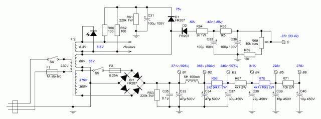
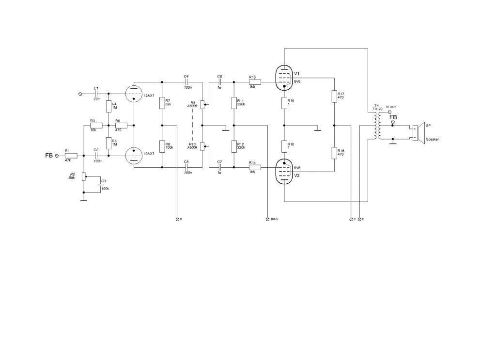
в основном 6v6:
830161-0830163-1830165-2830167-3830169-4830171-5

Оффлайн Rsmol

  • Эксперт
  • *****
  • Сообщений: 2990
Re: Модернизация комбика Marshall 50fx
« Ответ #22 : Августа 31, 2012, 13:07:45 »
тот же АМТ сс-11
вот это Hi-End :D :D :D
C импульсным питанием :pozor:

Оффлайн Flagman Автор темы

  • Новичок
  • *
  • Сообщений: 47
Re: Модернизация комбика Marshall 50fx
« Ответ #23 : Августа 31, 2012, 13:07:55 »
Dying Fetus, Отлично, все что провее волум, и так смотрим как пойдет звуковой сигнал по схеме,- первый кондер, затем лампа фазик, ок, а затем пред тем как попасть в сетку выходных ламп проходят через кондеры и резики в 5,6к дак вот они нафиг не нужны, но убрать их из схемы не получиться, такак фазик у нас на лампе, по этому и необходимо применять транс межкаскадный!

Оффлайн akl

  • Живу на форуме
  • *******
  • Сообщений: 8114
  • не шарю ваще
Re: Модернизация комбика Marshall 50fx
« Ответ #24 : Августа 31, 2012, 13:11:51 »
Flagman, так гитарные преды на то и расчитаны, чтоб их во все эти кондеры, резики и фазики пихать. иначе понадобится блок фильтров, которые все это будут симулировать с соответствующим результатами :7: иначе будет не звук, а бормашина-пилорама

Оффлайн kynep

  • Ветеран форума
  • ******
  • Сообщений: 6828
  • Руби МиТоЛ!!!
Re: Модернизация комбика Marshall 50fx
« Ответ #25 : Августа 31, 2012, 13:13:18 »
Жесть...  :crazy: :7: :pozor:

Логика железная...  :fffuuu: :fffuuu: :fffuuu:

Оффлайн akl

  • Живу на форуме
  • *******
  • Сообщений: 8114
  • не шарю ваще
Re: Модернизация комбика Marshall 50fx
« Ответ #26 : Августа 31, 2012, 13:13:50 »
гитарный звук это не звук гитары, а звук гитары, пропущенный через конкретный усилитель с конкретным предом/оконечником/кабом/динамиком

Оффлайн Dying Fetus

  • Moderator
  • *****
  • Сообщений: 10324
  • DIYng Fetus
    • http://cathar.ru
Re: Модернизация комбика Marshall 50fx
« Ответ #27 : Августа 31, 2012, 13:14:57 »
Flagman, из-за 2х резисторов и 2х конденсаторов применять транс :o? Давайте тогда вами вышеупомянутый преамп посмотрим.... там вообще всё тогда переделать надо. Оконечник, это тоже часть гитарного звука. Перегруз ФИ и ламп оконечника, проседание заряда конднсаторов в бп при игре, это ВСЁ часть звука. А вы планируете взять и отбросить это. Если нужен линейный УМ, то и собирайте на полевиках, мс, хоть цифру. А наркоманский бред в попытке скрестить ежа и носорога заведомо обречён на провал.

ЗЫ: если по вашему, весь звук делается в преде, может вместо Фэйна поставить широкополосник  ;)?

Оффлайн Flagman Автор темы

  • Новичок
  • *
  • Сообщений: 47
Re: Модернизация комбика Marshall 50fx
« Ответ #28 : Августа 31, 2012, 13:15:54 »
akl,  все эти схемы видел не однократно, как я и говорил хочу избавиться от проходных емкостей и сопротивлений, поэтому целюсь на схему с межкаскадным трансом

Оффлайн akl

  • Живу на форуме
  • *******
  • Сообщений: 8114
  • не шарю ваще
Re: Модернизация комбика Marshall 50fx
« Ответ #29 : Августа 31, 2012, 13:16:38 »
может вместо Фэйна поставить широкополосник  ;)?
кстати да, гитарные динамики они ж вообще не "честные" ни разу ;D