Вот и пришло время отчитаться о проделанной работе

Неспешно делался сабж, поскольку было не очень много для него времени, и вот, вопреки прогнозам отдельных писателей, он практически готов.
Так что я "за базар ответил"

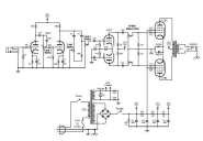
Схема, которую я планировал в первом посте, до конца реализована не была, потому что звучание на макете не полностью устроило.
Делал несколько разных экспериментов и остановился на схеме, которая ниже:

Я думаю опытные сразу увидят на "кого" это похоже, неопытным и так всё равно

Несколько слов о звучании:
Я и потенциальный владелец доволен на 150%, звучит великолепно, в некоторых положениях гейна и громкости перед оконечником, настоящий "разогнанный Plexi", в иных положениях очень похоже на JCM800 и всё это на терпимой "домашней" громкости, благодаря ещё PPIMV (мастер громкость после фазика).
Эта фича, (на схеме не отрисована), абсолютно не портит звучание, это подтверждают и другие слушатели, хотя каждый слышит, то что желает услышать.
Гейна достаточно много, при желании получить больше "чистого", вторую лампу можно заменить на 12AY7, если нужно ещё больше "чистого", то и первую тоже.
Отлично "греется" всякими тюбскримерами и ренжмастерами. "Низов" тоже предостаточно. Так же сделал полезную регулировку CUT, подсмотренную в схеме VOX AC30.
В общем удачная схема, для домашних игр, репетиций и небольших концертов, где мощность 18ватт будет достаточной.
Фотки:







Ну и как водится, звучание.
Первый пример длится 2-е минуты, на первой минуте использовался PRS, на второй минуте страт, потом "склеено" в одну композицию.
Второй пример игрался только на страте, сначала без грелки, потом включил тюбскример почти на минимуме гейна, перед окончанием выключил.
На обоих примерах после записи, программно наложен небольшой "хол", без него скучновато, и ещё во втором примере в одном месте, побаловался дилеем, тоже программным.
Динамик Celestion G12M Heritage, традиционный микрофон Shure и как обычно, преамп -> звуковая карта -> SawStudio.
Писалось под минуса взятые в недрах интернета, любители хайгейна могут проходить мимо
http://soundcloud.com/noselectron/pl18-mixprshttp://soundcloud.com/noselectron/pl18-mix-stratСпасибо, что уделили время

Извините что не хайгейн...
