Это не сложно. Просто не осознавал, что это так критично.
Не совсем верное слово ты подобрал, "критично". Это не критично, то есть пожара не будет, солнечного затмения тоже

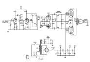
Усилитель заработает, но повторюсь, если нет знаний и опыта самостоятельно рассчитывать режимы каскадов, то лучше довериться инженерам, которые это сделали до нас, потому что +-30вольт достаточный разброс, чтобы эти самые режимы слегка изменились, а вместе с ними звучание. У меня обычно не более +-10вольт погрешность.
Будем впредь знать.Спасибо за совет. Этого в Справочниках юного радиолюбителя не пишут.
Не пишут чего? Того что первое включение нужно производить без ламп?
... и добавил:Я всегда думал, что плюс-минус 50В 
Странно ты думал

Предположим что твой транс позволяет и ты делаешь оконечник на EL84, в этой схеме, да и в схемах маршалл 18ватт на анодах +360-370в
Это несколько больше, чем макс. по даташиту, но с автосмещением всё работает и звучит отлично. А вот если подать на 50вольт больше, т.е. 360+50=410вольт на EL84, вот это уже может стать "критично"

В этом случае тебе бы пришлось понижать анодное напряжение, например устанавливая кенотрон.