Автор Тема: Околокрафтовский флуд  (Прочитано 2816812 раз)

Валентин Гаврилов и 9 Гостей просматривают эту тему.

Оффлайн Tander

  • Ветеран форума
  • ******
  • Сообщений: 3732
    • Efremoff
Re: Околокрафтовский флуд
« Ответ #18225 : Марта 26, 2019, 10:27:53 »
tube-freak, у меня просто была надежда - что параллельно они будут работать как 2 резистора параллельных, и напряжение на выходе увеличится на 50%. )) но... чтож.. )) нет так нет. )

Оффлайн trengtor

  • Ветеран форума
  • ******
  • Сообщений: 4841
  • Диванный блюз-блендер
    • Ремонт [комбо]усилителей и педалей эффектов, в т.ч. бутиковых
Re: Околокрафтовский флуд
« Ответ #18226 : Марта 26, 2019, 11:07:55 »
Ну почему «не гитарное»? Вон, у CRATE есть усилители D-класса, 150 Ватт.

Оффлайн bottle

  • Ветеран форума
  • ******
  • Сообщений: 6388
  • решил включить дурачка
Re: Околокрафтовский флуд
« Ответ #18227 : Марта 26, 2019, 11:57:22 »
На Западе есть такое мнение -  если усилитель ламповый - значит он должен быть полностью ламповый.как этот...
Тогда и в цепь смещения нужен вакуумный диод!

Оффлайн ku2

  • Опытный
  • ****
  • Сообщений: 524
  • Санкт-Петербург
Re: Околокрафтовский флуд
« Ответ #18228 : Марта 26, 2019, 13:17:48 »
Тогда и в цепь смещения нужен вакуумный диод!
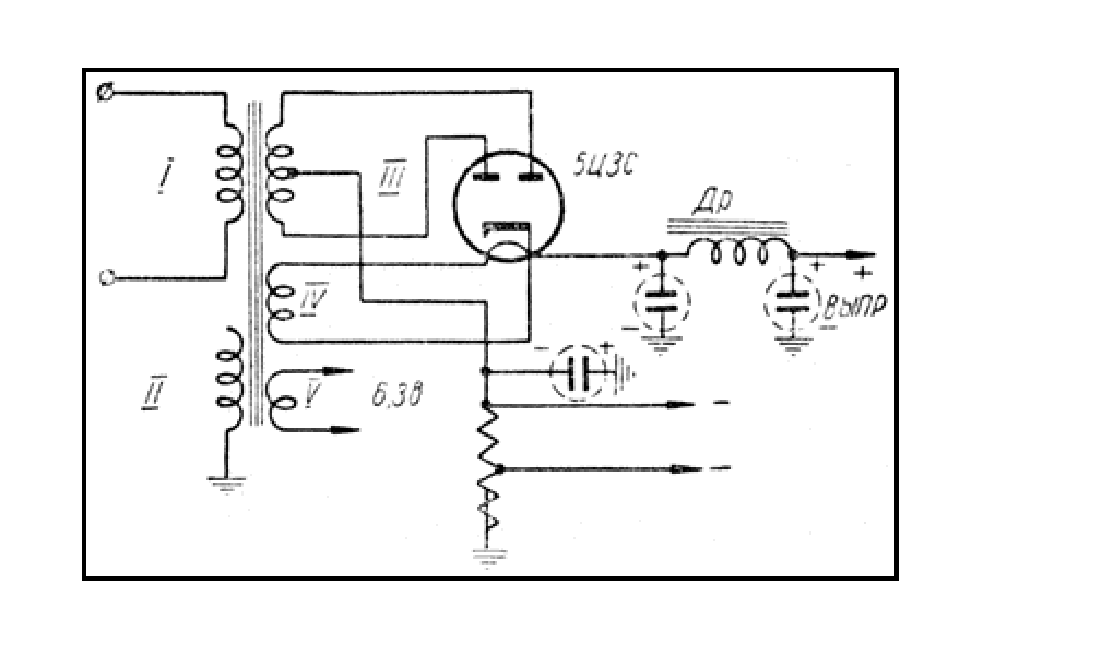
а это что за вариант ?Схема применения лампы 5Ц3С в качестве двухполупериодного выпрямителя с делителем отрицательного напряжения / случаем не для смещения ?
(нажмите чтобы показать/спрятать)
« Последнее редактирование: Марта 26, 2019, 16:50:28 от ku2 »

Оффлайн Владислав Утюмов

  • Завсегдатай
  • ***
  • Сообщений: 410
  • И со свечкой искали они, и с умом...
Re: Околокрафтовский флуд
« Ответ #18229 : Марта 26, 2019, 19:18:11 »
Народ, не подскажете, отчего может шуршать ламповый пред? Звук похож на шуршание потов, только шуршит независимо от кручения ручек, сам собой. Негромкое такое хаотичное шебуршание.

Онлайн Валентин Гаврилов

  • Эксперт
  • *****
  • Сообщений: 2435
  • Long live Rock-n-Roll !!
Re: Околокрафтовский флуд
« Ответ #18230 : Марта 26, 2019, 19:27:03 »
Владислав Утюмов,  Сама лампа может шуршать ,  в панельке  тоже может быть дело .....  Резистор в обвязке ....тоже может.

Оффлайн ku2

  • Опытный
  • ****
  • Сообщений: 524
  • Санкт-Петербург
Re: Околокрафтовский флуд
« Ответ #18231 : Марта 26, 2019, 19:58:16 »
у меня был Peavey ValveKing VK112 50..когда зашуршал отдал в ремонт...сказали были сырые пайки на платье 8)

... и добавил:

шуршал сильно а когда ударишь по корпусу пропадало..как старый цветной телевизор :crazy:

... и добавил:

но потом перестало помогать ;D

... и добавил:



... и добавил:

сборка китайская была
« Последнее редактирование: Марта 26, 2019, 20:35:11 от ku2 »

Оффлайн trengtor

  • Ветеран форума
  • ******
  • Сообщений: 4841
  • Диванный блюз-блендер
    • Ремонт [комбо]усилителей и педалей эффектов, в т.ч. бутиковых
Re: Околокрафтовский флуд
« Ответ #18232 : Марта 26, 2019, 20:07:55 »
Народ, не подскажете, отчего может шуршать ламповый пред? Звук похож на шуршание потов, только шуршит независимо от кручения ручек, сам собой. Негромкое такое хаотичное шебуршание.

Какая-то из ламп идёт под замену.

Оффлайн ku2

  • Опытный
  • ****
  • Сообщений: 524
  • Санкт-Петербург
Re: Околокрафтовский флуд
« Ответ #18233 : Марта 26, 2019, 20:16:11 »
Какая-то из ламп идёт под замену.
КП :hmmm:
« Последнее редактирование: Марта 26, 2019, 20:21:49 от ku2 »

Онлайн Валентин Гаврилов

  • Эксперт
  • *****
  • Сообщений: 2435
  • Long live Rock-n-Roll !!
Re: Околокрафтовский флуд
« Ответ #18234 : Марта 27, 2019, 05:26:32 »
Коллеги! Кто подскажет , какой уровень сигнала  у пьезозвучка ( который в порожек ставится ) от электроакустики  , если осциллоскопом  (1 МОм)  смотреть ??   Маленький сигнал с темброблока  идёт на фоне значительных шумов ,  все регулировки работают . Грешу на пьезозвучок.

Оффлайн Papa Bear

  • Эксперт
  • *****
  • Сообщений: 2145
Re: Околокрафтовский флуд
« Ответ #18235 : Марта 27, 2019, 07:42:28 »
До слез, блин:
http://zvukomaniya.ru/kak-rabotaet-radiolampa/
Косноязыкий неуч объясняет как работает лампа и т.д. Особо доставляет литературный стиль и обороты типа "нам нужен хороший твердый вакуум".  :D  :crazy:  :rofl:

Оффлайн trengtor

  • Ветеран форума
  • ******
  • Сообщений: 4841
  • Диванный блюз-блендер
    • Ремонт [комбо]усилителей и педалей эффектов, в т.ч. бутиковых
Re: Околокрафтовский флуд
« Ответ #18236 : Марта 27, 2019, 08:00:37 »
Papa Bear, немедленный плюс! Только это больше похоже на гугло-перевод. Что, впрочем, не отменяет безголовости того, кто ЭТО выставил на сайт.

Оффлайн Papa Bear

  • Эксперт
  • *****
  • Сообщений: 2145
Re: Околокрафтовский флуд
« Ответ #18237 : Марта 27, 2019, 08:13:39 »
trengtor, не уверен насчет перевода, у этого чувака все статьи такие. Даже те, которые касаются отечественной аудиотехники. Возможно он сам все это написал.

Оффлайн AZG Автор темы

  • Живу на форуме
  • *******
  • Сообщений: 95541
  • Санкт-Петербург
    • AZG CUSTOM
Re: Околокрафтовский флуд
« Ответ #18238 : Марта 27, 2019, 09:19:58 »
Валентин Гаврилов, Обычно рядом с электромагнитными. Но зависит от конкретного элемента. Бывают и меньше.

Papa Bear, Это типовой журналисткий подход. Накопать кучу инфы, аккумулировать БЕЗ корректировки специалистами. И вывалить с умным видом. Посмотри всякие передачи по ТВ на предмет гитар и гитарного усиления. Там все абсолютно аналогично, просто слово в слово.  :7:

Оффлайн trengtor

  • Ветеран форума
  • ******
  • Сообщений: 4841
  • Диванный блюз-блендер
    • Ремонт [комбо]усилителей и педалей эффектов, в т.ч. бутиковых
Re: Околокрафтовский флуд
« Ответ #18239 : Марта 28, 2019, 17:40:03 »
Камераден, где-нибудь в Москве продаются ручки для потенциометров под вал 5 4,6 мм с насечкой? Что-то нигде не вижу сходу...