Автор Тема: Проблема с Orange TH30  (Прочитано 6977 раз)

0 Пользователей и 1 Гость просматривают эту тему.

Оффлайн Vitallka

  • Эксперт
  • *****
  • Сообщений: 1175
  • Антиум
Re: Проблема с Orange TH30
« Ответ #45 : Апреля 21, 2015, 12:36:31 »
Есть

Оффлайн Mjollnir Автор темы

  • Ветеран форума
  • ******
  • Сообщений: 3536
  • Молот Тора
Re: Проблема с Orange TH30
« Ответ #46 : Апреля 22, 2015, 18:11:49 »
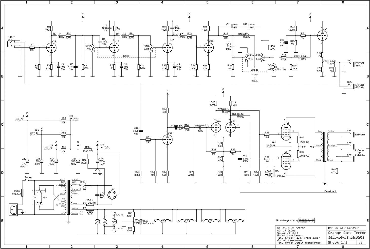
Итак, что же я выяснил сегодня. Схема фазика и оконечника полностью идентична схеме DT за исключением количества ламп и переключателя 2/4 выходные лампы.
Напряжентя померить не успел. На вторичку выходного идёт обратная связь, может в ней проблема, завтра всё посмотрю.

Оффлайн Тимон

  • Ветеран форума
  • ******
  • Сообщений: 3556
  • Мохнатый
Re: Проблема с Orange TH30
« Ответ #47 : Апреля 23, 2015, 13:12:07 »
Mjollnir, та конкретная схема не очень важна. Длиннохвост и длиннохвост, остальное — детали, мало влияющие на такие глюки. Нужно обмерять режимы фазика и выходного каскада, смотреть сигналы по плечам, потом уже выводы делать куда копать.

Оффлайн Mjollnir Автор темы

  • Ветеран форума
  • ******
  • Сообщений: 3536
  • Молот Тора
Re: Проблема с Orange TH30
« Ответ #48 : Апреля 23, 2015, 14:17:49 »
Вот такое вот чудище получилось.
4/4 - 4 лампы мощника, 2/4 - 2 лампы мощника. В режиме 2/4 работают лампы V6 и V8.

« Последнее редактирование: Апреля 23, 2015, 14:34:25 от Mjollnir »

Оффлайн Ден2

  • Ветеран форума
  • ******
  • Сообщений: 4278
Re: Проблема с Orange TH30
« Ответ #49 : Апреля 23, 2015, 14:24:24 »
А почему на вторых сетках ноль через лампу?

Оффлайн Mjollnir Автор темы

  • Ветеран форума
  • ******
  • Сообщений: 3536
  • Молот Тора
Re: Проблема с Orange TH30
« Ответ #50 : Апреля 23, 2015, 14:34:45 »
А почему на вторых сетках ноль через лампу?
Щуп отошёл по ходу, обновил картинку :crazy:

Оффлайн Тимон

  • Ветеран форума
  • ******
  • Сообщений: 3556
  • Мохнатый
Re: Проблема с Orange TH30
« Ответ #51 : Апреля 23, 2015, 15:30:39 »
Mjollnir, а какая мощность в нагрузку, когда начинает кряхтеть?

Режимы все в норме на первый взгляд, это наталкивает на мысль об убитом выходнике, либо ну очень хитрой течи проходных кондеров (типа в статике не текут, только в динамике). Нужны формы синуса на анодах фазика и выходных ламп. Есть доступ к измерителю индуктивности?

Оффлайн Mjollnir Автор темы

  • Ветеран форума
  • ******
  • Сообщений: 3536
  • Молот Тора
Re: Проблема с Orange TH30
« Ответ #52 : Апреля 23, 2015, 15:42:27 »
Тимон, по мощности не скажу, при громкости на 1 деление начинается лёгкий "подгруз", чем выше - тем хуже. Громкость на троечку есть в первом сообщении. Измерителя индуктивности нет. Сопротивления обмоток на предыдущей странице, но загвоздка в том что такие малые сопротивления плохо измеряет)
Выходник сильно не греется  даже при долгой игре, но как писал Прохожий_: "Правда может быть ещё одна загвоздка - если эти искажения появляются только при увеличении громкости, а на низкой громкости всё норм, то обмотка может коротить только при повышении напряжения."
Могу попробовать снять выходник и осмотреть визуально, хотя не думаю что что-нибудь увижу.
Если включить без нагрузки - горит вторичка же?
« Последнее редактирование: Апреля 23, 2015, 15:44:09 от Mjollnir »

Оффлайн Тимон

  • Ветеран форума
  • ******
  • Сообщений: 3556
  • Мохнатый
Re: Проблема с Orange TH30
« Ответ #53 : Апреля 23, 2015, 15:50:13 »
Mjollnir, если включить без нагрузки — прошивает первичку на что-нибудь. Снимать смысла мало. Одно что, можно попробовать всю первичку сунуть в розетку через лампу и предохранитель и посмотреть что у него на выходе. Но если транс паленый, то может быть чревато.

Оффлайн Mjollnir Автор темы

  • Ветеран форума
  • ******
  • Сообщений: 3536
  • Молот Тора
Re: Проблема с Orange TH30
« Ответ #54 : Апреля 23, 2015, 16:29:38 »
Mjollnir, если включить без нагрузки — прошивает первичку на что-нибудь. Снимать смысла мало. Одно что, можно попробовать всю первичку сунуть в розетку через лампу и предохранитель и посмотреть что у него на выходе. Но если транс паленый, то может быть чревато.
Стрёмно его в розетку. Он понижающий же? Разобрал, горелым не пахнет.

Оффлайн Ден2

  • Ветеран форума
  • ******
  • Сообщений: 4278
Re: Проблема с Orange TH30
« Ответ #55 : Апреля 23, 2015, 16:29:56 »
Через лампочку относительно безопасно. Я бы так и сделал, на данном этапе. Ну и убедится при этом в симметрии первички.

Оффлайн Mjollnir Автор темы

  • Ветеран форума
  • ******
  • Сообщений: 3536
  • Молот Тора
Re: Проблема с Orange TH30
« Ответ #56 : Апреля 23, 2015, 16:37:16 »
Через лампочку относительно безопасно. Я бы так и сделал, на данном этапе. Ну и убедится при этом в симметрии первички.
Жёлтый+чёрный подключить, белый заизолировать как я понимаю? Без осциллографа как симметрию проверить? Переменку через среднюю точку?

1613777-0

Оффлайн Ден2

  • Ветеран форума
  • ******
  • Сообщений: 4278
Re: Проблема с Orange TH30
« Ответ #57 : Апреля 23, 2015, 16:59:09 »
Ну да, на желтый и черный подаем питание, на белом должна при этом быть ровно половина. Далее замеряем напряжение и считаем Ктр на каждом из отводов вторички.

Оффлайн Алексей Ф

  • Эксперт
  • *****
  • Сообщений: 2262
  • GuitarPlayer.Ru fan!
Re: Проблема с Orange TH30
« Ответ #58 : Апреля 23, 2015, 17:26:16 »
Эээ, позвольте полюбопытствовать, 30 вольт на сетках фазика - норма?

Оффлайн Vitallka

  • Эксперт
  • *****
  • Сообщений: 1175
  • Антиум
Re: Проблема с Orange TH30
« Ответ #59 : Апреля 23, 2015, 18:32:40 »
30В - норма, поскольку сетки сидят на катодном резисторе 47К. Только вот странность: на катодном резисторе 1,2К падает 16,5В, а на катодном резисторе 47К - 30,5В.