Автор Тема: Проблема с ТемброБлоком  (Прочитано 3069 раз)

0 Пользователей и 1 Гость просматривают эту тему.

Оффлайн begmas Автор темы

  • Опытный
  • ****
  • Сообщений: 566
Проблема с ТемброБлоком
« : Июля 25, 2009, 22:45:20 »
Значит переделываю в гитарный усилок Vermona MV3.
Лампы поменял на наши: 2*6н2п-ев, 6ж32, 2*6п14п
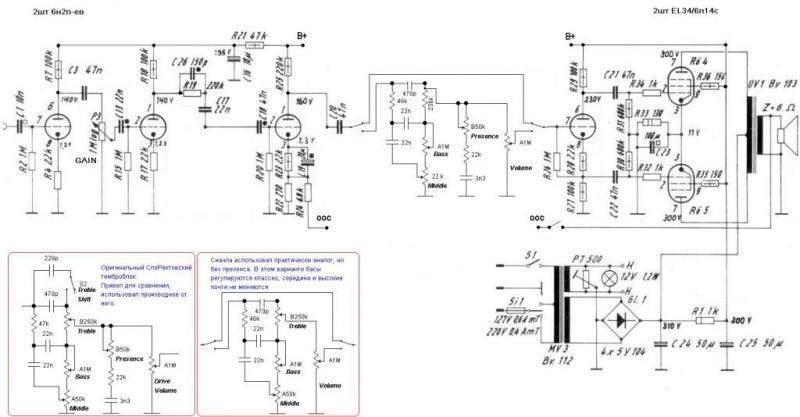
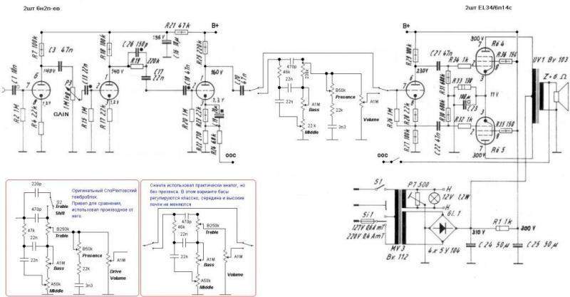
Вот оригинальная схема.
http://www.fonar.com.pl/audio/fotki/mv3/rys25.jpg
Пока работаю с каналом на триодах.
С первоначальной схемой в этом канале на максимальной громкости появлялся овердрайв, но небольшой.
Начал переделывать схему. Выкинул темброблок после первого каскада, и сделал громкость после третьего.
Бывшая громкость стала теперь гейном, а новая - мастер вольюмом.
Темброблок неслабо садил сигнал, и без него каскады начали нормально перегружаться : ).
С 3х каскадов со звучками типа тонзон/пафпро выходит шикарный перегруз. Я вначале думал что надо будет добавлять еще лампу для большого перегруза, но теперь передумал.
Решил перед мастер-волюмом темброблок поставить.
Звук и без него меня абсолютно устраивает, поэтому тб сделал отключаемым тумблером, но дырки остались : ) да и универсальности ТБ добавит.
Начал оттолкнувшись от Слоректовского (на схеме в первой рамочке).
Но делал без требл шифта и презенса (дырявить корпус не хотел дополнительно). Что вышло - во второй рамочке. Басы классно регулируются а вот середина и низ вобще почти никак - еле заметно на слух.
Тогда заменил пот требла на постоянный номиналом 236 (что смог найти близкое от старых проектов), и сделал презенс, и заменил мид на 22К. Середина стала еще слегка хуже регулироваться, а высокие теперь нормально. Глуповатая вышла система, но рабочая почти - басы и высокие (презенсом) регулируются, а хоччется чтоб еще середина менялась.
Может это с уровнем сигнала связано (3 против 4х каскадов в слоректе) или чем то еще?

Подскажите что можно сделать чтоб середину регулировать?

Оффлайн mogaed

  • Ветеран форума
  • ******
  • Сообщений: 3552
  • Волк с гитарой
Re: Проблема с ТемброБлоком
« Ответ #1 : Июля 25, 2009, 22:53:44 »
Там всё проще простого, сам до думаешся - ладно!

Оффлайн TnT_Engineering_Amps

  • Опытный
  • ****
  • Сообщений: 640
  • DIY, DIY, DIY my darling...
Re: Проблема с ТемброБлоком
« Ответ #2 : Июля 26, 2009, 01:31:05 »
может всё-таки 4-х каскадную схему сделать. в ТБ сделать резистор на 46к не постоянным, а переменным на 250к, и таким макаром менять частоту среза средних - полезная штука :crazy:

Оффлайн begmas Автор темы

  • Опытный
  • ****
  • Сообщений: 566
Re: Проблема с ТемброБлоком
« Ответ #3 : Июля 26, 2009, 10:40:55 »
не вижу смысла еще одну лампу ставить, трех каскадов мне хватает. И по количеству гейна и по уровня выхода.
Свип тоже ставил но не оставил изза отсутствия дырки по него. Но тоже середина и высоеие слабовато менялись в разных положениях.

Оффлайн TnT_Engineering_Amps

  • Опытный
  • ****
  • Сообщений: 640
  • DIY, DIY, DIY my darling...
Re: Проблема с ТемброБлоком
« Ответ #4 : Июля 26, 2009, 11:01:49 »
begmas, может проблема в дырявом кондере на середине?

Оффлайн runing

  • Живу на форуме
  • *******
  • Сообщений: 12572
  • Киев
Re: Проблема с ТемброБлоком
« Ответ #5 : Июля 26, 2009, 11:06:36 »
begmas, может проблема в дырявом кондере на середине?

Кстати да, проверь целостность деталей, потенциометр, конденсатор. Попробуй на время заменить их.

Оффлайн begmas Автор темы

  • Опытный
  • ****
  • Сообщений: 566
Re: Проблема с ТемброБлоком
« Ответ #6 : Июля 26, 2009, 11:10:56 »
чего чего? типо который не кондер уже а просто провод?
эти 2 варианта тб описаные мной вначале - именно два разных варианта.
Я не менял тб, а спаял 2 варианта отдельно - середина ни там ни там не работает.

Оффлайн AZG

  • Живу на форуме
  • *******
  • Сообщений: 95553
  • Санкт-Петербург
    • AZG CUSTOM
Re: Проблема с ТемброБлоком
« Ответ #7 : Июля 26, 2009, 12:26:59 »
begmas, Ты ушел от Баксандала с глубокой регулировкой, к Маршалловскому ТБ с неглубокой, но гитарной.

Оффлайн begmas Автор темы

  • Опытный
  • ****
  • Сообщений: 566
Re: Проблема с ТемброБлоком
« Ответ #8 : Июля 26, 2009, 13:03:56 »
так середина ни там-ни там не регулировалась нормально.
свип оставлять не могу - дырок не хватит в корпусе.
Может стоит посидеть поиграться со свипом - меняя значение по чуть чуть и искать в каком положении середина регулируется?
Замерять и поставить постоянный найденого номинала?
А что если поменять 470п на 250 например?

Оффлайн AZG

  • Живу на форуме
  • *******
  • Сообщений: 95553
  • Санкт-Петербург
    • AZG CUSTOM
Re: Проблема с ТемброБлоком
« Ответ #9 : Июля 26, 2009, 13:17:42 »
begmas, Оставь как есть. На счет середины - она регулируется ощутимо. Проверяй детали, пайку, схему.

Оффлайн begmas Автор темы

  • Опытный
  • ****
  • Сообщений: 566
Re: Проблема с ТемброБлоком
« Ответ #10 : Июля 26, 2009, 13:37:11 »
пред маршалловский 2203/2204 можно считать трехкаскадным же? (если тыкаться в Хай, и повторитель не в счет) Не думаю что проблема в количестве каскадов, но все же.

Попробую еще его ТБ.
Не хочется но наверно таки просверлю пару дырок под свип и презенс, жаль раритет портить внешне, но если функционала добавит наверное стоит.

Оффлайн begmas Автор темы

  • Опытный
  • ****
  • Сообщений: 566
Re: Проблема с ТемброБлоком
« Ответ #11 : Июля 29, 2009, 19:44:43 »
перепаял на маршалловский темброблок, выше указанный
Сразу пропало несколько проблем- исчезли самовозбуды при слишком большом гейне, получается выжать перегруз посильнее
Но середина регулироваться не стала лучше: ручку крутишь и звук еле заметно глуше-четче становиться. Что я делаю не так? Хочется класической регулировки: если в ноль - то МитолЪ, если на максимум то ЖирЪ. Никто конечно ее так не крутит, но все же хочется полного функционала

Оффлайн Surch

  • Меценат
  • *****
  • Сообщений: 755
Re: Проблема с ТемброБлоком
« Ответ #12 : Июля 29, 2009, 21:52:34 »
begmas,
номинал потца не пробовал менять?Ну то есть не 22к,а, скажем,47к....Или 33 :)
« Последнее редактирование: Июля 29, 2009, 21:54:16 от Surch »

Оффлайн begmas Автор темы

  • Опытный
  • ****
  • Сообщений: 566
Re: Проблема с ТемброБлоком
« Ответ #13 : Июля 29, 2009, 21:56:59 »
было 50, тоже мало толку.
Имеет ли смысл ставить крупные значения типо 100 кОм?

Оффлайн Surch

  • Меценат
  • *****
  • Сообщений: 755
Re: Проблема с ТемброБлоком
« Ответ #14 : Июля 30, 2009, 11:14:43 »
begmas,
попробуй на низах вместо 1М поставить 400-600к...Вроде уже было такое где-то...Вроде серединка получше будет в связи с этим.Не помню,может путаю что.