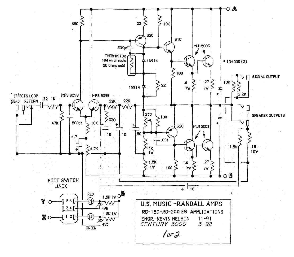
На предприятии запускалось изделие, которое, как оказалось, не должно было подключаться к заземлению - такова специфика.
Но без заземления измерительные приборы на рабочем месте перегружались помехами и отладка становилась невозможной.
Случайно обнаружилось, что картина несколько улучшается, если у некоторых приборов сделать переполюсовку сетевой вилки.
Найденное решение выглядело так: все приборы на рабочем месте полностью отсоединялись друг от друга, затем лампочкой-неонкой (голой, без балластного резистора!) проверялось наличие свечения на массе каждого прибора.
При необходимости сетевая вилка прибора переворачивалась и неонка на нём гасла.
После такого тотального "обеззараживания" приборы вновь соединялись в требуемой конфигурации, неонка не загоралась, помехи исчезали и можно было приступить к работе.
С этим явлением в
двухполюсных бытовых сетях я потом сталкивался неоднократно, и этот способ "лечения" работал безотказно
