Автор Тема: Схемы LIONSOUND  (Прочитано 152462 раз)

0 Пользователей и 1 Гость просматривают эту тему.

Оффлайн LIONSOUND Автор темы

  • Эксперт
  • *****
  • Сообщений: 2249
  • Не надо делать круто, надо делать правильно
    • Lionsoundlab
Схемы LIONSOUND
« : Ноября 24, 2010, 20:40:57 »
Схема LIONSOUND 4.2

2295896-0

Печатка 4.2
* LS4.2 .rar (18.02 КБ - загружено 3663 раз.)
« Последнее редактирование: Октября 01, 2018, 17:07:15 от LIONSOUND »

Оффлайн tifo

  • Эксперт
  • *****
  • Сообщений: 1202
Re: Схема LIONSOUND 4.2
« Ответ #1 : Ноября 24, 2010, 21:55:55 »
спасибо

хотя схема эта давно известна вроди

... и добавил:

зы - выкладывал бы уже и печатку,монтажку.а чо
« Последнее редактирование: Ноября 24, 2010, 21:59:46 от tifo »

Оффлайн LIONSOUND Автор темы

  • Эксперт
  • *****
  • Сообщений: 2249
  • Не надо делать круто, надо делать правильно
    • Lionsoundlab
Re: Схема LIONSOUND 4.2
« Ответ #2 : Ноября 24, 2010, 22:05:02 »
зы - выкладывал бы уже и печатку,монтажку.а чо
Боюсь печатка подготовленная для промышленного изготовления мало поможет. ???
Плотность монтажа довольно высокая.
Да и детали каждый ставит какие есть в запасе или те, какие сможет купить.
« Последнее редактирование: Ноября 24, 2010, 22:07:20 от LIONSOUND »

Оффлайн serste

  • Завсегдатай
  • ***
  • Сообщений: 366
Re: Схема LIONSOUND 4.2
« Ответ #3 : Ноября 24, 2010, 22:41:12 »
LIONSOUND, извини за дилетантизм  :rolleyes: Незатейливые операционники, вроде TL072, использовать можно? 470К с 8-й ноги на землю - это какая-то специфическая коррекция для УД1208?

Оффлайн LIONSOUND Автор темы

  • Эксперт
  • *****
  • Сообщений: 2249
  • Не надо делать круто, надо делать правильно
    • Lionsoundlab
Re: Схема LIONSOUND 4.2
« Ответ #4 : Ноября 25, 2010, 06:54:18 »
LIONSOUND, извини за дилетантизм  :rolleyes: Незатейливые операционники, вроде TL072, использовать можно?
Можно, но результат будет похуже.
Цитировать
470К с 8-й ноги на землю - это какая-то специфическая коррекция для УД1208?
Это управление параметрами ОУ. 1208 - регулируемый ОУ, током через 8-й вывод выбираются параметры - быстродействие, потребление, полоса рабочих частот. От микропотребляющего до ОУ широкого применения. В данном случае выбран микропотребляющий режим.

Оффлайн serste

  • Завсегдатай
  • ***
  • Сообщений: 366
Re: Схема LIONSOUND 4.2
« Ответ #5 : Ноября 25, 2010, 08:23:11 »
LIONSOUND, спасибо. Еще вопрос... Я видел лестные отзывы на ГП по поводу спикосима из этой схемы. Какой режим ОУ (или, возможно, какой операционник) посоветуешь для стационарного питания +/- 15 в?

Оффлайн LIONSOUND Автор темы

  • Эксперт
  • *****
  • Сообщений: 2249
  • Не надо делать круто, надо делать правильно
    • Lionsoundlab
Re: Схема LIONSOUND 4.2
« Ответ #6 : Ноября 25, 2010, 08:40:19 »
serste, Для сима нет никаких специфических требований для ОУ, применяй какие понравятся...или просто под рукой.

Оффлайн shlema

  • Ветеран форума
  • ******
  • Сообщений: 6135
  • skiper
Re: Схема LIONSOUND 4.2
« Ответ #7 : Ноября 25, 2010, 23:38:09 »
tifo, помоему раньше ее можно было получить только написав в личку

... и добавил:

LIONSOUND, спасибо
« Последнее редактирование: Ноября 25, 2010, 23:41:02 от shlema »

Оффлайн LIONSOUND Автор темы

  • Эксперт
  • *****
  • Сообщений: 2249
  • Не надо делать круто, надо делать правильно
    • Lionsoundlab
Re: Схема LIONSOUND 4.2
« Ответ #8 : Января 02, 2011, 12:35:47 »
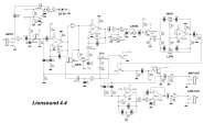
Схема LIONSOUND 4.4:

2295894-0

Печатка 4.4   
« Последнее редактирование: Октября 01, 2018, 16:57:30 от LIONSOUND »

Оффлайн _Heavy_Metal_

  • Опытный
  • ****
  • Сообщений: 603
  • they say
Re: Схема LIONSOUND 4.2 и 4.4
« Ответ #9 : Января 03, 2011, 12:11:21 »
LIONSOUND, вопросов по каскаду темброблока, по комбоэмуляции по входному каскаду и прочим вообще нет... НО!!! Вот непонятно как злейший перегруз вызывающий восторг и который очень похож на ламповый (бошки такие большие а эта педалька маленькая :) ) получается в обычном каскаде (вроде в других педальках такой же :) ) с двумя светодиодами. Как Вы до этого дошли :) ? Вы наверное разные операционники пробывали и диоды?? Здесь есть какой то секрет?

Оффлайн LIONSOUND Автор темы

  • Эксперт
  • *****
  • Сообщений: 2249
  • Не надо делать круто, надо делать правильно
    • Lionsoundlab
Re: Схема LIONSOUND 4.2 и 4.4
« Ответ #10 : Января 03, 2011, 12:45:15 »
Как Вы до этого дошли :) ? Вы наверное разные операционники пробывали и диоды?? Здесь есть какой то секрет?
Секрета никакого нет, ухи на голове отрастил хорошие, длинные.  ;D
20-ть лет звукорежиссёрства научили не только слушать, но и слышать.  :rolleyes:



ps. Не надо делать круто, надо делать правильно.

Оффлайн _Heavy_Metal_

  • Опытный
  • ****
  • Сообщений: 603
  • they say
Re: Схема LIONSOUND 4.2 и 4.4
« Ответ #11 : Января 03, 2011, 12:48:42 »
Секрета никакого нет, ухи на голове отрастил хорошие, длинные.  ;D
20-ть лет звукорежиссёрства научили не только слушать, но и слышать.  :rolleyes:



ps. Не надо делать круто, надо делать правильно.

а по существу :), в ds-1 тоже два диода после ОУ вот так вот параллельно на землю включены :) :)... а разница ведь очевидна, значит есть секрет :)... все никак на сей аппарат не накоплю :(. А то сам бы услышал, все таки динамику по сэмплам так как в живую не ощутишь

Оффлайн LIONSOUND Автор темы

  • Эксперт
  • *****
  • Сообщений: 2249
  • Не надо делать круто, надо делать правильно
    • Lionsoundlab
Re: Схема LIONSOUND 4.2 и 4.4
« Ответ #12 : Января 03, 2011, 13:05:32 »
все никак на сей аппарат не накоплю
Теперь только если б/у... ???
В десятой серии этого ничего уже нет.  ;)
Именно поэтому снятые с производства схемы и публикую.  :)

Оффлайн _Heavy_Metal_

  • Опытный
  • ****
  • Сообщений: 603
  • they say
Re: Схема LIONSOUND 4.2 и 4.4
« Ответ #13 : Января 03, 2011, 13:10:22 »
гы :) на 10 и коплю... по отзывам он перекрывает по крутости все бывшее до этого :), а тем более если там схема круче, надо брать (эта слишком волшебной мне показалась  :rolleyes:, возможно из-за моего делетантства)

Оффлайн LIONSOUND Автор темы

  • Эксперт
  • *****
  • Сообщений: 2249
  • Не надо делать круто, надо делать правильно
    • Lionsoundlab
Re: Схема LIONSOUND 4.2 и 4.4
« Ответ #14 : Января 03, 2011, 13:34:43 »
гы :) на 10 и коплю... по отзывам он перекрывает по крутости все бывшее до этого :), а тем более если там схема круче, надо брать (эта слишком волшебной мне показалась  :rolleyes:, возможно из-за моего делетантства)
Десятка по "волшебству" переплюнула все известные. Только четыре человека на планете видели 10-й узел перегруза, из них трое понимают как он работает.  ;)