пока что мне все только и говорят/пишут, без каких-либо доказательств/подтверждения/фактов на которые я так ждал при создании даной темы. Пока что только 2 схемы тыкнули, и 20 раз написали так плохо, так не делай, так говорят...... 
Мил человек, тебе 4 участника посоветовали, на основе личного опыта, собрать для баса не твои фантазии, а то, что действительно удовлетворит потребности практикующего басиста. Причем - не пионерские, а вполне профи. А ты все чем-то недоволен?
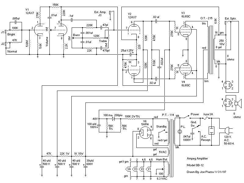
Вот схема:
http://ctgelectronics.weebly.com/uploads/3/1/6/6/3166248/ctg_fcbn_51b_schematic_081810_r0.2.pdfЭто - известный, проверенный тысячами профи-басистов, классический басовый аппарат, винтаж, тру-лампа. Мощность его - относительно небольшая (для баса). На малой громкости (в нормальный басовый каб, с басовыми динамиками) он тоже звучит хорошо. Соответствие твоему ТЗ - полное.
Комплект импортных ламп на него стоит совсем недорого, в пределах 100 долларов (JJ или EH). Причем у ЖЖ есть так называемая мид-гейновая ЕСС83-MG, которая очень неплохо заменяет 6SL7, практически без изменений обвеса. Комплект советских ламп - там и на 1т.р. не наберется, тем более, что у тебя что-то в наличии. Тоже - соответствует твоему ТЗ.
Трансформаторы - хочешь (умеешь считать, имеешь опыт изготовления, есть на руках все комплектующие, оснастка) намотать сам - во здравие, поможем советами, если они тебе нужны. Твои фантазии про темброблок - это лишь фантазии. На деле, фендеровский ТБ работает вполне адекватно, при умении и уме. Но даже и тут - в Ампеге учтено твое требование: здесь не М-Ф, а Бакс, который для баса более удобен.
Нормальный каб и динамик - это уж будь любезен. Твое поделье из неизвестно чего - непригодно для баса.
Выбранная тобой первоначально модель Бассмена - во всем мире известно, что это неудачный аппарат. Хочется имя Фендер и для баса - собирай модель Bass-300PS или 400PS. И то, и другое - крайне непростые аппараты, затратные, сложные в наладке и саппорте. Но - тру-лампа, тру-бас, звук.
А далее - ты свободный человек, можешь не слушать ничьих советов и лично набивать шишки, тратя в пустую время, средства и силы.
... и добавил: (Ссылка на вложение)
V1-2 6Н2П V3-4 6П3С
Из интереса - зачем такой делитель в аноде входного триода?