Так получилось, что сборка основного "комбо-усилителя мечты" немного отложилась... А играть-то надо на чем-то, питатся сырыми продуктами не охота

да и форму поддерживать тоже необходимо, так сказать

Вот и пришла мысль на шасси БП от старого приемника собрать нечто небольшое, а тут на глаза попалась схема Matamp C7 вдобавок... Немного погуглив нашел фотки, видео с Matamp Spirit (по сути чамп), minimat, C7 и понял что делать стоит
Семплы сделаю завтра... Сборку закончил только сегодня,уже поздновато играть

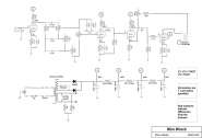
Изначальная схема:

Выпрямитель собран вот так:

Используемые лампы:
1х6Н2П-ЕВ
1х6Н9С
1х6П6С
1Х6Ц5С
органы управления : Волум, СЧ, ВЧ, НЧ. (темброблок Хайватт-овский) Non-master volume.
ВЫходник, тот что был под рукой, а был ТВ-3Ш.. в планах либо заменю,либо домотаю до 8-ми ом.
Что скажете? Вцелом.



https://www.youtube.com/watch?v=wawNVuemYqkhttps://www.youtube.com/watch?v=4qLfghtuq-0Более поздний, но не совсем полный вариант схемы:
