Так ты меня просто напугал, что у тебя не очень получилось

А змея то и мне понравилась, сейчас всё таки к ней склоняюсь
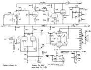
... и добавил:Возник вопрос... Сколько должен выдавать транс на выпрямитель биаса

По моей схеме высокое 395-425, про напряжение биаса ничего нету... По схеме поляков 300 высокое и биас обмотка 25

Сколько у меня должно быть?
... и добавил: 
ответ сам нашёл в схеме астроверба от солдано, там 27 вольт биас обмотка, опять же высокое ниже 360...

Так какое напряжение правильное то?
