Здрасте приехали, к маршала как раз 10к во всех схемах, а 22к - это фендер. Если так делать, то надо еще R40 уменьшать.Это уже давно просится, но номиналов пока под рукой нет. Пока хотя бы поменяю перед мастером на 47н.
Давай будем манипулировать терминами не "Маршалл" и "Фендер", а лампы 6V6, EL34, EL84.
Так вот, если ты наберёшься терпения и проанализируешь схемы фазоинверторов усилителей мощности на таких лампах,
ты не сможешь не увидеть, что при использовании ламп в оконечнике 6V6, указанный выше резистор имеет номинал 22к,
с лампами EL84 - 47к, EL34 - 10к.
Когда то выпускался Marshall Studio 4001, довольно редкая модель, по моему единственный маршалл с лампами 6V6.
Звучит по "маршаловски", клипы можешь посмотреть на ютубе. Угадай, какой номинал этого резистора?
Правда там и другие резисторы имеют иные номиналы.
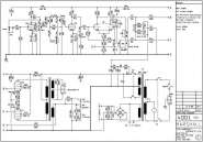
Вот его схемка, рекомендую проанализировать:
