Автор Тема: Усилок из Vef Radio. Несколько вопросов.  (Прочитано 32719 раз)

0 Пользователей и 1 Гость просматривают эту тему.

Оффлайн Targitay

  • Завсегдатай
  • ***
  • Сообщений: 362
Re: Усилок из Vef Radio. Несколько вопросов.
« Ответ #480 : Июля 15, 2014, 17:20:22 »
Targitay, Сейчас еще раз перемерил, входное 430-440, выходное около 360 скачет, вытаскивание 6н9с как-то смутно влияет
Похоже нпряжение в розетке у тебя прягает нехило. При 440 и 360 всё становится на свои места.  Теперь надо напряжение на катодах выходных ламп измерить (относитеьно земли) .

PS  Кстати, а что за диоды стоят в блоке питания?
« Последнее редактирование: Июля 15, 2014, 17:42:12 от Targitay »

Оффлайн Андрей Мальков Автор темы

  • Эксперт
  • *****
  • Сообщений: 1521
  • GuitarPlayer.Ru fan!
Re: Усилок из Vef Radio. Несколько вопросов.
« Ответ #481 : Июля 16, 2014, 01:17:59 »
Targitay, Диоды КД2**, точнее не получилось разглядеть, установлены неудобно. И треск из одного из трансов идёт, но ушами нифига понять не могу, из выходного, или силового. И только при включенных выходных лампах.

Оффлайн Targitay

  • Завсегдатай
  • ***
  • Сообщений: 362
Re: Усилок из Vef Radio. Несколько вопросов.
« Ответ #482 : Июля 16, 2014, 13:05:17 »
Targitay,
1) Диоды КД2**, точнее не получилось разглядеть, установлены неудобно.
2) И треск из одного из трансов идёт, но ушами нифига понять не могу, из выходного, или силового. И только при включенных выходных лампах.

1) Ясно. Если не греются - то и бог с ними.
2) Как вариант: попробуй накрыть по очереди трансы толстым полотенцем или еще чем-то подобным.

PS Напряжение на анодах выходных ламп измерил? Ждёмс....
 

Оффлайн Андрей Мальков Автор темы

  • Эксперт
  • *****
  • Сообщений: 1521
  • GuitarPlayer.Ru fan!
Re: Усилок из Vef Radio. Несколько вопросов.
« Ответ #483 : Июля 16, 2014, 13:23:19 »
Отпаял оставшийся дроссель - не он трещит. "Метод полотенца" выявил победителя - силовик. Зараза...  :pozor: Насчет ламп - я соврал. Трещит безразлично к нагрузке, что с лампами, что с вытащенными всеми. Не повезло...

... и добавил:

Буду собираться с духом и менять на тс-180-2. Заодно и диодный мостик нормальный сделаю.
« Последнее редактирование: Июля 16, 2014, 13:27:33 от Андрей Мальков »

Оффлайн Targitay

  • Завсегдатай
  • ***
  • Сообщений: 362
Re: Усилок из Vef Radio. Несколько вопросов.
« Ответ #484 : Июля 16, 2014, 13:43:20 »
Буду собираться с духом и менять на тс-180-2. Заодно и диодный мостик нормальный сделаю.

Удачи!
Только не факт, что и ТС-180 трещать не будет...  А так смена силовика  - правильное решение. Избавляемся от объемного "придатка". 

« Последнее редактирование: Июля 17, 2014, 07:45:09 от Targitay »

Оффлайн Андрей Мальков Автор темы

  • Эксперт
  • *****
  • Сообщений: 1521
  • GuitarPlayer.Ru fan!
Re: Усилок из Vef Radio. Несколько вопросов.
« Ответ #485 : Июля 16, 2014, 13:51:36 »
Targitay, Ну небольшое гудение под нагрузкой я бы понял, а тут плотный такой треск, который фиг проигнорируешь.

Оффлайн Targitay

  • Завсегдатай
  • ***
  • Сообщений: 362
Re: Усилок из Vef Radio. Несколько вопросов.
« Ответ #486 : Июля 16, 2014, 13:58:15 »
Targitay, Ну небольшое гудение под нагрузкой я бы понял, а тут плотный такой треск, который фиг проигнорируешь.

Мне пришлось в своем первом комбике ТС180 ставить через специальные резиновые "втулки", через которые он (транс) и крепился к шасси старого советского телевизора.  Без них СИЛЬНО гудел.

Оффлайн Андрей Мальков Автор темы

  • Эксперт
  • *****
  • Сообщений: 1521
  • GuitarPlayer.Ru fan!
Re: Усилок из Vef Radio. Несколько вопросов.
« Ответ #487 : Июля 16, 2014, 14:05:41 »
Targitay, НУ чего-чего, а резину я найду, если что :) А пока решил вспомнить, ради чего это всё затевалось, достал гитару, учу позиции. Да и как выяснилось, у меня нет длинной минусовой отвертки, чтобы подлезть к креплениям силовика. Перекур на выходные.

Оффлайн Targitay

  • Завсегдатай
  • ***
  • Сообщений: 362
Re: Усилок из Vef Radio. Несколько вопросов.
« Ответ #488 : Июля 17, 2014, 08:53:29 »
Буду собираться с духом и менять на тс-180-2. Заодно и диодный мостик нормальный сделаю.
А в данном случаея без него (мостика) никак.  Напряжение на вторичке ТС-180 мало для "двух диодов". Но, зато, и гасящий резистор на 510Ом не понадобится.

Оффлайн Андрей Мальков Автор темы

  • Эксперт
  • *****
  • Сообщений: 1521
  • GuitarPlayer.Ru fan!
Re: Усилок из Vef Radio. Несколько вопросов.
« Ответ #489 : Июля 17, 2014, 11:16:25 »
Targitay, Ну и хорошо наверное так будет, греется же как утюг этот резистор. Обогреватель мне ни к чему, да даже если был бы нужен, там выходные лампы шпарят неслабо :)

Оффлайн Андрей Мальков Автор темы

  • Эксперт
  • *****
  • Сообщений: 1521
  • GuitarPlayer.Ru fan!
Re: Усилок из Vef Radio. Несколько вопросов.
« Ответ #490 : Августа 31, 2014, 01:52:16 »
Ну-с, лето уходит, жара спадает, паять снова становится интересно :) И вот какой вопрос возник - а есть чего фендероподобное из предов, но на двух лампах? Недавно вот сделал алембик, ну прям очень он мне понравился на чистом звуке, а так же оценил удобство эквалайзера. Но хотелось бы оставить возможность и подгруза, пока только бассман нашел чем-то похожий, можно из него вторую лампу к схеме чампа просто приделать? Или не всё так просто?  ;D Сейчас хочу оживить первый проект, однотактник, для начала.

Оффлайн Targitay

  • Завсегдатай
  • ***
  • Сообщений: 362
Re: Усилок из Vef Radio. Несколько вопросов.
« Ответ #491 : Августа 31, 2014, 06:16:59 »
Ну-с, лето уходит, жара спадает, паять снова становится интересно :) И вот какой вопрос возник - а есть чего фендероподобное из предов, но на двух лампах? Недавно вот сделал алембик, ну прям очень он мне понравился на чистом звуке, а так же оценил удобство эквалайзера. Но хотелось бы оставить возможность и подгруза, пока только бассман нашел чем-то похожий, можно из него вторую лампу к схеме чампа просто приделать? Или не всё так просто?  ;D Сейчас хочу оживить первый проект, однотактник, для начала.

Ну, по-моему, тут вариантов два:
1)  Пред от Басмэна с  входным каскадом на одном триоде (в оригинале - на двух). А оставшийся триод использовать во входном каскаде Чампа.
2) Прилепить к схеме алембика (после него) еще один каскад усиления, как в Trainwreck Blues Express (схема)


Оффлайн Андрей Мальков Автор темы

  • Эксперт
  • *****
  • Сообщений: 1521
  • GuitarPlayer.Ru fan!
Re: Усилок из Vef Radio. Несколько вопросов.
« Ответ #492 : Августа 31, 2014, 06:36:31 »
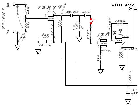
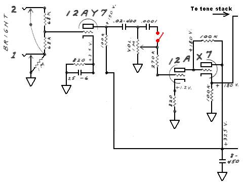
Targitay, Спасибо за схему, но в однотакте получится, что второй триод провиснет без пользы? Там то он в фазоинвертере задействован. Вот например одна из схем бассменов:

Нельзя ли вместо первого каскада вставить чамп с эквалайзером? В бассмане смотрю проблему отъедания сигнала решили просто перенеся эквалайзер после всех каскадов усиления. Или уж тогда не изобретать велосипед и повторить бассман просто? Но опять же, второй триод провиснет, потому что смысла в канале bright отдельном я не вижу, если меня глаза не обманывают, это можно решить собственно переключателем соответсвующим.

Оффлайн Targitay

  • Завсегдатай
  • ***
  • Сообщений: 362
Re: Усилок из Vef Radio. Несколько вопросов.
« Ответ #493 : Августа 31, 2014, 06:51:29 »
Targitay,
1)Спасибо за схему, но в однотакте получится, что второй триод провиснет без пользы? Там то он в фазоинвертере задействован.

2) Вот например одна из схем бассменов:

Нельзя ли вместо первого каскада вставить чамп с эквалайзером? В бассмане смотрю проблему отъедания сигнала решили просто перенеся эквалайзер после всех каскадов усиления. Или уж тогда не изобретать велосипед и повторить бассман просто? Но опять же, второй триод провиснет, потому что смысла в канале bright отдельном я не вижу, если меня глаза не обманывают, это можно решить собственно переключателем соответсвующим.

1)По схеме от БлюзЭкспресса:  просто (грубо) к схеме Чампа приделываешь (спереди) Алембик и чуток подправляешь номиналы.

2) Так я и говорю: выкидываешь канал "normal", в канале "bright" ставишь выключатель этого самого "брайта", а освободившийся триод первой лампы используешь во входном каскаде собственно Чампа.
« Последнее редактирование: Августа 31, 2014, 07:59:54 от Targitay »

Оффлайн Андрей Мальков Автор темы

  • Эксперт
  • *****
  • Сообщений: 1521
  • GuitarPlayer.Ru fan!
Re: Усилок из Vef Radio. Несколько вопросов.
« Ответ #494 : Августа 31, 2014, 10:34:13 »
Targitay, То есть первый вариант - по сути "чамп в квадрате"? А во втором - смысл понял, но снова получается, что один триод зависает... а если первая лампа триоды в параллель, а потом чамп, и эквалайзер перед выходом?