Сам себе и отвечу.
Да и может кому нибудь пригодится.
Конечно это наверно дурдом покупать усилитель за 500 евро и тут же лезть в него паяльником.
Но если он тебя не устраивает и не получаешь удовольствия от игры. Короче сам виноват.
Посмотрел схемы старых Воксов.
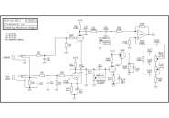
АС15 нашел схему 1959 и 1960 года, но в предварительном усилителе стоит пентод первой лампой и с АС15С1 схема не бьется.
Зато похож усилитель мощности, даже есть TONE СUT, но нет мастергромкости.
Предварительный усилитель АС15С1 сделали типа АС30, но в первой лампе изменили сопротивление анодного и сеточного резисторов и понапихали фильтрующих конденсаторов, которых и близко нет в старом АС30.
И еще этот операционный усилитель

.
На буржуйских ресурсах нашел несколько отчетов о модификации АС15С1, АС15СС, АС15HW. Все они сводятся к попытке приблизиться к старому АС30 в звуке, приближая схему и комплектующие (вплоть до исключения операционного усилителя из цепи (OpAmp mod) с потерей при этом функции ревера

):
http://forum.metroamp.com/viewtopic.php?f=10&t=39805http://www.guitarnewsdaily.com/2008/06/vox-ac15cc-mod-guide/http://www.nikplayer.com/2012/01/ac15hw1-modifications.html?showComment=1377496666657#c8015855609921521171http://forum.metroamp.com/viewtopic.php?f=10&t=40069&start=0http://www.voxamps.com/forum/forum.php?id=4Выполнил два из них (издевался только над Top Boost каналом):
1 Resistor plate mod - заменил анодный R6 (с 100k на 220k) и сеточный R9 (c 32k на 62k (в AC30 стоит 68k но в магазине его не было)) резисторы первой лампы TB канала. Делают его для увеличения гейна и лучшего вхождения в перегруз.
2 Bright cap mod - исключение из схемы конденсатора С8 (120p) (и еще по ходу фильтрующие конденсаторы С67, С68). Делают его чтобы усилитель "звучал" с педалями перегруза.
Поиграть толком не успел, но ощущения положительные. Не пожалел что сделал.
И гейну добавилось (только чуть, искусственные флажолеты не берутся, но риффы стало играть приятней (до мода собственный перегруз был "как будто через радиолу в детстве")), и с примочкой Boss DS-1 звук стал получше.
Что то мне кажется что своей смертью этот усилок не умрет.
