Автор Тема: Marshall DSL1 замена ламп  (Прочитано 11377 раз)

0 Пользователей и 1 Гость просматривают эту тему.

Оффлайн AZG

  • Живу на форуме
  • *******
  • Сообщений: 95612
  • Санкт-Петербург
    • AZG CUSTOM
Re: Marshall DSL1 замена ламп
« Ответ #90 : Февраля 26, 2023, 17:48:47 »
serguyan, Да, стоит попробовать пару 12AY7. Они сами по себе довольно вкусные по звуку. Ну и гейн снизится до приемлемого уровня.

Оффлайн serguyan

  • Эксперт
  • *****
  • Сообщений: 2108
Re: Marshall DSL1 замена ламп
« Ответ #91 : Февраля 26, 2023, 17:57:02 »
serguyan, Да, стоит попробовать пару 12AY7. Они сами по себе довольно вкусные по звуку. Ну и гейн снизится до приемлемого уровня.

Это будет лучше чем моды PPIMV ставить? И вообще по той схеме такой мод возможен? И нужен ли для данного агрегата... я просто ничерта не понимаю по тех части.

Нужно понимать, что я упорно пытаюсь выжать из усилка решение под свои поступающие задачи, не более того, я не баловства ради спрашиваю, все вопросы из практической плоскости занятий музыкой.
« Последнее редактирование: Февраля 26, 2023, 17:59:31 от serguyan »

Оффлайн AZG

  • Живу на форуме
  • *******
  • Сообщений: 95612
  • Санкт-Петербург
    • AZG CUSTOM
Re: Marshall DSL1 замена ламп
« Ответ #92 : Февраля 26, 2023, 17:58:32 »
Это будет лучше чем моды PPIMV ставить? И вообще по той схеме такой мод возможен? И нужен ли для данного агрегата... я просто ничерта не понимаю по тех части.

Для начала разберись в стоке. Если упрешься в какие-то нюансы - будем решать. Моды надо делать только тогда, когда есть полное понимание в их необходимости.

Оффлайн serguyan

  • Эксперт
  • *****
  • Сообщений: 2108
Re: Marshall DSL1 замена ламп
« Ответ #93 : Февраля 26, 2023, 18:04:34 »
Ну тогда две лампы заменю, понял. Логично попробовать сначала так. Согласен.  :)

Оффлайн serguyan

  • Эксперт
  • *****
  • Сообщений: 2108
Re: Marshall DSL1 замена ламп
« Ответ #94 : Марта 10, 2023, 14:59:04 »
Для начала разберись в стоке. Если упрешься в какие-то нюансы - будем решать. Моды надо делать только тогда, когда есть полное понимание в их необходимости.

Оказывается этот вопрос для данного усилка решается одним лишь потенциометром в разрыв. Даже лезть в схему не надо.

Однако осталась последняя загадка. Последняя вообще и впринципе.

При переключении режимов чистого и грязного каналов есть popping щелчок треск в динамик.
При этом.
Треск есть всегда, когда струны звучат. Есть синусоида и при переключении срабатывания в динамик.
Если струны заглушены, то треска при переключении нет никогда.

Этот эффект давно известен в сети, на разных усилках, но никто не знает как его решить.

Предлагают:
- Уменьшить сопротивление и мощность светодиодов у кнопки каналов
Якобы с 20ком на 2ком достаточно
- Ставить перед светодиодами каналовконденсатор одним концом на массу
- перед реле переключения каналов ставить мод который сбрасывает громкости в ноль, поступающей синусоиды с гитары в усилок
- иные подобные решения

Если Вы когда-то решали данную задачу, как она решается минимальными потерями вмешательствами?

Жить можно и так, просто заглушить струны перед переключением каналов, но всё же круто было бы не глушить и не получать щелчок в динамик.

Оффлайн AZG

  • Живу на форуме
  • *******
  • Сообщений: 95612
  • Санкт-Петербург
    • AZG CUSTOM
Re: Marshall DSL1 замена ламп
« Ответ #95 : Марта 10, 2023, 15:08:21 »
serguyan, Самое оптимальное при переключении делать мют. Электронной схемой. Зависит от системы переключения. Но в целом не шибко сложная операция. щелчок все-равно будет, он очень тихий.

Для полного исключения надо микропроцессорное управление. Чтобы мютило ДО переключения и уже после этого возвращало звук. Простые системы срабатывают по факту переключения.

Оффлайн serguyan

  • Эксперт
  • *****
  • Сообщений: 2108
Re: Marshall DSL1 замена ламп
« Ответ #96 : Марта 10, 2023, 15:19:12 »
А от чего оно так щелкает? Там же электронные реле. Можно было сразу нормально сделать на заводе или там нерешаемая такая проблема?
Дорогостоящая?

Надеюсь она на лампы нагрузки не даёт.
« Последнее редактирование: Марта 10, 2023, 15:21:58 от serguyan »

Оффлайн AZG

  • Живу на форуме
  • *******
  • Сообщений: 95612
  • Санкт-Петербург
    • AZG CUSTOM
Re: Marshall DSL1 замена ламп
« Ответ #97 : Марта 10, 2023, 16:01:31 »
Щелкают не только сами реле, но и изменение потенциала между переключаемыми цепями. По другому не сделать. Это как-раз нормально.

Есть вариант переключения не на реле, а на резисторных оптопарах. Оно работает мягко. Но при этом негативно влияет на звук. Ну и до кучи, эти оптопары потихоньку снимают с производства.

Оффлайн nout

  • Живу на форуме
  • *******
  • Сообщений: 9370
  • Нестабильный ясень
Re: Marshall DSL1 замена ламп
« Ответ #98 : Апреля 06, 2023, 17:04:56 »
serguyan, Самое оптимальное при переключении делать мют. Электронной схемой. Зависит от системы переключения. Но в целом не шибко сложная операция. щелчок все-равно будет, он очень тихий.

Для полного исключения надо микропроцессорное управление. Чтобы мютило ДО переключения и уже после этого возвращало звук. Простые системы срабатывают по факту переключения.

Кулибины предлагают обойтись обычными конденсаторами и резисторами. Что скажете?

https://forum.cxem.net/index.php?/topic/115669-%D0%B1%D0%B5%D1%81%D1%88%D1%83%D0%BC%D0%BD%D0%BE%D0%B5-%D0%BF%D0%B5%D1%80%D0%B5%D0%BA%D0%BB%D1%8E%D1%87%D0%B5%D0%BD%D0%B8%D0%B5-%D0%BA%D0%B0%D0%BD%D0%B0%D0%BB%D0%BE%D0%B2-%D0%B3%D0%B8%D1%82%D0%B0%D1%80%D0%BD%D0%BE%D0%B3%D0%BE-%D1%83%D1%81%D0%B8%D0%BB%D0%B8%D1%82%D0%B5%D0%BB%D1%8F-%D0%BD%D0%B0-%D1%80%D0%B5%D0%BB%D0%B5/

... и добавил:

Ну тогда две лампы заменю, понял. Логично попробовать сначала так. Согласен.  :)

В этом усилке нет BIAS, т.е. не нужно подстраивать смещение выходной лампы. Поэтому лампу выходную нужно использовать рекомендованного типа ECC82.

А на лампах преда можно использовать любую совместимую. И даже можно не пару, хотя желательно пару.
Единственное, что слабые по мощности лампы в преде будут убиваться ,быстрее, чем штатные ECC83 потому что ток анода не регулируется.

И шум при переключении каналов или при выключении усилка в динамик у всех маршалов, солдано, пиви, фендеров и т.д. При чём у одних он есть, у других его нет. Непонятно. Скорее всего проблема есть у всех усилителей, просто некоторые старательно не замечают.

« Последнее редактирование: Апреля 06, 2023, 17:12:44 от nout »

Оффлайн AZG

  • Живу на форуме
  • *******
  • Сообщений: 95612
  • Санкт-Петербург
    • AZG CUSTOM
Re: Marshall DSL1 замена ламп
« Ответ #99 : Апреля 06, 2023, 18:07:52 »
nout, Да, схема снижает коммутационный щелчок как и притяжка контактов к земле. Но полностью щелчок может убрать только мют. Я использую все три способа чтобы полностью исключить, да и то очень легкий мягкий хлопок таки имеется. Довольно тихий, но на больших громкостях заметный при тишине.

Как я ранее и писал, сделать идеально тихо можно только программно. Когда мют включается ДО переключения и выключается ПОСЛЕ. Ни одна простая схема не может сделать ДО.

Оффлайн nout

  • Живу на форуме
  • *******
  • Сообщений: 9370
  • Нестабильный ясень
Re: Marshall DSL1 замена ламп
« Ответ #100 : Апреля 06, 2023, 20:30:34 »
nout, Да, схема снижает коммутационный щелчок как и притяжка контактов к земле. Но полностью щелчок может убрать только мют. Я использую все три способа чтобы полностью исключить, да и то очень легкий мягкий хлопок таки имеется. Довольно тихий, но на больших громкостях заметный при тишине.

Как я ранее и писал, сделать идеально тихо можно только программно. Когда мют включается ДО переключения и выключается ПОСЛЕ. Ни одна простая схема не может сделать ДО.

Ну у вас то да, там всё продумано.

А можете подсказать что-то простейшее (нарисовать прям тут) что можно сделать с дсл1 для уменьшения этого эффекта на каналах? И может это ещё и уберёт щелчки при выключении. Что можно добавить/убавить простейшее в схему?

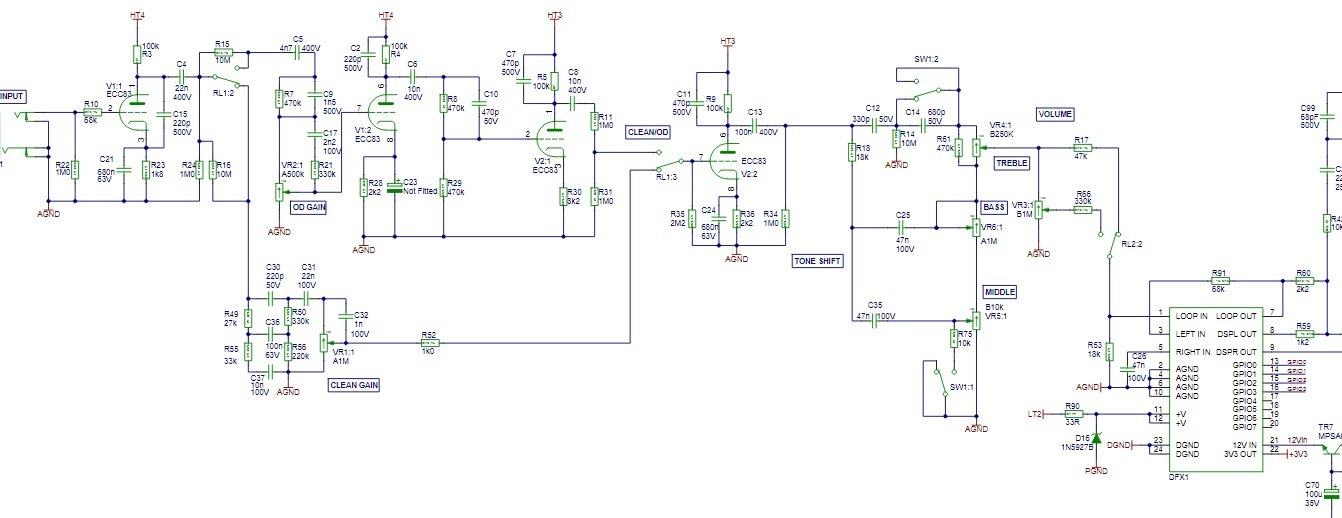
Про притяжку контактов к земле не понял, на схеме все катоды к земле вроде.
« Последнее редактирование: Апреля 06, 2023, 20:35:21 от nout »

Оффлайн AZG

  • Живу на форуме
  • *******
  • Сообщений: 95612
  • Санкт-Петербург
    • AZG CUSTOM
Re: Marshall DSL1 замена ламп
« Ответ #101 : Апреля 06, 2023, 20:47:52 »
nout, Я пишу общие сведения для понимания, а не только про сабж. По схеме там уже все притянуто.

Самое простое - подвешиваться на линии управления реле и мют-транзистор перед мощником. Самое простое и доступное - мют из 5150 например.

А щелчок по питанию - надо смотреть что там в реалии по анодке стоит. И есть ли резистор утечки.

Оффлайн nout

  • Живу на форуме
  • *******
  • Сообщений: 9370
  • Нестабильный ясень
Re: Marshall DSL1 замена ламп
« Ответ #102 : Апреля 06, 2023, 21:58:13 »
nout, Я пишу общие сведения для понимания, а не только про сабж. По схеме там уже все притянуто.

Самое простое - подвешиваться на линии управления реле и мют-транзистор перед мощником. Самое простое и доступное - мют из 5150 например.

А щелчок по питанию - надо смотреть что там в реалии по анодке стоит. И есть ли резистор утечки.

В германии лезут чистить сами реле чистящими средствами. Кому то даже помогает.   :)
Или меняют реле! Контакты контакты.

Мют надо посмотреть, спасибо за наводку.

... и добавил:

serguyan, Именно так, можно подобрать сет ламп, который будет звучать с меньшим гейном и достаточно вкусно.

Вот тут человек решил заморочится и сделал вкусно из DSL1 под оригинальный звук. Семплы есть внутри, можно послушать.
Бонусом ещё тонстек настроил под солдано, звучит просто крышеснос.
https://aurora-audio.co.uk/upcoming-mod-project-marshall-dsl1-mods/

Единственное, что описание есть мода, а схемы пока нет.

Из этого маленького засранца можно выжимать и выжимать.  ;D
« Последнее редактирование: Апреля 07, 2023, 08:48:03 от nout »

Оффлайн AZG

  • Живу на форуме
  • *******
  • Сообщений: 95612
  • Санкт-Петербург
    • AZG CUSTOM
Re: Marshall DSL1 замена ламп
« Ответ #103 : Апреля 07, 2023, 09:08:04 »
nout, Не надо реле вскрывать, это полумеры и тем более большинство реле герметичны и вскрытие может ухудшить их работу. Менять реле тоже полумеры, со временем так же начнет щелкать. Не просто так в серьезных аппаратах применяют МЮТ, а не все это.

А мод - это все на любителя. Моддятся любые аппараты. Тут вопрос необходимости этого. Сейчас времена другие - часто проще купить более подходящий аппарат чем корежить это.

Оффлайн Rolly

  • Живу на форуме
  • *******
  • Сообщений: 9061
  • Мнение - не повод получить пулю сразу.
Re: Marshall DSL1 замена ламп
« Ответ #104 : Апреля 07, 2023, 09:38:25 »
Бонусом ещё тонстек настроил под солдано, звучит просто крышеснос.
https://aurora-audio.co.uk/upcoming-mod-project-marshall-dsl1-mods/

Единственное, что описание есть мода, а схемы пока нет.
Автор описал там изменения настолько точно, что разбирающемуся в схемотехнике легко самому нарисовать эти изменения.