У меня DD-7 в параллельной петле JVM410 никак не перегружается. SEND усилка -> INPUT "B" дилея -> OUTPUT "A" дилея -> RETURN усилка. Кнопка уровня нажата на -10db.
... и добавил:
а wah в input надо воощето 
Спасибо всем кто не равнодушен и помогает.
насчет Wah - мне больше нравится звучание, когда квакушка включена после перегрузов.
а вот насчет включения в параллельную петлю дилея, - не совсем согласен.
нужно выкрутить ручку до упора - wet. тогда параллельная петля по сути превращается в последовательную. И напрашивается вопрос "нафига козе баян".
разве что только из-за кнопки - 10Дб. но и этого не достаточно, как оказалось.
блин! вопрос не решен! буду копать.
со всеми моими педалями все в порядке, в линию звучат идеально.
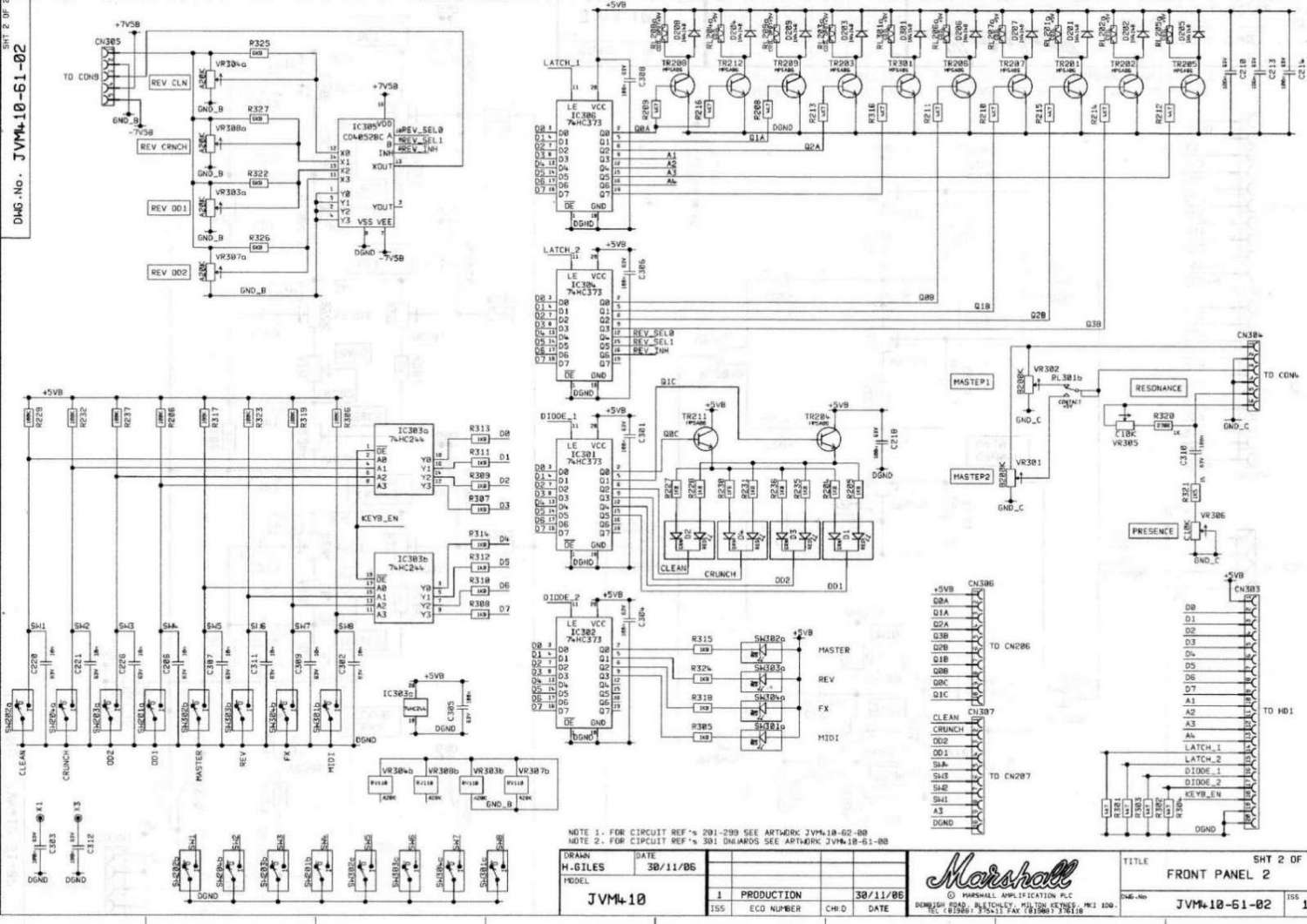
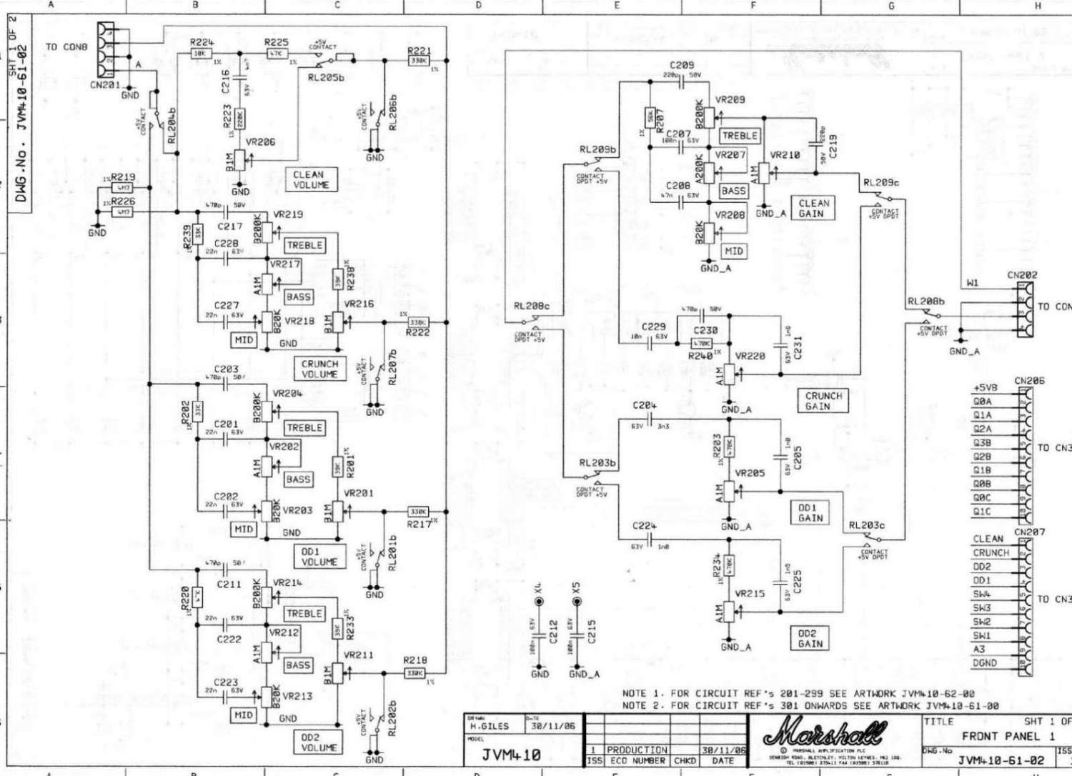
чувствительность обычных гитарных педалей в большинстве случаев -20Дб, а в петле JVM410 +4Дб
я перекопал кучу англоязычных форумов, и люди тоже возмущаются, некоторые даже возвращают усилки из-за этого.
Просто в этом усилке петля сделана в каскаде предусилителя с высоким уровнем сигнала, примочки его не выдерживают
В общем вот к чему пришел.
Три варианта:
1. Искать педали или процессор с высоким запасом по перегрузу (т.е. отказаться от своих и купить новые способные схавать +4Дб)
2. подобрать буфер в цепь петли, который будет адаптировать уровень после SEND, но как его снова поднять для RETURN? компенсировать ручками мастер-громкость?(при этом возможно будут частотные изменения в сигнале) и общий уровень просядет.
3. залезть в схему и там поковырять, заменить лампы в предусилителе или изменить коэффициенты усиления в на входе-выходе петли. Схема-то есть уже.
, но это теория. я не спец в радио электронике. Нужна консультация.