Автор Тема: SH/TB-15 Alternative-8 от SD  (Прочитано 43241 раз)

0 Пользователей и 1 Гость просматривают эту тему.

Оффлайн DR_EPE

  • Эксперт
  • *****
  • Сообщений: 2866
  • Пыщ! Пыщ! Сотона!
Re: SH/TB-15 Alternative-8 от SD
« Ответ #240 : Июля 05, 2010, 07:27:16 »
Модель Schecter C-1 Bloodmoon.
Бридж - ТОМ, готоховский, расстояние между струнами в бридже 52 мм, в неке 48. Стоят соответствующие датчики.

http://guitarparts5150.ru/bridzh-gotoh-ge103bt-hrom-p-92.html

Это ссылка на чертеж бриджа , в котором тоже указано что расстояние равно 52 мм

... и добавил:

Хотя с другое стороны на флойд роуз это же расстояние равно 54мм.
В бридже у меня стоит HB-102b. И его расстояние 52 мм.
Ребята, у кого бриджевый сеймур стоит - померяйте расстояние между центрами, пожалуйста.
Ставь трембакер. У меня на гитаре 52мм и 500T(с расстоянием 53мм) стоит там как миленький, а вот X2N power plus древний со стандартным расстоянием был совсем впритык и хреново снимал 6 струну. Я вообще на 51мм ставил трембакер, не по центру явно было, но болты чуть покрутил и все отлично :)

Оффлайн AZG

  • Живу на форуме
  • *******
  • Сообщений: 95649
  • Санкт-Петербург
    • AZG CUSTOM
Re: SH/TB-15 Alternative-8 от SD
« Ответ #241 : Июля 05, 2010, 07:32:40 »
AZG, почему у меня тады несовпадает?

А я почем знаю? Хотя есть редкие ТОМ с более широким расположением струн, но не на Шектерах и т.п. ширпотребе. И повторяю, из Сеймуров надо брать SH-Xb. Т.е. с индексом b в конце. Все без проблем встает.

Оффлайн Feniks777

  • Завсегдатай
  • ***
  • Сообщений: 284
Re: SH/TB-15 Alternative-8 от SD
« Ответ #242 : Июля 05, 2010, 08:42:40 »
Спасибо, положусь на ваш опыт.

Оффлайн DieReX

  • Опытный
  • ****
  • Сообщений: 541
  • Washburn WI-65PRO
Re: SH/TB-15 Alternative-8 от SD
« Ответ #243 : Июля 05, 2010, 09:15:28 »
А я почем знаю? Хотя есть редкие ТОМ с более широким расположением струн, но не на Шектерах и т.п. ширпотребе. И повторяю, из Сеймуров надо брать SH-Xb. Т.е. с индексом b в конце. Все без проблем встает.
AZG, ТОМ готох http://guitarparts5150.ru/bridzh-gotoh-ge103bt-hrom-p-92.html 52мм ширина ??? 15шка точно бриджевая, да и нэковых их нет :rolleyes: :pozor:, с стоковым бриджем так же было-либо в одну сторону несовпадение либо вдругую :(

... и добавил:

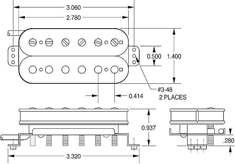
расстояние на tb между центрами сердечников 0,414 дюймов (1дюйм грубо=25мм)-те 0,414*25=10,35мм или округлив 10,4мм. расстояние между центрами крайних сердечников 10,4*5=51,75мм или округлив 52мм. таким образом для бриджа типа ТОМ с расстоянием между центрами крайних седел 52мм подходит tb. Вывод: я лохонулся :pozor: выбрав SH :pozor: :rolleyes: ;D

... и добавил:

ну мну всеравно, провалов в звучании нет, ширины СХ хватает для образования магнитного поля ;) 8)

... и добавил:

да и с ТВ тож несовпадало ;D
« Последнее редактирование: Июля 05, 2010, 09:35:48 от DieReX »

Оффлайн AZG

  • Живу на форуме
  • *******
  • Сообщений: 95649
  • Санкт-Петербург
    • AZG CUSTOM
Re: SH/TB-15 Alternative-8 от SD
« Ответ #244 : Июля 05, 2010, 09:44:34 »
DieReX, Какие-то кривые расчеты. Для межструнного 10-10.4 надо SH, для межструнного 10.6-10.8 надо ТВ. У меня дома на самопале межструнное 10.8, ТВ встает идеально. На фотке выше на Шектере межструнное 10.4. Стандартный ТОМ ТонПрос. Стоит SH. И не забывай, что в районе датчика межструнное меньше, ибо струны сходятся.

Оффлайн DieReX

  • Опытный
  • ****
  • Сообщений: 541
  • Washburn WI-65PRO
Re: SH/TB-15 Alternative-8 от SD
« Ответ #245 : Июля 05, 2010, 09:53:38 »
чертеж выше ТВ-15 с офсайта сеймура, и согласно ему у ТВ межцентровое 10.4мм. где криво посчитал, все вроде сходится?

... и добавил:

http://www.seymourduncan.com/products/electric/humbucker/alternative_8_s/

... и добавил:

и че интересно, для сх на чертеже неуказано осевое расстояние...
« Последнее редактирование: Июля 05, 2010, 09:55:44 от DieReX »

Оффлайн AZG

  • Живу на форуме
  • *******
  • Сообщений: 95649
  • Санкт-Петербург
    • AZG CUSTOM
Re: SH/TB-15 Alternative-8 от SD
« Ответ #246 : Июля 05, 2010, 10:11:00 »
DieReX, Все верно, но на бридже для ТВ 10.6-10.8. Понимаешь разницу? Для СШ расстояние на датчике 10.2, на бридже 10.4.

Оффлайн DieReX

  • Опытный
  • ****
  • Сообщений: 541
  • Washburn WI-65PRO
Re: SH/TB-15 Alternative-8 от SD
« Ответ #247 : Июля 05, 2010, 10:15:27 »
т.е. на моей фото с 15кой это норма :o?

... и добавил:

.

Оффлайн AZG

  • Живу на форуме
  • *******
  • Сообщений: 95649
  • Санкт-Петербург
    • AZG CUSTOM
Re: SH/TB-15 Alternative-8 от SD
« Ответ #248 : Июля 05, 2010, 10:19:23 »
DieReX, Так измеряй расстояние на ТОМ-е. Я говорю про те, что видел. Твой Вашик мне не попадал в руки, ничего не могу гарантировать. Гооворю же, есть редкие ТОМ-ы, где требуется ТВ. Твой вариант вполне реален.

Оффлайн DieReX

  • Опытный
  • ****
  • Сообщений: 541
  • Washburn WI-65PRO
Re: SH/TB-15 Alternative-8 от SD
« Ответ #249 : Июля 05, 2010, 10:22:49 »
на томе между струнами ровно 52мм ??? ну ладно ,че есть то есть,мне по бубну :crazy:

... и добавил:

главное что 15ка радует 8)

Оффлайн AZG

  • Живу на форуме
  • *******
  • Сообщений: 95649
  • Санкт-Петербург
    • AZG CUSTOM
Re: SH/TB-15 Alternative-8 от SD
« Ответ #250 : Июля 05, 2010, 10:27:54 »
DieReX, Если 52мм, то получаем 10,4 межструнного, соответсвенно над датчиком будет что-то в районе 10,2, что и есть СШ.

Оффлайн DieReX

  • Опытный
  • ****
  • Сообщений: 541
  • Washburn WI-65PRO
Re: SH/TB-15 Alternative-8 от SD
« Ответ #251 : Июля 05, 2010, 10:43:35 »
у мну наверное просто датчик близко к бриджу, поэтому так получилось

... и добавил:

 :crazy: ;D
« Последнее редактирование: Июля 05, 2010, 10:46:22 от DieReX »

Оффлайн Feniks777

  • Завсегдатай
  • ***
  • Сообщений: 284
Re: SH/TB-15 Alternative-8 от SD
« Ответ #252 : Июля 05, 2010, 13:56:16 »
Итак, мои замеры.
Длина тюноматика , установленного под углом - 54
Ширина струн НА БРИДЖЕ 52
Ширина струн над бриджевым датчиком 52
Ширина струн над нековым датчиком - 48
Расстояние между центрами у датчика HB-102bridge(думаю все расстояния у него такие же как и у SH) - 52!!!!
Расстояние между центрами у датчика HB-102neck(думаю все расстояния у него такие же как и у SH) - 48!!!!
Вывод - для тюноматика - SH-15.
Магниты стоят почти идеально, если делать скидку на то что датчик сам установлен под углом - ближе к басовым струнам, чем к тонким

Оффлайн AZG

  • Живу на форуме
  • *******
  • Сообщений: 95649
  • Санкт-Петербург
    • AZG CUSTOM
Re: SH/TB-15 Alternative-8 от SD
« Ответ #253 : Июля 05, 2010, 14:30:55 »
Feniks777, Все правильно.

DieReX,  ???

Оффлайн DieReX

  • Опытный
  • ****
  • Сообщений: 541
  • Washburn WI-65PRO
Re: SH/TB-15 Alternative-8 от SD
« Ответ #254 : Июля 05, 2010, 16:16:37 »
Feniks777, как поставишь выложи фотку, посмотрим...