Автор Тема: fewtubefx  (Прочитано 196177 раз)

0 Пользователей и 4 Гостей просматривают эту тему.

Оффлайн fewa-watraco Автор темы

  • Ветеран форума
  • ******
  • Сообщений: 3858
  • fewtubefx
Re: fewtubefx
« Ответ #3060 : Июля 17, 2023, 22:50:08 »
Плагин на основе Mesa Bass 400
https://fewtubefx.blogspot.com/2023/07/mvint-bass.html


Плагин на основе Mesa Bass 400+
https://fewtubefx.blogspot.com/2023/07/mplus-bass.html

Оффлайн fewa-watraco Автор темы

  • Ветеран форума
  • ******
  • Сообщений: 3858
  • fewtubefx
Re: fewtubefx
« Ответ #3061 : Июля 20, 2023, 16:03:47 »
Плагин на основе Mesa D-180
https://fewtubefx.blogspot.com/2023/07/md-bass.html

Оффлайн fewa-watraco Автор темы

  • Ветеран форума
  • ******
  • Сообщений: 3858
  • fewtubefx
Re: fewtubefx
« Ответ #3062 : Июля 22, 2023, 06:59:17 »
Готовлю вот так такой басовый ништяк. Кто угадает без поиска по картинкам?


... и добавил:

Никто не угадал.
Плагин на основе Verellen Meatsmoke
https://fewtubefx.blogspot.com/2023/07/vm-bass.html
« Последнее редактирование: Июля 22, 2023, 18:25:05 от fewa-watraco »

Онлайн sugamort

  • Ветеран форума
  • ******
  • Сообщений: 4626
  • НЖТИ 99683 ТРАВИЛЬНЫЙ 6790 6710
Re: fewtubefx
« Ответ #3063 : Июля 22, 2023, 20:32:31 »
Плагин на основе Verellen Meatsmoke

У них, кстати, за счёт некрашенной фанеры, вскрытой морилкой, и выжженого лого на передней панели ОООООЧЕНЬ узнаваемый внешний вид

Оффлайн fewa-watraco Автор темы

  • Ветеран форума
  • ******
  • Сообщений: 3858
  • fewtubefx
Re: fewtubefx
« Ответ #3064 : Июля 22, 2023, 21:53:36 »
У них, кстати, за счёт некрашенной фанеры, вскрытой морилкой, и выжженого лого на передней панели ОООООЧЕНЬ узнаваемый внешний вид
Вообще, искал фотку в толексе для плагина, но не смог найти анфас.



Оффлайн fewa-watraco Автор темы

  • Ветеран форума
  • ******
  • Сообщений: 3858
  • fewtubefx
Re: fewtubefx
« Ответ #3065 : Июля 24, 2023, 21:18:48 »
Плагин на основе Trace Elliot V8
https://fewtubefx.blogspot.com/2023/07/trc-bass.html

Оффлайн fewa-watraco Автор темы

  • Ветеран форума
  • ******
  • Сообщений: 3858
  • fewtubefx
Re: fewtubefx
« Ответ #3066 : Июля 29, 2023, 18:13:55 »
Плагин на основе Sound City B150
Темброблок заменил на фендеровский.
https://fewtubefx.blogspot.com/2023/07/snd-bass.html

Оффлайн fewa-watraco Автор темы

  • Ветеран форума
  • ******
  • Сообщений: 3858
  • fewtubefx
Re: fewtubefx
« Ответ #3067 : Августа 05, 2023, 10:05:31 »
Плагин на основе Peavey TKO 65
https://fewtubefx.blogspot.com/2023/08/pvk-bass.html

Оффлайн fewa-watraco Автор темы

  • Ветеран форума
  • ******
  • Сообщений: 3858
  • fewtubefx
Re: fewtubefx
« Ответ #3068 : Августа 12, 2023, 20:35:13 »
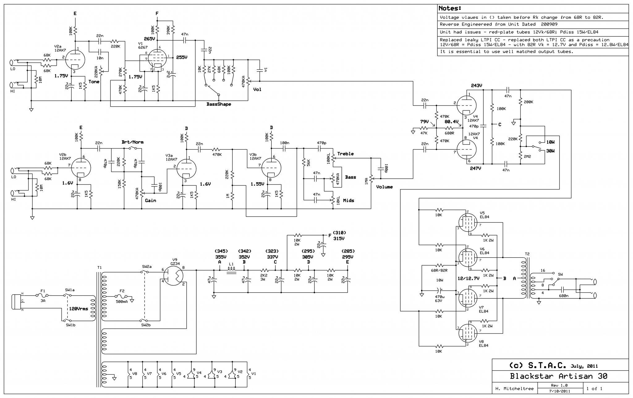
Плагин на основе Blackstar Artisan 30H
https://fewtubefx.blogspot.com/2023/08/rts-amp.html

Оффлайн fewa-watraco Автор темы

  • Ветеран форума
  • ******
  • Сообщений: 3858
  • fewtubefx
Re: fewtubefx
« Ответ #3069 : Августа 15, 2023, 21:00:30 »
Плагин на основе Alembic F-1X
https://fewtubefx.blogspot.com/2023/08/alb-bass.html

Оффлайн SndyAneap

  • Частый посетитель
  • **
  • Сообщений: 119
  • GuitarPlayer.Ru fan!
Re: fewtubefx
« Ответ #3070 : Августа 18, 2023, 16:35:02 »
Здравствуйте, а можно плагин на основе педали Morley JD10?  :rolleyes:

Оффлайн fewa-watraco Автор темы

  • Ветеран форума
  • ******
  • Сообщений: 3858
  • fewtubefx
Re: fewtubefx
« Ответ #3071 : Августа 18, 2023, 17:43:18 »
Здравствуйте, а можно плагин на основе педали Morley JD10?  :rolleyes:
Здравствуйте, к сожалению, на данный момент я не делаю плагины на основе педалек, неоднократно пытался, но результат меня не устраивает. Схему нашел.
« Последнее редактирование: Октября 31, 2023, 07:44:45 от fewa-watraco »

Оффлайн fewa-watraco Автор темы

  • Ветеран форума
  • ******
  • Сообщений: 3858
  • fewtubefx
Re: fewtubefx
« Ответ #3072 : Августа 20, 2023, 08:44:15 »
Плагин на основе Fender Bassman 100T
https://fewtubefx.blogspot.com/2023/08/fnt-bass.html

Оффлайн fewa-watraco Автор темы

  • Ветеран форума
  • ******
  • Сообщений: 3858
  • fewtubefx
Re: fewtubefx
« Ответ #3073 : Августа 25, 2023, 18:07:39 »
Плагин на основе Vadis PV20
https://fewtubefx.blogspot.com/2023/08/vds-amp.html

Схема напоминает Matamp GT100.
« Последнее редактирование: Августа 25, 2023, 18:10:46 от fewa-watraco »

Оффлайн fewa-watraco Автор темы

  • Ветеран форума
  • ******
  • Сообщений: 3858
  • fewtubefx
Re: fewtubefx
« Ответ #3074 : Сентября 02, 2023, 06:31:43 »
Плагин на основе Peavey Ultra Plus
https://fewtubefx.blogspot.com/2023/09/pvpult-amp.html