Автор Тема: Ламповый преамп для записи - здравствуй ЗВУК!!  (Прочитано 503312 раз)

0 Пользователей и 1 Гость просматривают эту тему.

Оффлайн AntonVIP Автор темы

  • Живу на форуме
  • *******
  • Сообщений: 13729
  • Люблю качественную музыку в стиле "мясо"
    • Страница на ютубе
вполне корректно

Спасибо! Тест уже записал, щас обработаю кабсимом, экспортирую в мп3 и выложу..

... и добавил:

Да, на этих примерах мне стало ясно, какую роль вносит в звук мощник... Познавательно, однако  :rolleyes: :rolleyes:


Да хер его ещё знает, где эти китайцы в бугере влепили этот лайн аут... Знать бы, тогда было бы интереснее.. Специально для того, чтоб посмотреть бошку лишний раз разбирать не буду..
« Последнее редактирование: Июня 04, 2014, 16:43:09 от AntonVIP »

Оффлайн Santjago

  • Живу на форуме
  • *******
  • Сообщений: 10916
  • Hard As A Rock
Santjago,
Богучаровские торрики подходят

Да, вполне. И цена - шара.

... и добавил:

NSb, видимо Прохожий попутал анодное питающее с напряжением на анодах.
« Последнее редактирование: Июня 04, 2014, 16:49:58 от Santjago »

Оффлайн AntonVIP Автор темы

  • Живу на форуме
  • *******
  • Сообщений: 13729
  • Люблю качественную музыку в стиле "мясо"
    • Страница на ютубе
Сделал примеры. Обработок никаких, только импульс на гитарах, записанных в линию. Файла 2. В первом на мастер повесил расширялку и слэйт диджитал.. Второй без всяких обработок..

В треке 3 варианта звучания: 1-й - микрофоном, 2-й - с сенда, 3-й с линии..

* Bugera_LT.mp3 (1646.54 КБ - загружено 63 раз.)

* Bugera_LT_Without.mp3 (1646.54 КБ - загружено 73 раз.)

Оффлайн PVDHP Vadim

  • Эксперт
  • *****
  • Сообщений: 2893
AntonVIP, ад!

Оффлайн AntonVIP Автор темы

  • Живу на форуме
  • *******
  • Сообщений: 13729
  • Люблю качественную музыку в стиле "мясо"
    • Страница на ютубе
AntonVIP, ад!

Спасибо!! Гейн-то на 9 часов всего лишь на усилке.. Без грелки..

Оффлайн PVDHP Vadim

  • Эксперт
  • *****
  • Сообщений: 2893
AntonVIP, нехилый аппарат  :)

Оффлайн AntonVIP Автор темы

  • Живу на форуме
  • *******
  • Сообщений: 13729
  • Люблю качественную музыку в стиле "мясо"
    • Страница на ютубе
AntonVIP, нехилый аппарат  :)

На самом деле, по звуку аппарат хороший точно.. Мне нравится.. По надёжности - отдельная история, это как покупка автоваза - лотерея.. Можешь отъездить 300 тыс и не снимать крышку клапанов, а можешь - 300 км и капиталка  ;D ;D ;D ;D ;D ;D ;D

Видимо, придётся митол рубить на кранче, ибо на лиде звук уж слишком лютый  :) :) :) :) :)

Оффлайн kynep

  • Ветеран форума
  • ******
  • Сообщений: 6828
  • Руби МиТоЛ!!!
Видимо, придётся митол рубить на кранче, ибо на лиде звук уж слишком лютый  :) :) :) :) :)

А я тебе писал о кранче...  ;)

... и добавил:

Не стоит его недооценивать!

Оффлайн Прохожий_

  • Эксперт
  • *****
  • Сообщений: 1955
    • Звукозапись и создание музыки
Не будет никогда 5150 звучать с таким низким анодным.

Вот правильно они имеют. Для нормальной анодки 350-370В.

Оппа. Вот это я затупил. Точно же, посмотрел напряжения на анодах ламп, но забыл просто глянуть на блок питания. Хорошо, что трансформатор не заказал ещё, а то бы вообще весело было...
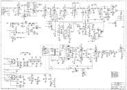
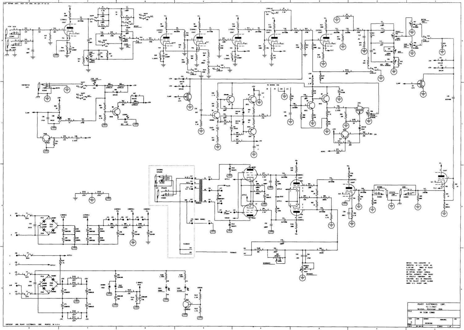
Там на преамп до 300в, а на оконечник аж до 475в идёт. Вот по этой схеме:

Оффлайн NSb

  • Живу на форуме
  • *******
  • Сообщений: 23373
  • shit in - shit out
Прохожий_,
Так ты полную голову планируешь или только пред?

Оффлайн Прохожий_

  • Эксперт
  • *****
  • Сообщений: 1955
    • Звукозапись и создание музыки
Прохожий_,
Так ты полную голову планируешь или только пред?

Только пред. То есть, 300в мне должно хватить.

Оффлайн NSb

  • Живу на форуме
  • *******
  • Сообщений: 23373
  • shit in - shit out
Прохожий_,
более чем, лишнюю напругу всегда можно сбить резистором, что пойдет в пользу фильтрации постоянки

http://smb-effects.ru/?mode=folder&folder_id=562512201

Оффлайн SkinnyVampire

  • Живу на форуме
  • *******
  • Сообщений: 13812
  • индастриал-блондинко =)
    • Братство Вампиров
блин, тор всего 400 рублей??? круууто

... и добавил:

обмотка на 240 это как раз в принципе что и нужно, там после выпрямления но под нагрузкой и фильтрация, как раз будет сколько надо вольт

Оффлайн NSb

  • Живу на форуме
  • *******
  • Сообщений: 23373
  • shit in - shit out
я брал тот, что с повышенной переменкой на накале, для кренки, питаю накал постоянным током - фона нуль

Оффлайн AntonVIP Автор темы

  • Живу на форуме
  • *******
  • Сообщений: 13729
  • Люблю качественную музыку в стиле "мясо"
    • Страница на ютубе
Читал, что для КП желательно поднимать накал потенциалом от анода через делитель.. А как поступить, в случае накала постоянкой? Нужно ли это делать?

... и добавил:

А я тебе писал о кранче...  ;)

... и добавил:

Не стоит его недооценивать!

Ну, его всё равно греть надо, чтоб дж-дж-дж было подходящее..
« Последнее редактирование: Июня 05, 2014, 09:52:42 от AntonVIP »