я не могу чего-то важного понять, что не дает мне понять что и как делать, я не знаю что мне ещё смотреть и читать, меня это доводить до отчаяния
так чего ж ты сразу за лампу берёшься... ты сходи в библиотеку, возьми книжечку, для юного техника, типа "Полупроводниковая радиоэлектроника " Ю.Н. Ронжина, собери какой-нить мультивибратор, потом можно эффект дисторшн из журнала ЮТ за 89 год... а потом уж можно голыми руками и за анодное браться...
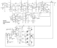
... и добавил:Схема, если что, вот:
интересная у них походу фишка с регулятором foundation в фазике...

надо бы себе такое в оконец опробовать...

хм... интересно... походу, если только преамп собирать, то можно и в два баллона уложиться... заменить катодный повторитель полевиком...
