Автор Тема: OneTriode - Преамп с одним ламповым каскадом (NaLex)  (Прочитано 15028 раз)

0 Пользователей и 1 Гость просматривают эту тему.

Оффлайн fewa-watraco

  • Ветеран форума
  • ******
  • Сообщений: 3881
  • fewtubefx
Re: OneTriode - Преамп с одним ламповым каскадом (NaLex)
« Ответ #75 : Декабря 28, 2018, 00:17:07 »
да там все отлично на 5 +

Оффлайн Alexey N Автор темы

  • Эксперт
  • *****
  • Сообщений: 1312
Re: OneTriode - Преамп с одним ламповым каскадом (NaLex)
« Ответ #76 : Декабря 29, 2018, 07:07:23 »
Поиграл немного в живую через OneTriode. Играть можно. Ректоподобные настройки, как на картинке в предыдущем посте. Зашумлённость из-за того, что втыкаюсь во встроенную звуковую, правда через самодельный буфер на полевом транзисторе (как в примочках Boss).

Оффлайн fewa-watraco

  • Ветеран форума
  • ******
  • Сообщений: 3881
  • fewtubefx
Re: OneTriode - Преамп с одним ламповым каскадом (NaLex)
« Ответ #77 : Декабря 29, 2018, 13:41:08 »
Сделал пред от 5150. Как правильно расчитать мощник на 6l6 по этой схеме для 5150?
Нужен мощник.

Еще сделал VOX AC30, но мощник  использовал от другой модели VOX, где значения были написаны. Не знаю похоже ли на VOX?
Играл в режиме отсечки.

Сделал custom amp, интересный получился.
« Последнее редактирование: Декабря 29, 2018, 22:39:48 от fewa-watraco »

Оффлайн Alexey N Автор темы

  • Эксперт
  • *****
  • Сообщений: 1312
Re: OneTriode - Преамп с одним ламповым каскадом (NaLex)
« Ответ #78 : Декабря 30, 2018, 09:18:50 »
...
Нужен мощник.
...
Сделал таблицы ламп для мощников. Лампы EL34, 6L6CG и KT88. Судя по графикам, KT88 перегрузить сложнее всех.

... и добавил:

Палм-мьют на Ректе от Вадима Таранова звучит интереснее.
« Последнее редактирование: Декабря 30, 2018, 10:32:19 от Alexey N »

Оффлайн fewa-watraco

  • Ветеран форума
  • ******
  • Сообщений: 3881
  • fewtubefx
Re: OneTriode - Преамп с одним ламповым каскадом (NaLex)
« Ответ #79 : Декабря 30, 2018, 14:37:00 »
На мощниках обычно такие детали, что программа не просчитывает ftube. Там бывает 470 ом или вообще 0. Приходится ставить побольше, в итоге фаил мощника все время делает сигнал очень тихим, приходится включать 10Х, а это я не очень люблю).  Ваш фаил мощника на el34 попробовал в новом маршале, середина  с ним громче, но басы поджирает и динамику, или просто не подошел или я что-то не так еще делаю. В общем пока без мощника. 
« Последнее редактирование: Декабря 30, 2018, 15:15:31 от fewa-watraco »

Оффлайн Alexey N Автор темы

  • Эксперт
  • *****
  • Сообщений: 1312
Re: OneTriode - Преамп с одним ламповым каскадом (NaLex)
« Ответ #80 : Декабря 30, 2018, 17:14:53 »
На мощниках обычно такие детали, что программа не просчитывает ftube...
Да, поэтому у меня недоверие к tube_transfer. Я тут составил список проблем:
1) долго считает при большом входном напряжении (слишком много итераций);
2) маленькая амплитуда выходного сигнала (в симуляторе больше);
3) нет возможности сделать таблицу без Ri (слишком много итераций);
4) непонятные обрывы на хвосте (на рисунке).

2306051-0

... и добавил:

А звук у ваc получается хороший, напоминает AC-DC.
« Последнее редактирование: Декабря 30, 2018, 17:28:46 от Alexey N »

Оффлайн deLuther

  • Живу на форуме
  • *******
  • Сообщений: 33530
  • alderman of morning star
    • Malefice
Re: OneTriode - Преамп с одним ламповым каскадом (NaLex)
« Ответ #81 : Декабря 30, 2018, 17:47:25 »
4) Обрыв на хвосте это просто перескакивает с одной ветки решения на другую, были такие же проблемы, решил контролем сходимости, но тут надо делать всё самому, либо надеяться что ньютоновский солвер это может делать сам (типа как в Mathematica).
Без Ri (и Rk) вообще самый простой случай, одно уравнение, надо убрать лишнее, оно будет быстро.

Оффлайн Alexey N Автор темы

  • Эксперт
  • *****
  • Сообщений: 1312
Re: OneTriode - Преамп с одним ламповым каскадом (NaLex)
« Ответ #82 : Декабря 30, 2018, 18:01:16 »
deLuther, там два раза делается ньютон. Куда вставлять контроль сходимости, если не секрет? Твоя таблица без Rk казалось бы подходит, но на чистом даёт неправильные гармоники. Если это из-за контроля сходимости, то возможно он некорректный.

2306053-0
« Последнее редактирование: Декабря 30, 2018, 18:31:46 от Alexey N »

Оффлайн fewa-watraco

  • Ветеран форума
  • ******
  • Сообщений: 3881
  • fewtubefx
Re: OneTriode - Преамп с одним ламповым каскадом (NaLex)
« Ответ #83 : Декабря 30, 2018, 18:10:53 »
И еще одно, то что не получается сделать ламповый перегруз, приходится пользоваться скримерами, а они сразу делают звук цифровым. А еще вопрос, если расчитывать для пентода, там больше параметров надо вносить, программа поддерживает это?

Да звук ycm800 оказался похож на маршал. Удивляюсь, казалось бы ну что там 220 вольт, 160...
или 47к, 68к, 100к  - не такая уж большая разница, но влияет. Я даже там в конце сыграл в стиле ас/дс) само напрашивается, но как там оно играется точно не знаю.

Загагулины в конце исчезают, вроде,  если указать напряжение поменьше. не -10 до 50, а до 25, например.
« Последнее редактирование: Декабря 30, 2018, 18:33:13 от fewa-watraco »

Оффлайн deLuther

  • Живу на форуме
  • *******
  • Сообщений: 33530
  • alderman of morning star
    • Malefice
Re: OneTriode - Преамп с одним ламповым каскадом (NaLex)
« Ответ #84 : Декабря 30, 2018, 18:13:02 »
deLuther, там два раза делается ньютон. Куда вставлять контроль сходимости, если не секрет? Твоя таблица без Rk казалось бы подходит, но на чистом даёт неправильные гармоники. Если это из-за контроля сходимости, то возможно он некорректный.
Ну, во-первых, там не кореновская модель лампы, мне больше понравилось что она напоминает графики из различной литературы при положительных значениях на входе. Я-то полную модель каскада использую, а не шейпер. Контроль сходимости просто заставляет решение не расходиться, для него надо самому делать ньютоно-рафсоновские операции. В питоне же должен быть какой-то солвер для систем линейных уравнений (СЛАУ), можно расписать якобиан самому.
« Последнее редактирование: Декабря 30, 2018, 18:16:01 от deLuther »

Оффлайн Alexey N Автор темы

  • Эксперт
  • *****
  • Сообщений: 1312
Re: OneTriode - Преамп с одним ламповым каскадом (NaLex)
« Ответ #85 : Декабря 30, 2018, 18:30:11 »
И еще одно, то что не получается сделать ламповый перегруз, приходится пользоваться скримерами, а они сразу делают звук цифровым.
...
Загагулины в конце исчезают, вроде,  если указать напряжение поменьше. не -10 до 50, а до 25, например.

Скример дело вкуса.

Чем больше входное напряжение, тем достовернее симуляция.

Оффлайн fewa-watraco

  • Ветеран форума
  • ******
  • Сообщений: 3881
  • fewtubefx
Re: OneTriode - Преамп с одним ламповым каскадом (NaLex)
« Ответ #86 : Декабря 30, 2018, 18:35:53 »
А что на счет значений для расчета пентода?

Оффлайн Alexey N Автор темы

  • Эксперт
  • *****
  • Сообщений: 1312
Re: OneTriode - Преамп с одним ламповым каскадом (NaLex)
« Ответ #87 : Декабря 30, 2018, 18:40:50 »
А что на счет значений для расчета пентода?
Какие там ещё параметры надо вводить? А вообще, tube_transfer изначально создавался только для триода.
« Последнее редактирование: Декабря 30, 2018, 18:42:23 от Alexey N »

Оффлайн fewa-watraco

  • Ветеран форума
  • ******
  • Сообщений: 3881
  • fewtubefx
Re: OneTriode - Преамп с одним ламповым каскадом (NaLex)
« Ответ #88 : Декабря 30, 2018, 18:48:48 »
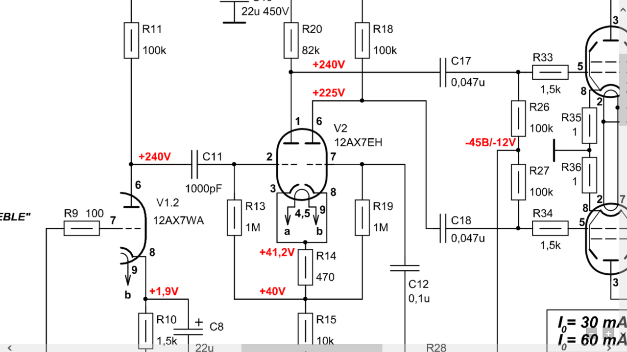
А не ошибся, не пентод. 12AX7EH, просто как ее расчитать правильно.


Оффлайн deLuther

  • Живу на форуме
  • *******
  • Сообщений: 33530
  • alderman of morning star
    • Malefice
Re: OneTriode - Преамп с одним ламповым каскадом (NaLex)
« Ответ #89 : Декабря 30, 2018, 19:02:10 »
fewa-watraco,
Это же фазик, тут так легко не отделаешься.
Поштучно половинки нельзя рассматривать, а всё вместе уже на 8 уравнений тянут (это в случае как JCM800) и то без обратной связи.
Матрица на 7 диагоналей.
« Последнее редактирование: Декабря 30, 2018, 19:06:16 от deLuther »