Автор Тема: Гитарная электроника (датчики, распайка,...)  (Прочитано 687307 раз)

0 Пользователей и 2 Гостей просматривают эту тему.

Оффлайн Эдуард Пулашкин

  • Ветеран форума
  • ******
  • Сообщений: 4115
Re: Гитарная электроника (датчики, распайка,...)
« Ответ #960 : Октября 29, 2013, 18:51:39 »
Артем Маслов, а что мешает сделать полностью активную схему HSS?
Зачем какие-то полумеры?

Оффлайн Urich

  • Опытный
  • ****
  • Сообщений: 549
  • Wood! Not metall!
Re: Гитарная электроника (датчики, распайка,...)
« Ответ #961 : Октября 29, 2013, 19:06:15 »
Да  ничего  не  мешает.  Просто  надо  купить  ещё  2  сингла  активные  и  поменять  поты  на 25Комные.   Но,  видимо,  у  автора  на  полумеры  свои  причины...   Да  он, думаю,  и  не  подозревал  о  полумерах. 

Оффлайн ikea

  • Новичок
  • *
  • Сообщений: 54
  • параноик
Re: Гитарная электроника (датчики, распайка,...)
« Ответ #962 : Октября 29, 2013, 22:14:53 »
---
« Последнее редактирование: Ноября 04, 2013, 15:28:09 от ikea »

Оффлайн Артем Маслов

  • Новичок
  • *
  • Сообщений: 7
  • Fateful [FC] Choice
Re: Гитарная электроника (датчики, распайка,...)
« Ответ #963 : Октября 30, 2013, 16:19:46 »
Ребят, понятия не имею о "полумерах"! Неполучится сделать полностью активную схему изза того что имеется только активный хамб, а синглы пассивные! Если так нельзя поскажите хотябы как сдеать так чтобы хомбакер играл отдельно а синглы отдельно!

Оффлайн Urich

  • Опытный
  • ****
  • Сообщений: 549
  • Wood! Not metall!
Re: Гитарная электроника (датчики, распайка,...)
« Ответ #964 : Октября 30, 2013, 16:52:28 »
Ребят, понятия не имею о "полумерах"! Неполучится сделать полностью активную схему изза того что имеется только активный хамб, а синглы пассивные! Если так нельзя поскажите хотябы как сдеать так чтобы хомбакер играл отдельно а синглы отдельно!
Две  громкости  с  такими  разными  Комами -  проблемно  будет...  и  вообще.   Лесполовский  эффект -  одна  любая  громкость  будет  в конце  мьютить  и  вторую. 
Советую  как  компромис  оставить  стратовскую  схему,  только  поменять  поты  на  250 Ком.   Проблема  будет  только  в  4 положении (бр+мид).  Миддл   практически  не  будет  работать.   В  5-ом -  один  бридж -  нормально.  Только  громкость  может  резким  скачком  на  нём  работать  но  лучше,  чем  500ком.

Оффлайн Артем Маслов

  • Новичок
  • *
  • Сообщений: 7
  • Fateful [FC] Choice
Re: Гитарная электроника (датчики, распайка,...)
« Ответ #965 : Октября 30, 2013, 17:02:17 »



тоесть 500 и 25 точно никак не совместишь?
я сделал вот такую схему но чето все тупит жестко! Помогите!

Оффлайн Urich

  • Опытный
  • ****
  • Сообщений: 549
  • Wood! Not metall!
Re: Гитарная электроника (датчики, распайка,...)
« Ответ #966 : Октября 30, 2013, 17:05:16 »
Ну  правильно,  я  об  этом  же  и  пишу.    Любая  громкость  полностью  все  закрывает.
И  25 комный  пот   шунтит  жестоко  высокоомную (пассивную)  часть  схемы.

Оффлайн Артем Маслов

  • Новичок
  • *
  • Сообщений: 7
  • Fateful [FC] Choice
Re: Гитарная электроника (датчики, распайка,...)
« Ответ #967 : Октября 30, 2013, 17:12:47 »
Ну  правильно,  я  об  этом  же  и  пишу.    Любая  громкость  полностью  все  закрывает.
И  25 комный  пот   шунтит  жестоко  высокоомную (пассивную)  часть  схемы.

немогли бы схемку набросать, хоть от руки на 250кОм! просто совсем плохо у меня с этими вещами

Оффлайн Urich

  • Опытный
  • ****
  • Сообщений: 549
  • Wood! Not metall!
Re: Гитарная электроника (датчики, распайка,...)
« Ответ #968 : Октября 30, 2013, 17:15:41 »
Дык  написал  же.    Стандартная  стратовская...

Оффлайн Артем Маслов

  • Новичок
  • *
  • Сообщений: 7
  • Fateful [FC] Choice
Re: Гитарная электроника (датчики, распайка,...)
« Ответ #969 : Октября 30, 2013, 17:19:38 »
тоесть делать одну громкость, один тон и на переключателе как на страте все будет?

Оффлайн Urich

  • Опытный
  • ****
  • Сообщений: 549
  • Wood! Not metall!
Re: Гитарная электроника (датчики, распайка,...)
« Ответ #970 : Октября 30, 2013, 17:28:45 »
Да.   Только  раз  у  тебя  один  тон ,  сделай  на  переключателе  перемычку,  там  где  два  тона  по  страт   схеме  соединяются.  И  туда  один  свой.    Будет  в  4 м  положении  на  бридж  тоже  работать (но плохо... резко).    В  5-м  -  бридж  без  тона,   как  на  страте.

Оффлайн mangracio

  • Новичок
  • *
  • Сообщений: 53
Re: Гитарная электроника (датчики, распайка,...)
« Ответ #971 : Октября 30, 2013, 17:40:09 »
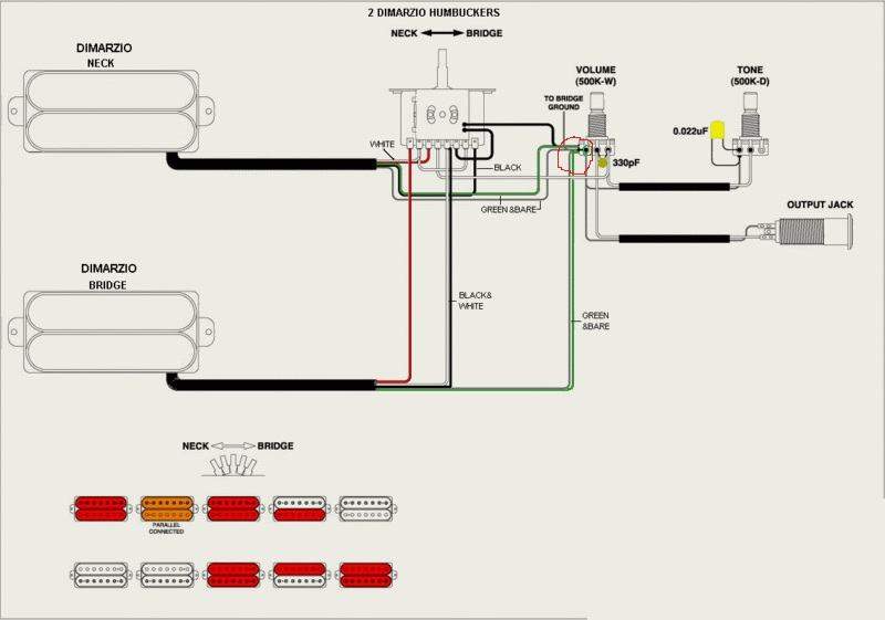
Есть ibanez s420, хочу зачем-то заменить сток inf1&inf2 на dimarzio. Мне одна из этих схем нужна?
Для начала попробую разобраться в килограмме проводов. Пока же вопрос следующий: не вижу, на выделенном месте все пять проводов запаивается на корпус потца громкости в одну общую землю (?), а потом все это идет на дорожку громкости рядом?
И каким образом отходящий провод выходит к бриджу?

Не шарю примерно на 89.34%.

Оффлайн Igor Bykov

  • Частый посетитель
  • **
  • Сообщений: 211
  • eat. sleep. play
    • metalvoice.net
Re: Гитарная электроника (датчики, распайка,...)
« Ответ #972 : Октября 30, 2013, 18:53:05 »
на выделенном месте все пять проводов запаивается на корпус потца громкости в одну общую землю (?), а потом все это идет на дорожку громкости рядом?
Да, только если полость экранирована, по этой схеме получится земляная петля. В этом случае, нужно либо изолировать корпус пота от экрана, либо не паять провод земли от тона к громкости.

И каким образом отходящий провод выходит к бриджу?
Скорее всего, провод подпаян к держателю пружин флойда, это и есть тот бриджевый провод

Оффлайн hoppean

  • Новичок
  • *
  • Сообщений: 32
  • GuitarPlayer.Ru fan!
Re: Гитарная электроника (датчики, распайка,...)
« Ответ #973 : Ноября 04, 2013, 14:51:37 »
мужики, что посоветуете на 7-миструн мясного в бридж, а в нек что-нибудь, что бы клин по-прозрачнее, на что внимание обратить?

Оффлайн ikea

  • Новичок
  • *
  • Сообщений: 54
  • параноик
Re: Гитарная электроника (датчики, распайка,...)
« Ответ #974 : Ноября 04, 2013, 15:39:22 »
все ок со схемой? кто сечет проверьте плиз.