Автор Тема: Проект "Мой первый преамп"!  (Прочитано 5164 раз)

0 Пользователей и 1 Гость просматривают эту тему.

Оффлайн ytrikoz Автор темы

  • Живу на форуме
  • *******
  • Сообщений: 13062
  • Tone isn't just in the gear, its in your head
Re: Проект "Мой первый преамп"!
« Ответ #75 : Июля 19, 2009, 23:28:08 »
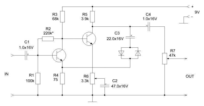
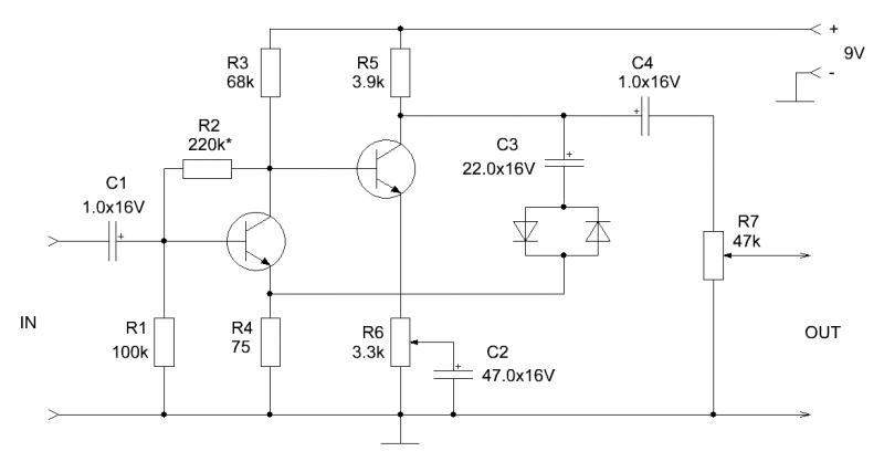
Для тех кому интересно чем это закончилось ( хотя закончилось ли ). Проблему нашёл, r3 был не 47 кОм, а 470 Ом... Тон регулятор заработал! Только я теперь не уверен а нужен ли он, так как теперь появился шум (уровень меняется при регулировке тона), уровень усиления упал и теперь громкость в наушниках недостаточная   :hmmm::(

Оффлайн Bulldozerrr

  • Эксперт
  • *****
  • Сообщений: 2935
Re: Проект "Мой первый преамп"!
« Ответ #76 : Июля 19, 2009, 23:50:29 »
Хароший набор юного дебаггера - электронщика, если соберешь и до конца отладишь, то в подкорковый слой войдут все принцыпы отладки и поиска косяков.

Оффлайн el-doctor

  • Ветеран форума
  • ******
  • Сообщений: 3734
Re: Проект "Мой первый преамп"!
« Ответ #77 : Июля 20, 2009, 07:03:08 »
мда... и сколько он там заплатил за этот "наборчег"  ;)

Оффлайн NektoS

  • Эксперт
  • *****
  • Сообщений: 1619
Re: Проект "Мой первый преамп"!
« Ответ #78 : Июля 20, 2009, 07:46:01 »
Для тех кому интересно чем это закончилось ( хотя закончилось ли ). Проблему нашёл, r3 был не 47 кОм, а 470 Ом... Тон регулятор заработал! Только я теперь не уверен а нужен ли он, так как теперь появился шум (уровень меняется при регулировке тона), уровень усиления упал и теперь громкость в наушниках недостаточная   :hmmm::(
Опять странности. С увеличением R3 КУ должен пропорционально увеличиться. Подстроечник на входе не зажимал? Если не нужен регулятор тембра - просто впаяй вместо С2 и С4 один конденсатор прибл. 50...100pF между 1-й и 2-й ножками опера для предотвращения самовозбуда, а R7 можно удалить.
« Последнее редактирование: Июля 22, 2009, 07:34:07 от NektoS »

Оффлайн ytrikoz Автор темы

  • Живу на форуме
  • *******
  • Сообщений: 13062
  • Tone isn't just in the gear, its in your head
Re: Проект "Мой первый преамп"!
« Ответ #79 : Июля 20, 2009, 17:20:41 »
В общем после проведенных исследований номиналов, перепаиванием и кручением-верчением в руках , подключил источник питания и... О чудо всё заработало, видимо на этот раз с пайкой проблемы были. Шум пропал, громкости хоть отбавляй на 1/4 положении чувствительности, тон на 12  - естественный, 7 - много низа, 17 - много верха Всё проект считаю успешно завершенным, получился отличный прибор для тестирования гитар в условиях магазина без шоурума или с вечно занятым им, или дибокс для записи:)

Кстати решил, что проектом №2 будет бустер, плату к нему попробую сам вытравить.

Еще раз всем спасибо!

Оффлайн NektoS

  • Эксперт
  • *****
  • Сообщений: 1619
Re: Проект "Мой первый преамп"!
« Ответ #80 : Июля 20, 2009, 17:30:39 »
Молодец, что не забросил после первых ошибок. Расширяй арсенал инструментов и полезной химии ;)

Оффлайн ytrikoz Автор темы

  • Живу на форуме
  • *******
  • Сообщений: 13062
  • Tone isn't just in the gear, its in your head
Re: Проект "Мой первый преамп"!
« Ответ #81 : Июля 20, 2009, 17:31:46 »
Молодец, что не забросил после первых ошибок. Расширяй арсенал инструментов и полезной химии ;)
Я вот надеюсь ГНК еще не все химикалии запретил, которые могут потребоваться при травлении. И что их купить можно в свободной продаже, а не искать по гаражам и мини-рынкам...

Оффлайн bottle

  • Ветеран форума
  • ******
  • Сообщений: 6388
  • решил включить дурачка
Re: Проект "Мой первый преамп"!
« Ответ #82 : Июля 20, 2009, 17:58:58 »
ytrikoz, все есть пока: http://www.chip-dip.ru/product0/27510.aspx

Оффлайн el-doctor

  • Ветеран форума
  • ******
  • Сообщений: 3734
Re: Проект "Мой первый преамп"!
« Ответ #83 : Июля 20, 2009, 20:20:59 »
ytrikoz, в магазинах радиодеталей всегда есть хлорное в баночках белых пластиковых с синей крышечкой

Оффлайн NektoS

  • Эксперт
  • *****
  • Сообщений: 1619
Re: Проект "Мой первый преамп"!
« Ответ #84 : Июля 20, 2009, 20:47:28 »
ytrikoz, И обязательно приличный флюс для пайки, ЛТИ-120, например. А для смывки оного - спиртик или бензинчик, или смесь этих двух компонентов (чтобы не было соблазна употребить внутрь :crazy:).

Оффлайн el-doctor

  • Ветеран форума
  • ******
  • Сообщений: 3734
Re: Проект "Мой первый преамп"!
« Ответ #85 : Июля 20, 2009, 20:55:43 »
NektoS, спиртик плоховато если только 90% и много. лучше ацетончик. и зубную счиотку.  ;D

Оффлайн NektoS

  • Эксперт
  • *****
  • Сообщений: 1619
Re: Проект "Мой первый преамп"!
« Ответ #86 : Июля 20, 2009, 22:41:07 »
el-doctor, Но мы же не такие ;D

Оффлайн el-doctor

  • Ветеран форума
  • ******
  • Сообщений: 3734
Re: Проект "Мой первый преамп"!
« Ответ #87 : Июля 21, 2009, 06:49:26 »
el-doctor, Но мы же не такие ;D

а что форма черепа другая? не позволяет использовать ацетон или что?

Оффлайн NektoS

  • Эксперт
  • *****
  • Сообщений: 1619
Re: Проект "Мой первый преамп"!
« Ответ #88 : Июля 21, 2009, 07:12:34 »
el-doctor, Да дюже он вонючий :)

... и добавил:

ytrikoz, Может пригодится? Только сегодня наткнулся. http://pcbfab.ru/article.php?name=sprint-layout
Есть древняя схемка простого овера на двух транзисторах. Не как супер-пупер, а как полигон для опытов;D Если что -дай знать.
« Последнее редактирование: Июля 21, 2009, 18:51:17 от NektoS »

Оффлайн NektoS

  • Эксперт
  • *****
  • Сообщений: 1619
Re: Проект "Мой первый преамп"!
« Ответ #89 : Июля 22, 2009, 07:25:27 »
То, о чём написал в личку.