Предлагаю тут складывать схемы и уже ссылки на существующие на форуме темы с различными преампами для баса.
Цель - немного упорядочить то что лежит в интернете, отсортировать по популярности. Ну и по ходу - немного обсуждать достоинства и недостатки каждого выложенного варианта. Очень прошу - выкладывайте то, что либо собирали сами, либо слышали в собранном виде - это поможет отсеять теоретический шлак, которого очень много в интернете. По мере добавления схем - я буду обновлять шапку темы.
Поехали.
1. Alembic F2b. Классика басовых ламповых преампов - пожалуй самый простой и самый повторяемый преамп, ввиду действительно хорошего,чистого звука. Схема очень проста и не нуждается в настройке (кроме подбора напряжения накала у лампы). Классический эквалайзер от фендера. Существует версия преампа на полевых транзисторах. подробнее -
тут и у нас на форуме разные вариации -
тут и
тут
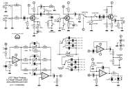
2. JFET Bass Preamp by Albert Kreuzer. Достаточно интересный преамп, с большими возможностями, на полевых транзисторах. По звуку чем-то напоминает преды от ампега, но с более "ламповым" уклоном в звук за счет использования полевых транзисторов. Ниже схема, и архив с рисунками платы, бп, и расположение элементов. Более подробно -
http://www.albertkreuzer.com/preamp.htm
albertkreuzer.zip (112.91 КБ - загружено 343 раз.)
3. Shoewreck BP V. Достаточно популярная тема на разных форумах.
Тема на нашем форуме.
4. Басовый преамп на 6н3п. Интересный прототип преампа от
Vitallka, на, несколько необычных для гитарно-басового применения, лампах 6Н3П.
5. Простой басовый преамп (для комбика, река и тп). Простой, но функциональный перамп, на операционных усилителях, с трехполосным эквалайзером, несколькими дополнительными переключателями.
6. Ламповый предусилитель. от популярного гибридника на 200вт. Особенность - 4х полосный эквалайзер, и так же показано - как соединять транзисторный оконечник с ламповым предом.
7. Orange AD200B MK3 preamp. Классический преамп от басового усилителя Orange:
8. Басовый преамп на полевиках. Простой преамп по классической схеме с несколькими дополнительынми регулировками.
