Автор Тема: Что и на чем спаять в стиле AC/DC?  (Прочитано 23394 раз)

0 Пользователей и 1 Гость просматривают эту тему.

Оффлайн Ден2

  • Ветеран форума
  • ******
  • Сообщений: 4278
Re: Что и на чем спаять в стиле AC/DC?
« Ответ #75 : Ноября 19, 2013, 15:16:17 »
Ну да, когда особенно в таблице указаны коэффициенты для габаритных мощностей 10, 50, 100, 200 Вт и промежуточных значений нет, расчёты получаются особенно точными :pozor:

Интерполяция применяется. В особо нелинейных случаях - четырехточечная. Есть и более навороченные методы, но это уже для совсем упртх)))

Оффлайн Crypt

  • Ветеран форума
  • ******
  • Сообщений: 3383
  • Technician
    • MEGATHERION
Re: Что и на чем спаять в стиле AC/DC?
« Ответ #76 : Ноября 19, 2013, 15:32:30 »
Ну какая интерполяция... люди вон обрезки уголков от санок продвигают  :D сидеть в перде и рассказывать про "кетй в опе"

В книжках порой та еще туфтень встречается, особенно начиная с некоторых годов. Иной раз открываешь справочник и понимаешь что это компиляция надерганного, порой из контекста вырванного напрочь и концов не найти. Иногда кстати прослеживается "испорченный телефон", когда некоторые вещи кочуют из книжки в книжку постепенно утрачивая ряд подробностей. В общем, ищите самые древние оригинальные пуболикации а не кривой передер с них.

И потом даже серьезные монографии написаны под совершенно иные условия. У нас же т. з. то - :D :D :D

Оффлайн Sofa_Guitarrero Автор темы

  • Опытный
  • ****
  • Сообщений: 712
  • Диванщик! Из палаты мер и весов! BMWMotorrad-труЪ!
Re: Что и на чем спаять в стиле AC/DC?
« Ответ #77 : Ноября 21, 2013, 06:33:19 »
Пока мял сиськи с заказом, у Ерасова кончились трансформаторы ТТП-80...  :(

Камрады, еще вопрос про организацию фиксированного смещения - можно ли снимать напряжение смещения с анодной обмотки без средней точки (диодом до моста), потом его поделить и иметь праздник? Какие там токи?
  Гуглил схемы, везде используется двухполупериодная схема со средней точкой.

Оффлайн Vitallka

  • Эксперт
  • *****
  • Сообщений: 1175
  • Антиум
Re: Что и на чем спаять в стиле AC/DC?
« Ответ #78 : Ноября 21, 2013, 06:58:20 »
Можно, только при большой мощности смещение может уплывать, особенно, когда силовик впритык.

http://rusfolder.com/38869581

Оффлайн Papa Bear

  • Эксперт
  • *****
  • Сообщений: 2145
Re: Что и на чем спаять в стиле AC/DC?
« Ответ #79 : Ноября 21, 2013, 07:07:51 »
Пока мял сиськи с заказом, у Ерасова кончились трансформаторы ТТП-80...  :(

Камрады, еще вопрос про организацию фиксированного смещения - можно ли снимать напряжение смещения с анодной обмотки без средней точки (диодом до моста), потом его поделить и иметь праздник? Какие там токи?
  Гуглил схемы, везде используется двухполупериодная схема со средней точкой.

Вот Медведовский усь с раздельным смещением для каждой лампы:
https://guitarplayer.ru/index.php?action=dlattach;topic=290612.0;attach=974256;image

Я делал смещение по этой схеме в своем усилке, только пересчитал делители, с которых снимается напряжение смещения под Ерасовский GVR-80. Напряжение снимается с отдельных обмоток ерасовского транса. Все работает как часы.

Оффлайн Sofa_Guitarrero Автор темы

  • Опытный
  • ****
  • Сообщений: 712
  • Диванщик! Из палаты мер и весов! BMWMotorrad-труЪ!
Re: Что и на чем спаять в стиле AC/DC?
« Ответ #80 : Ноября 21, 2013, 07:57:26 »
Я делал смещение по этой схеме в своем усилке, только пересчитал делители, с которых снимается напряжение смещения под Ерасовский GVR-80. Напряжение снимается с отдельных обмоток ерасовского транса. Все работает как часы.
Посмотрел, спасибо. Тут он таки как раз использует среднюю точку. У меня запарка несколько другого плана - чтобы добиться нужного (+350) вольтажа с ТТП80 мне необходимо использовать обе обмотки (смещение и анодную) последовательно и выпрямлять полным мостом.
  Есть еще вариант ТТП-120, не шибко дороже, но 320В переменного ~= 450 выпрямленного, но он избыточен по мощности, да и не хотелось бы на 6П6С столько подавать/

... и добавил:

Можно, только при большой мощности смещение может уплывать, особенно, когда силовик впритык.

http://rusfolder.com/38869581
О! Благодарю! Именно то, что мне нужно.
А чем чревата данная схема? Тем, что в случае нагрузки напряжение смещения уменьшится, ток через лампу возрастет, напряжение еще просядет... короче саморазгон и красный анод?
 
« Последнее редактирование: Ноября 21, 2013, 08:08:53 от Sofa_Guitarrero »

Оффлайн Vitallka

  • Эксперт
  • *****
  • Сообщений: 1175
  • Антиум
Re: Что и на чем спаять в стиле AC/DC?
« Ответ #81 : Ноября 21, 2013, 08:29:06 »
До красного анода вряд ли дойдет, просто напряжение смещения будет менее стабильным, чем от отдельной обмотки.

Оффлайн Ksandr-

  • Эксперт
  • *****
  • Сообщений: 1437
  • хто здесь?!
Re: Что и на чем спаять в стиле AC/DC?
« Ответ #82 : Ноября 21, 2013, 08:38:54 »
а чем вам вариант с автоматическим смещением не подходит?

Оффлайн Sofa_Guitarrero Автор темы

  • Опытный
  • ****
  • Сообщений: 712
  • Диванщик! Из палаты мер и весов! BMWMotorrad-труЪ!
Re: Что и на чем спаять в стиле AC/DC?
« Ответ #83 : Ноября 21, 2013, 08:45:05 »
а чем вам вариант с автоматическим смещением не подходит?
Не труЪ :)

... и добавил:

Еще вопрос - а так ли необходима ручка "Презенс"?? Покрутил-выставил-забыл или нет?
« Последнее редактирование: Ноября 21, 2013, 08:52:34 от Sofa_Guitarrero »

Оффлайн Vitallka

  • Эксперт
  • *****
  • Сообщений: 1175
  • Антиум
Re: Что и на чем спаять в стиле AC/DC?
« Ответ #84 : Ноября 21, 2013, 08:55:25 »
а чем вам вариант с автоматическим смещением не подходит?
Для ламп, у которых напряжение смещения должно быть достаточно большим, надо устанавливать катодный резистор сравнительно большого сопротивления, а это потери мощности. Ну и еще с фиксированным смещением звук менее фузоватый

Оффлайн Papa Bear

  • Эксперт
  • *****
  • Сообщений: 2145
Re: Что и на чем спаять в стиле AC/DC?
« Ответ #85 : Ноября 21, 2013, 09:17:43 »
а чем вам вариант с автоматическим смещением не подходит?

Кстати, да. У меня дома, например, напряжение в сети пляшет от 200 до 230 вольт, соответственно изменяется напряжение на вторичках и далее на аноде. Провел эксперимент, измеряя изменение напряжения в течение 10-15 минут - это было нечто: падало до 195 и поднималось до 225 вольт в течение только этого короткого времени.  Соответственно плыло смещение, приходилось пересчитывать, корректировать. В такой ситуации лучше было бы в автомат перевести и плюнуть на все, пусть и потерять немного мощности, но не хочется лезть уже. Стабилизатор есть, но занят.
« Последнее редактирование: Ноября 21, 2013, 09:19:26 от Papa Bear »

Оффлайн Vitallka

  • Эксперт
  • *****
  • Сообщений: 1175
  • Антиум
Re: Что и на чем спаять в стиле AC/DC?
« Ответ #86 : Ноября 21, 2013, 09:32:44 »
Ну так напряжение смещения в момент "плавания" сетевого напряжения тоже не стоит на месте, а изменяется прямопропорционально этому "плаванию" в сети и анодке.

Оффлайн akl

  • Живу на форуме
  • *******
  • Сообщений: 8114
  • не шарю ваще
Re: Что и на чем спаять в стиле AC/DC?
« Ответ #87 : Ноября 21, 2013, 09:41:08 »

Еще вопрос - а так ли необходима ручка "Презенс"??
очень полезная ручка. кстати, че делать то будешь? :hmmm: в смысле какая схема :hmmm:

Оффлайн Sofa_Guitarrero Автор темы

  • Опытный
  • ****
  • Сообщений: 712
  • Диванщик! Из палаты мер и весов! BMWMotorrad-труЪ!
Re: Что и на чем спаять в стиле AC/DC?
« Ответ #88 : Ноября 21, 2013, 11:35:16 »
очень полезная ручка. кстати, че делать то будешь? :hmmm: в смысле какая схема :hmmm:
Тогда оставлю :) Так, была идейка сделать вход на усилитель мощности, пожертвовав  этим регулятором. Когда размечал шасси и сверлил отверстия, забыл про PPIMV (я ж на нем иногда дома пилить собираюсь, а не только в гараже :) )

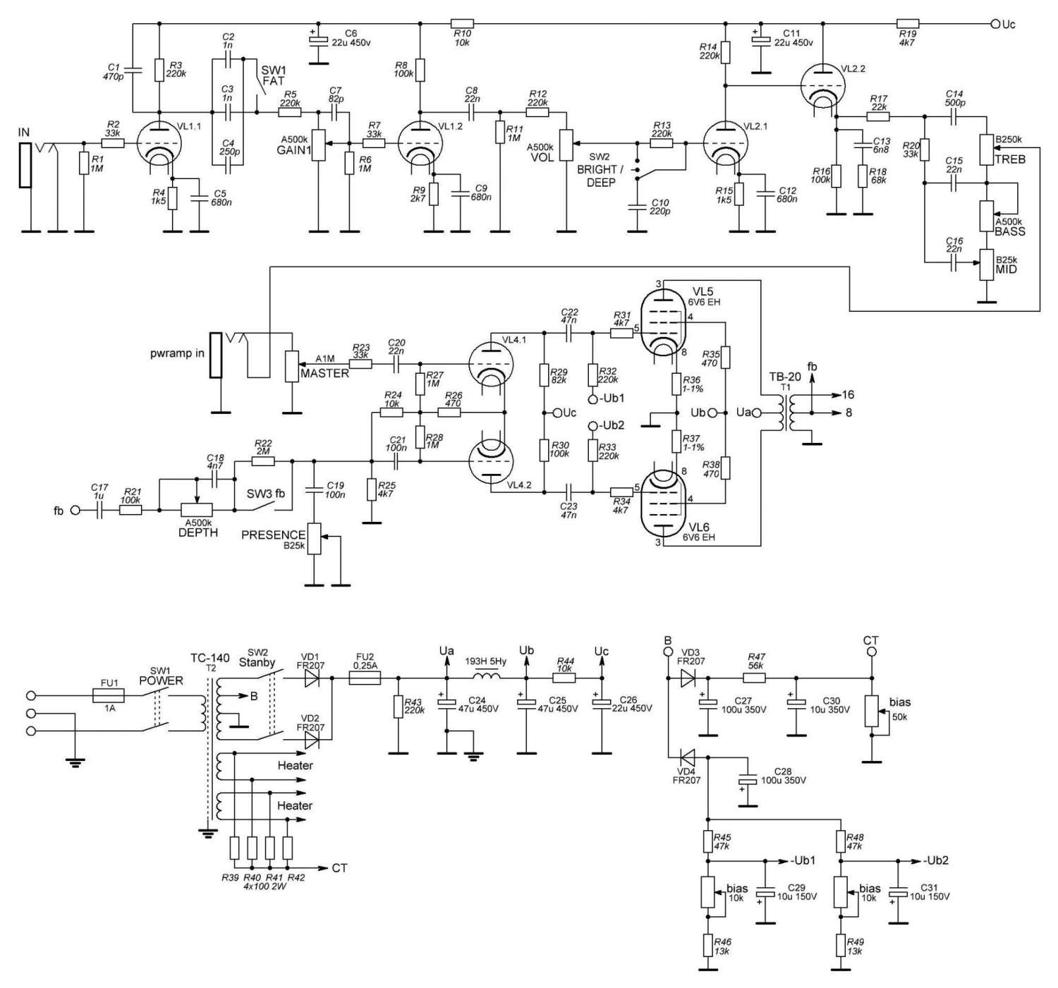
Схема - предусилитель от JCM800 + ФИ и выход от плекси 6V6 с первой страницы.

Оффлайн Mepk

  • Эксперт
  • *****
  • Сообщений: 1855
  • Еще один соберу - и всё...
    • Мой блог
Re: Что и на чем спаять в стиле AC/DC?
« Ответ #89 : Ноября 21, 2013, 17:37:37 »
Пока мял сиськи с заказом, у Ерасова кончились трансформаторы ТТП-80...  :(
В сбыт Ерасову писал?
Они иногда (по просьбе) могут еще выложить.