Автор Тема: Клиппинг лампового усилителя РР на 6п6с  (Прочитано 5517 раз)

0 Пользователей и 1 Гость просматривают эту тему.

Оффлайн Mr. Hook Автор темы

  • Новичок
  • *
  • Сообщений: 27
  • GuitarPlayer.Ru fan!
Доброго времени суток уважаемые форумчане!

Требуется квалифицированная помощь с данным устройством(самодельный ламповый двухтактный усилитель на 6п6с для гитарных дел), сразу оговорюсь это первый мой проект, опыта 0, но руки и голова рабочие. В общем дело в том, что стал клиппинговать усилитель даже на минимальной громкости, причем клип происходит в атаке, но если прибавить громкость и без атаки клипует)))). Общее описание устройства: 1) Двух канальный (один чистый схема в приложении, второй канал пред. от ректифаера красный канал) 2) Блок питания прототип ректифаера с переключением на кенотрон, дроссель советский 5Гн, силовой трансформатор. от аудиоинструмента с макс током 180мА, накальный ТН-46, смещение фиксированное свое на каждую лампу(очень удобно!!!) Схемы во вложении, какая еще нужна информация все предоставлю (все напряжения где надо померяю, lay-файлы имеются, нет осциллографа). Есть один нюанс! когда собрал впервые боролся с фоном конечно, но все поборол все отлично играло, естественно мне же мало(лучший, враг хорошего) я решил переделать плату чтоб проводочки к клеммам подключались))))), было на пайке и тут началось. Прошу совета откуда берется клип???
« Последнее редактирование: Января 20, 2023, 15:50:07 от Mr. Hook »

Онлайн Geezer

  • Живу на форуме
  • *******
  • Сообщений: 12767
  • Atypique
Re: Клиппинг лампового усилителя РР на 6п6с
« Ответ #1 : Января 20, 2023, 12:24:14 »
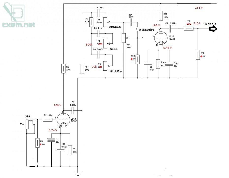
Верхний триод фазоинвертора явно не в режиме. Похоже, что пробит конденсатор 150 пФ, шунтирующий резистор 82 кОм.

Оффлайн Mr. Hook Автор темы

  • Новичок
  • *
  • Сообщений: 27
  • GuitarPlayer.Ru fan!
Re: Клиппинг лампового усилителя РР на 6п6с
« Ответ #2 : Января 20, 2023, 12:51:45 »
Вот и я о том же думаю, почему нет падения на 82к!!! И еще почему на сетках фазика по 8.9 В? Так же наблюдается волнообразного гула ( не знаю как описать)при включении анодного на секунду, а потом тишина..... гитара звучит тихо тихо при громкости на 2 часа, но при атаке такой клип что 30 винтаж хоронить собираюсь каждый раз )))

Оффлайн Alex_SG

  • Живу на форуме
  • *******
  • Сообщений: 7526
  • хейтер и пессимист :crazy:
Re: Клиппинг лампового усилителя РР на 6п6с
« Ответ #3 : Января 20, 2023, 12:54:36 »
Mr. Hook,
Напряжения на электродах ламп принято указывать относительно катода. На Вашей схеме относительно земли. Терпимо, но иногда из-за низкого входного сопротивления дешовой цешки можно ошибок наловить.
Смещение на обоих половинах фазоинвертора 5,1в, это не очень правильно, примерно вдвое меньше надо, а то оба триода фактически закрыты.
Предположение: резистор (82к) или конденсатор в цепи верхнего триода пробиты/неисправны (КЗ). Выключить питание, вынуть лампу из панельки, проверить.
Если посчитать, то суммарный ток двух триодов фазоинвертора через резистор 470ом составляет 10ма.
Он же протекает через 10к и "презенс"в хвосте. Если презенс равен те же 10к, то в сумме на них падает 200в, а на аноде вверхнего триода имеем 192.
То есть: проблема именно в верхнем триоде или его обвязке. Ищем куда соплю посадили или что оборвали в процессе улучшайзинга платы :)

Клеммы нафик. Даже макетки надо паять нормально.

Онлайн Geezer

  • Живу на форуме
  • *******
  • Сообщений: 12767
  • Atypique
Re: Клиппинг лампового усилителя РР на 6п6с
« Ответ #4 : Января 20, 2023, 13:16:28 »
Цитировать
наблюдается волнообразного гула ( не знаю как описать)при включении анодного на секунду, а потом тишина.....

Верхний триод подаёт сигналы бедствия... ;)

Оффлайн Mr. Hook Автор темы

  • Новичок
  • *
  • Сообщений: 27
  • GuitarPlayer.Ru fan!
Re: Клиппинг лампового усилителя РР на 6п6с
« Ответ #5 : Января 20, 2023, 13:52:30 »
Прошу прощения конечно, хотелось бы поподробнее ( не закидывайте сразу камнями)))) откуда взялось  5.1 В смещение фазика ( имеется ввиду как посчитали?). Ах да совсем забыл на схеме параллельно презенсу стоит 4,7к как в ректифаере на схеме нет его, оттуда же и 150р на анодных фазика, может убрать их совсем? До переделки платы не было презенса вообще ООС шла через 100n, 47k, подстроечник с кондером на 4n7 ну и на 10к в конце концов, т е не было обвязки на землю через презенс! И еще по поводу суммарного тока 10мА тоже не могли бы рассказать как получилось, если с обычными каскадами все более или менее понятно, то с фазиком что то не очень? Но первым делом конечно посмотрю 150р на 82к!!!

Онлайн Geezer

  • Живу на форуме
  • *******
  • Сообщений: 12767
  • Atypique
Re: Клиппинг лампового усилителя РР на 6п6с
« Ответ #6 : Января 20, 2023, 14:06:31 »
Цитировать
первым делом конечно посмотрю 150р на 82к!!!

Больше дела, меньше слов ;)

Оффлайн Alex_SG

  • Живу на форуме
  • *******
  • Сообщений: 7526
  • хейтер и пессимист :crazy:
Re: Клиппинг лампового усилителя РР на 6п6с
« Ответ #7 : Января 20, 2023, 14:08:21 »
Mr. Hook,
Смещение фазика есть разница напряжений между сеткой и катодом.
На сетке некие 8,9, на катоде 15, разница 5,1. Вроде очевидно.
КСТАТИ! Если те 15 на катодах измерены относительно земли, то моя версия про 10ма через 470ом и остальной хвост получается немного странной.
про 10ма - всё очень просто - смещение сеток определяется падением на 470ом. смещение по измерениям 5,1в. 5,1/470=0,0106а=10,6ма

Что то у вас не так с измерениями чтоли?
Или я не правильно читаю схему  ???

Geezer,
Меньше лозунгов и афоризмов, больше полезных советов! ;)

... и добавил:

Mr. Hook,
Вообще такой режим, как приведён на схеме не возможен. при пяти вольтах смещения лампы должны быть практически заперты, а там получается 10ма через них в сумме протекает.
Надо искать косяки в монтаже, не думаю что без спецэффектов удалось угробить лампу. что-то оборвано или закорочено.
« Последнее редактирование: Января 20, 2023, 14:13:13 от Alex_SG »

Оффлайн Mr. Hook Автор темы

  • Новичок
  • *
  • Сообщений: 27
  • GuitarPlayer.Ru fan!
Re: Клиппинг лампового усилителя РР на 6п6с
« Ответ #8 : Января 20, 2023, 14:41:20 »
Ага понятно, но вроде 15-8.9=6.1 ?))))вообщем по результатам препарирования обязательно отпишусь. Да все измерения относительно земли.

Оффлайн Alex_SG

  • Живу на форуме
  • *******
  • Сообщений: 7526
  • хейтер и пессимист :crazy:
Re: Клиппинг лампового усилителя РР на 6п6с
« Ответ #9 : Января 20, 2023, 15:15:46 »
Mr. Hook, Позор на мою седую голову :dash: пойдуко я убью сибя апстену да выпью йаду  ;D Ашипся  :rolleyes:
Сути не меняет. При 6в смещения лампа должна быть заперта ещё сильнее, а ток тем не менее 10ма через катодный резистор откуда-то взялся.
Смотрим монтаж.

Оффлайн Mr. Hook Автор темы

  • Новичок
  • *
  • Сообщений: 27
  • GuitarPlayer.Ru fan!
Re: Клиппинг лампового усилителя РР на 6п6с
« Ответ #10 : Января 20, 2023, 20:24:38 »
Увез сие устройство на работу, дабы там есть время, ковыряние и потрошения около 82к ни к чему не привели((((( заменил совтек на тунгсрам значения поменялись само собой, естественно ( приложил измерения). Выпаял 150р с обоих анодных, толку ноль. Видимо переспать с этой мыслью надо)))) пока мерил родился вопрос откуда взялось 10мА из постов выше? Если падение на 470 Ом 0,595 В? Может опять туплю по страшному, но вроде ток на катодном резисторе равен току лампы?🧐
И еще просто мысли вслух прошу поправить если ошибаюсь: на анодном падения нет, следовательно ток через него не идет! Значит через верхний триод ток тоже не идет ( детский сад, но все же) , а если ток через лампу не идет значит она заперта наглухо, чем? Естественно сильным минусом на сетке, значит надо искать 🔍 откуда минус такой взялся, я правильно мыслю?
« Последнее редактирование: Января 20, 2023, 21:09:32 от Mr. Hook »

Онлайн Geezer

  • Живу на форуме
  • *******
  • Сообщений: 12767
  • Atypique
Re: Клиппинг лампового усилителя РР на 6п6с
« Ответ #11 : Января 20, 2023, 21:07:55 »
Очевидно, что нижний триод работает нормально, и вся проблема в верхнем.
Очевидно, что ток через верхний триод на массу не течёт, он полностью заперт и на его аноде мы видим напряжение питания.
Если резистор 82 кОм не замкнут накоротко (а, кстати, сколько он там показывает?), тогда остаётся обрыв верхнего катода.
Контачит ли сама панелька? Надо мерить катодные напряжения не на панельке, а непосредственно на ножках ламп, проникнув к ним острым щупом.

Оффлайн Mr. Hook Автор темы

  • Новичок
  • *
  • Сообщений: 27
  • GuitarPlayer.Ru fan!
Re: Клиппинг лампового усилителя РР на 6п6с
« Ответ #12 : Января 20, 2023, 21:23:19 »
От клеммы "+" до клеммы "анод" 81,8 кОм, следовательно пайка, дорожки целые. Только что иголкой прозвонил панель до клемм все звонится как положено! Все таки грешу на сетку откуда там  - 6,45 В взялось?

Онлайн Geezer

  • Живу на форуме
  • *******
  • Сообщений: 12767
  • Atypique
Re: Клиппинг лампового усилителя РР на 6п6с
« Ответ #13 : Января 20, 2023, 21:41:59 »
Поскольку проблема появилась после перепайки, причину надо искать в монтаже. Не закралась ли где какая ошибка?

Оффлайн Mr. Hook Автор темы

  • Новичок
  • *
  • Сообщений: 27
  • GuitarPlayer.Ru fan!
Re: Клиппинг лампового усилителя РР на 6п6с
« Ответ #14 : Января 20, 2023, 21:51:20 »
Mr. Hook, Позор на мою седую голову :dash: пойдуко я убью сибя апстену да выпью йаду  ;D Ашипся  :rolleyes:
Сути не меняет. При 6в смещения лампа должна быть заперта ещё сильнее, а ток тем не менее 10ма через катодный резистор откуда-то взялся.
Смотрим монтаж.
Если учесть что верхний триод заперт наглухо, значит по вашим расчетам 10 мА проходили только через нижний триод, а теперь умножаем 10мА на падение на нижнем триоде 199В ( при еще не меняной лампе, та которая совтек была) получаем 1,99Вт при макс 1Вт (((((( она у меня пыхнуть должна была как тополиный пух))))

... и добавил:

Поскольку проблема появилась после перепайки, причину надо искать в монтаже. Не закралась ли где какая ошибка?
Я в принципе lay приложил в топ посте, вроде все в порядке. Вопрос тогда созрел в другом, при прошлой разводке не было не презенса не 4,7 об землю как работало тогда? Катоды в воздухе висели только к ООС подключены))))))
« Последнее редактирование: Января 20, 2023, 21:55:07 от Mr. Hook »