Автор Тема: Клиппинг лампового усилителя РР на 6п6с  (Прочитано 5512 раз)

0 Пользователей и 1 Гость просматривают эту тему.

Оффлайн Alex_SG

  • Живу на форуме
  • *******
  • Сообщений: 7526
  • хейтер и пессимист :crazy:
Re: Клиппинг лампового усилителя РР на 6п6с
« Ответ #45 : Января 23, 2023, 17:38:10 »
Mr. Hook, Если реально при громкости на 9 часов начинает ерегружаться и дальше в свист, то боюсь 500 не хватит вместо R14.
Я бы поменял R15 на 500к и вместо R14 подстроечник на 1М. Вот тогда ослабление громкости до 3 раз получить можно будет.

Оффлайн Rolly

  • Живу на форуме
  • *******
  • Сообщений: 9028
  • Мнение - не повод получить пулю сразу.
Re: Клиппинг лампового усилителя РР на 6п6с
« Ответ #46 : Января 23, 2023, 17:40:04 »
Так по порядку R15 2МОм назад, вместо R14 подстроечник 500к и настривать уровень?
Сначала поставить разделительный конденсатор между соединением R14-R15 и входом фазоинвертора. Затем поставить подстроечник (или потенциометр) на место R15. Номиналом не более 1МОм, а скорее даже меньше нужно.

Оффлайн Alex_SG

  • Живу на форуме
  • *******
  • Сообщений: 7526
  • хейтер и пессимист :crazy:
Re: Клиппинг лампового усилителя РР на 6п6с
« Ответ #47 : Января 23, 2023, 17:43:36 »
Rolly, Ну тогда уж конденсатор ставить не из точки соединения R14-R15 а с движка потенциометра на сетку фазоинвертора.

Оффлайн AZG

  • Живу на форуме
  • *******
  • Сообщений: 95527
  • Санкт-Петербург
    • AZG CUSTOM
Re: Клиппинг лампового усилителя РР на 6п6с
« Ответ #48 : Января 23, 2023, 17:45:24 »
Это все уже расписано выше. Но воз и ныне там.

Сначала надо со свистом разобраться.

Оффлайн Rolly

  • Живу на форуме
  • *******
  • Сообщений: 9028
  • Мнение - не повод получить пулю сразу.
Re: Клиппинг лампового усилителя РР на 6п6с
« Ответ #49 : Января 23, 2023, 17:49:52 »
Alex_SG, реостатом  :dontmention:

... и добавил:

AZG, согласен, что сначала фазировку проверить

Оффлайн Mr. Hook Автор темы

  • Новичок
  • *
  • Сообщений: 27
  • GuitarPlayer.Ru fan!
Re: Клиппинг лампового усилителя РР на 6п6с
« Ответ #50 : Января 23, 2023, 17:59:01 »
Цитировать
Mr. Hook, Если реально при громкости на 9 часов начинает ерегружаться и дальше в свист, то боюсь 500 не хватит вместо R14.
Я бы поменял R15 на 500к и вместо R14 подстроечник на 1М. Вот тогда ослабление громкости до 3 раз получить можно будет.
С этим все ясно, спасибо. Буду делать так. Перегружаться начинает 11-12 и невыносимо громко становится резонирует вся мебель и посуда от открытой 5 особенно!!! На 12-5 часов даже рука не поднялась крутить)) а свиста нет при этом, свист появляется когда презенс вкручиваешь!

... и добавил:

Сначала поставить разделительный конденсатор между соединением R14-R15 и входом фазоинвертора.
Ну это уж само собой даже не обсуждается.

... и добавил:

Цитировать
Но воз и ныне там.
Ну послушайте товарищи я и так на двух работах работаю, не все сразу, да и там столько времени надо чтоб все разобрать, распаять, поправить и собрать. Обязательно все сделаю 🫡 отпишусь, а пока собираю инфу!!!

Цитировать
Сначала надо со свистом разобраться.
А вот тут поподробней пожалуйста. ???

... и добавил:

Цитировать
согласен, что сначала фазировку проверить
можно поподробнее про сие деяние?
« Последнее редактирование: Января 23, 2023, 18:29:28 от Mr. Hook »

Оффлайн tube-freak

  • Эксперт
  • *****
  • Сообщений: 1241
  • yo yoda
Re: Клиппинг лампового усилителя РР на 6п6с
« Ответ #51 : Января 23, 2023, 18:35:31 »
Провода от выходника до анодов поменяй местами. Если станет громче и засвистит, значит фазировка была правильная, если станет тише и свист пропадет, значит... было неправильно. ;)
Надо, чтоб была отрицательная обратная связь с транса. Просто если не обращать внимание на фазировку в трансе, можно получить положительную связь... ПОС
= возбуд

Оффлайн Mr. Hook Автор темы

  • Новичок
  • *
  • Сообщений: 27
  • GuitarPlayer.Ru fan!
Re: Клиппинг лампового усилителя РР на 6п6с
« Ответ #52 : Января 23, 2023, 18:55:50 »
Провода от выходника до анодов поменяй местами. Если станет громче и засвистит, значит фазировка была правильная, если станет тише и свист пропадет, значит... было неправильно. ;)
Напугали блин 😒,  будет сделано 🫡. Куда уж громче то!!!!! При каком положении подстроечника глубины ООС необходимо совершать данные манипуляции или совершенно по боку?
Цитировать
Надо, чтоб была отрицательная обратная связь с транса. Просто если не обращать внимание на фазировку в трансе, можно получить положительную связь... ПОС
= возбуд
Ну да, ну да  :rolleyes:

Оффлайн Rolly

  • Живу на форуме
  • *******
  • Сообщений: 9028
  • Мнение - не повод получить пулю сразу.
Re: Клиппинг лампового усилителя РР на 6п6с
« Ответ #53 : Января 23, 2023, 20:58:15 »
При каком положении подстроечника глубины ООС необходимо совершать данные манипуляции или совершенно по боку?
Вот когда презенс свистеть начинает, в таком. Он как раз регулирует ОС в наиболее чувствительной зоне частот.

Оффлайн Balandin

  • Завсегдатай
  • ***
  • Сообщений: 281
Re: Клиппинг лампового усилителя РР на 6п6с
« Ответ #54 : Января 23, 2023, 22:09:55 »
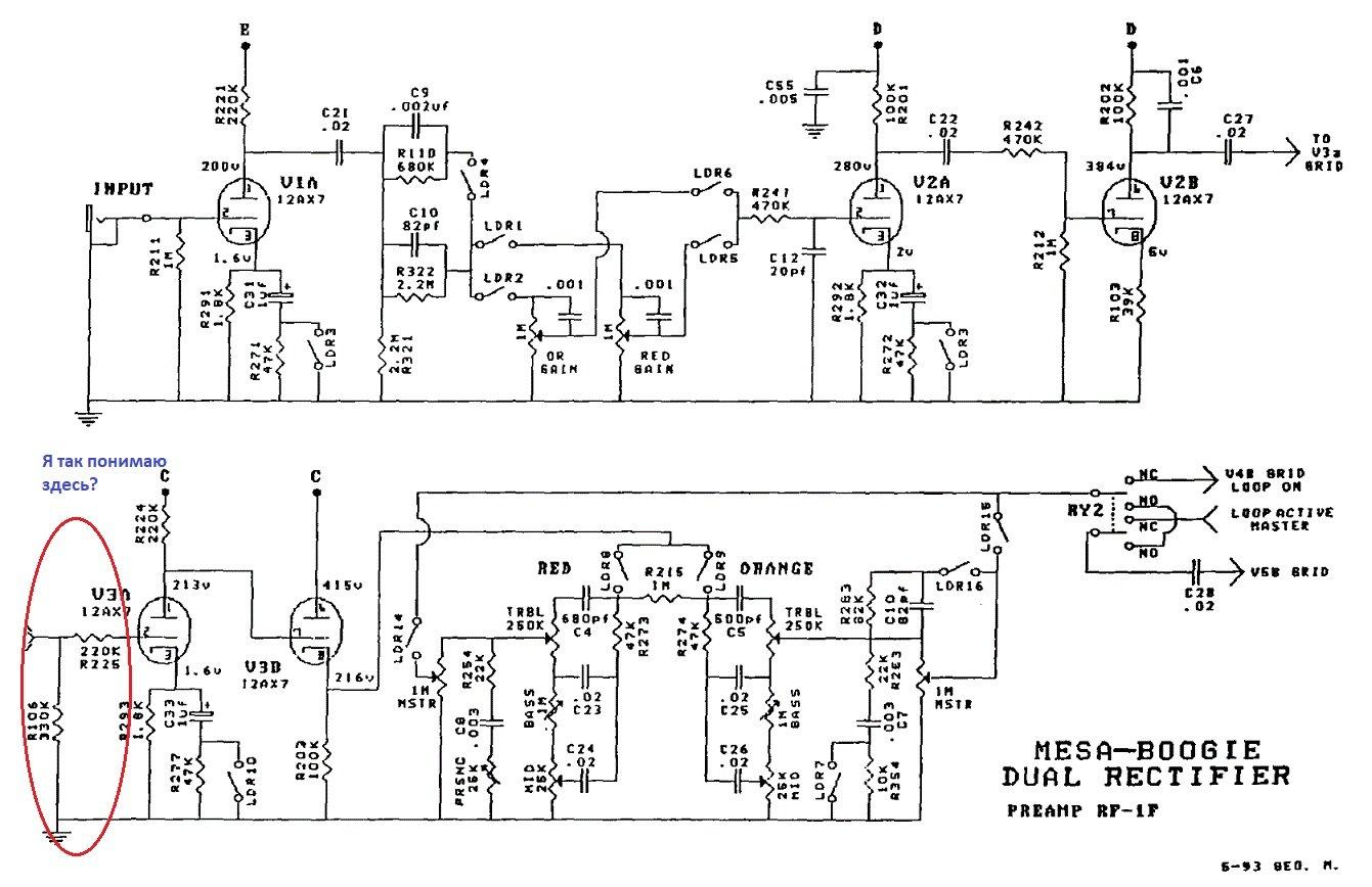
Mr. Hook, попробуй так
(нажмите чтобы показать/спрятать)

Оффлайн Mr. Hook Автор темы

  • Новичок
  • *
  • Сообщений: 27
  • GuitarPlayer.Ru fan!
Re: Клиппинг лампового усилителя РР на 6п6с
« Ответ #55 : Января 24, 2023, 03:30:03 »
Mr. Hook, попробуй так
(нажмите чтобы показать/спрятать)
Данный момент был исключен сразу еще в период проектирования расположения элементов на поверхности шасси, силовик и накальный равноудалены от входных ламп, да и от выходных на приличном расстоянии! Дабы корпус мне достался от трансляционного моноблока LPA-480( кто в теме, тот понял что это такое), поэтому разгуляться там было где.

Оффлайн Mr. Hook Автор темы

  • Новичок
  • *
  • Сообщений: 27
  • GuitarPlayer.Ru fan!
Re: Клиппинг лампового усилителя РР на 6п6с
« Ответ #56 : Января 25, 2023, 11:02:40 »
Всем. здравствуйте. Итак отписываюсь по поводу проведенной работы:
1) Свист презенса устранен, естественно перефазировка.
2) Делителем все регулируется как надо. Ура!!! (соответствующая проблема теперь в ред канале преампа ректифаера, после какого каскада посоветуете поколдавать?)
3) После того как появилась возможность крутить громкость на максимум, обнаружилась проблема  с ТБ какой то не адекват с громкостью при разных положениях ВЧ и НЧ, СЧ при любых раскладах не влияют на громкость! При средних положениях ТБ, ручкой громкость звук прибавляется до середины как положено, а потом чуть тише и не меняется до максимума, при этом когда громкость на середине НЧ и ВЧ практически не влияют на громкость (ВЧ регулирует, НЧ нет!!! свои частоты), если громкость на макс.  то при уменьшении ручки ВЧ прилично так прибавляется громкость!!!!! Очень интересно.

Оффлайн AZG

  • Живу на форуме
  • *******
  • Сообщений: 95527
  • Санкт-Петербург
    • AZG CUSTOM
Re: Клиппинг лампового усилителя РР на 6п6с
« Ответ #57 : Января 25, 2023, 11:24:39 »
Mr. Hook, ТБ проверять распайку и пикушку на ВЧ проверить.

Оффлайн tube-freak

  • Эксперт
  • *****
  • Сообщений: 1241
  • yo yoda
Re: Клиппинг лампового усилителя РР на 6п6с
« Ответ #58 : Января 25, 2023, 15:25:37 »
2) ректифайер пред не трожь, сильно перегруз поменяется.

Делитель по громкости нужно ставить после Тонстэка ректифайера.
Например большое сопротивление перед мастером, а сам мастер пот уменьшить

Оффлайн Mr. Hook Автор темы

  • Новичок
  • *
  • Сообщений: 27
  • GuitarPlayer.Ru fan!
Re: Клиппинг лампового усилителя РР на 6п6с
« Ответ #59 : Января 25, 2023, 16:33:39 »
Mr. Hook, ТБ проверять распайку и пикушку на ВЧ проверить.
Пикушка в порядке если бы была пробита или оборвана, то + с анода через ТБ пришел бы на сетку (я же по вашему совету С3 и R5 исключил). Распайка соответствует приложенному файлу, единственное что номинал НЧ заменен на 500к вместо 250к в оригинале