Автор Тема: модифицируем преамп  (Прочитано 16901 раз)

0 Пользователей и 1 Гость просматривают эту тему.

Оффлайн Vitallka

  • Эксперт
  • *****
  • Сообщений: 1175
  • Антиум
Re: модифицируем преамп
« Ответ #15 : Февраля 24, 2017, 19:24:52 »
При 6н2п - да, крайне желательно диоды в катодах, как нарисовал впальто.
Хоть кто-то, кроме впальто, это пробовал?
Чтоб причесать звук 6н2п достаточно конденсаторов из двухстороннего текстолита для повышения проходной емкости. Недавно подобное сделал и звук 6н2п изменился

Оффлайн Engener

  • Ветеран форума
  • ******
  • Сообщений: 3471
  • :-)
Re: модифицируем преамп
« Ответ #16 : Февраля 25, 2017, 07:24:45 »
Хоть кто-то, кроме впальто, это пробовал?
Чтоб причесать звук 6н2п достаточно конденсаторов из двухстороннего текстолита для повышения проходной емкости. Недавно подобное сделал и звук 6н2п изменился

какая же емкость получается в таком случае, несколько пФ?

Оффлайн Vitallka

  • Эксперт
  • *****
  • Сообщений: 1175
  • Антиум
Re: модифицируем преамп
« Ответ #17 : Февраля 25, 2017, 08:34:01 »
Около 1 пФ (на столько же проходная емкость 12ах7 больше, чем у 6н2п). Вроде мало, но эффект Миллера делает свое дело

Оффлайн M1g

  • Живу на форуме
  • *******
  • Сообщений: 7231
  • The MUTILATOR
Re: модифицируем преамп
« Ответ #18 : Февраля 25, 2017, 09:42:57 »
Че серьёзно? :hmmm:

Оффлайн Vitallka

  • Эксперт
  • *****
  • Сообщений: 1175
  • Антиум

Оффлайн Дима Мустафин Автор темы

  • Новичок
  • *
  • Сообщений: 17
  • GuitarPlayer.Ru fan!
Re: модифицируем преамп
« Ответ #20 : Февраля 25, 2017, 10:27:43 »
Да, чуть кислотнее звук без кондера. У меня еще вот вопрос: У автора есть режим буфера, чтобы можно было писать в линию. Та вот, при активации буфера, звук становится раза в 2 громче и звуковая просто отрубается. В режиме без буфера- звук слишком перегружен. Будто гейн в максимум и еще через пару усилков пропущен. ХЗ, может у меня что с линией, через конец с кабом всё замечательно.

Оффлайн Rolly

  • Живу на форуме
  • *******
  • Сообщений: 9071
  • Мнение - не повод получить пулю сразу.
Re: модифицируем преамп
« Ответ #21 : Февраля 25, 2017, 13:42:16 »
По идее, это можно заменить конденсатором между анодом и катодом.

Буфер там не для записи в карту сделан.

Оффлайн guitarjfet

  • Ветеран форума
  • ******
  • Сообщений: 4760
Re: модифицируем преамп
« Ответ #22 : Февраля 27, 2017, 06:42:56 »
Чокаво тут, опять снова за 6н2пэ перетираете?  :hitrez:

Оффлайн Дима Мустафин Автор темы

  • Новичок
  • *
  • Сообщений: 17
  • GuitarPlayer.Ru fan!
Re: модифицируем преамп
« Ответ #23 : Февраля 27, 2017, 13:33:12 »
ОООДА)))

Оффлайн Tander

  • Ветеран форума
  • ******
  • Сообщений: 3732
    • Efremoff
Re: модифицируем преамп
« Ответ #24 : Февраля 27, 2017, 14:06:45 »
Vitallka, Я пробовал с диодами. Вполне себе ок. :)

Оффлайн BGPeR

  • Новичок
  • *
  • Сообщений: 11
Re: модифицируем преамп
« Ответ #25 : Февраля 27, 2017, 18:54:45 »
Вообще мне показалось чем ближе к оригиналу, тем лучше звучание. Звук можно разный нарулить - диапазон достаточно широк, а используя импульсы кабинетов так вариативность улетает в небеса...
Если не нравится сам характер перегруза лучше просто другую схему собрать.

Оффлайн Дима Мустафин Автор темы

  • Новичок
  • *
  • Сообщений: 17
  • GuitarPlayer.Ru fan!
Re: модифицируем преамп
« Ответ #26 : Февраля 27, 2017, 19:58:06 »
дали грелочку поиграться, отлично зашло, вот самое то. С диодами к слову тоже по лучше, по приятнее, за совет огромное спасибо. Еще конец прикрутил 18 w типа маршалл переделаный под советскую лампу. Всё здорово. Мой laney теперь зарастает пылью в уголке :D. Устраивает всё. Единственное, что в линии звук стрёмный, слишком рассыпчатый. Того и гляди сейчас развалится. Но при записи с микрофона - это не проблема. А так для игрушки- очень даже годно. Да и начальный опыт в ламповой технике поднабрал. ;)

Оффлайн fahrenheit51

  • Новичок
  • *
  • Сообщений: 3
  • GuitarPlayer.Ru fan!
Re: модифицируем преамп
« Ответ #27 : Марта 08, 2017, 18:28:09 »
Тоже собрал эту схему, только не могу избавиться от свиста. Свистит дико, лечится заменой 22p на 2н. Систа нет, но перегруз хреновый. На 470p -свистит слабо и звук лучше. На 22p  звук офигенный, но свистит. Кто знает что за фигня? С качеством монтажа проблем нет, всё супер спаяно на маске. Канифолька отмыта

Оффлайн Ден2

  • Ветеран форума
  • ******
  • Сообщений: 4278
Re: модифицируем преамп
« Ответ #28 : Марта 08, 2017, 19:17:45 »
Хм. А никого не смутило по схеме из 1 поста, что питание триодов 1b и 2a не отфильтровано электролитом?

Оффлайн fahrenheit51

  • Новичок
  • *
  • Сообщений: 3
  • GuitarPlayer.Ru fan!
Re: модифицируем преамп
« Ответ #29 : Марта 08, 2017, 19:25:36 »
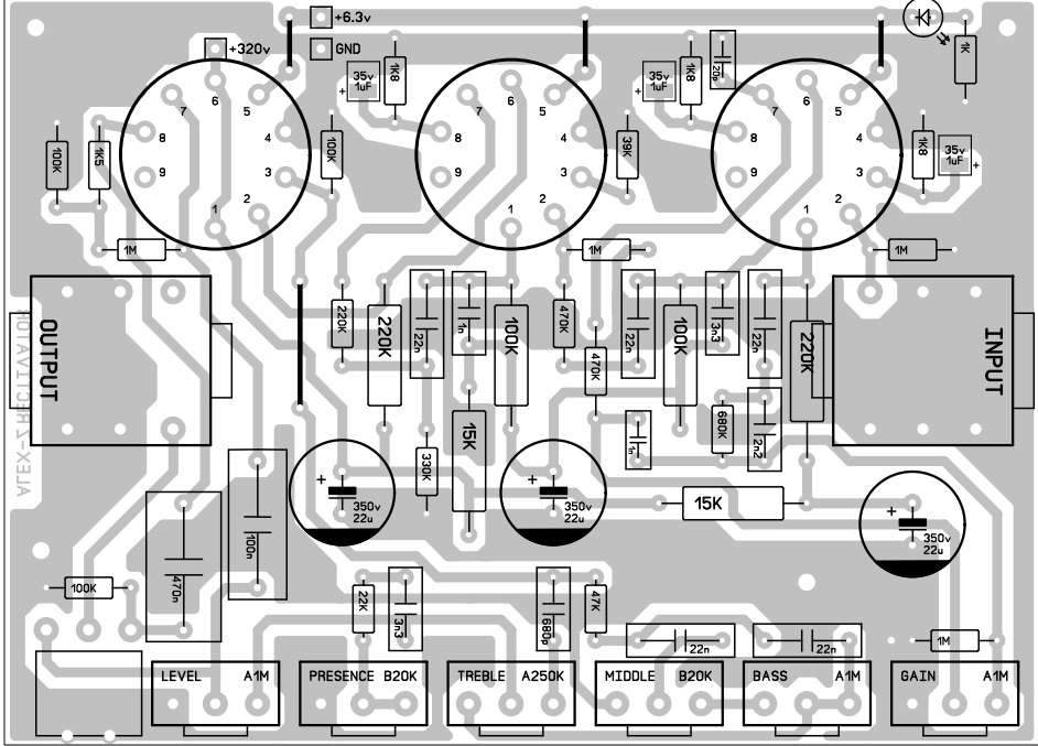
эта схема прилагается к лейауту. А в нём макетка полная уже. Вот.

... и добавил:

и вот верхний 20p меняю на 470.почти не слышно писка, есть мелкий фон. Но всё же с 22p звук на много богаче.

... и добавил:

и еще добавлю что писк слышен и от самой  схемы, ни во что не продключеной
« Последнее редактирование: Марта 09, 2017, 08:55:33 от fahrenheit51 »