да, надеюсь, что так оно и будет. Плюс, хочу сказать, что панельки сидят нормально. Не болтаются и не намертво.
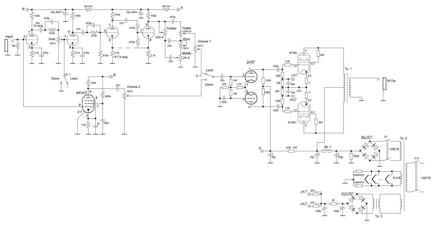
... и добавил:Я тут думаю, как лучше дроссель расположить. Так, как было в предыдущем варианте или лучше расположить дроссель таким образом?
P.S. прошу прощения за крутое владение программой paint
