Автор Тема: Мой мини Ректифаер на 6П3С  (Прочитано 28504 раз)

0 Пользователей и 1 Гость просматривают эту тему.

Оффлайн High Hopes Автор темы

  • Опытный
  • ****
  • Сообщений: 931
  • Воля и Разум
Re: Мой мини Ректифаер на 6П3С
« Ответ #315 : Июня 26, 2021, 16:57:16 »
Так я же писал , что перекос тоже убрал , теперь 230 и 220 в на анодах , все ровно

Оффлайн alkuz

  • Ветеран форума
  • ******
  • Сообщений: 4481
  • Зарегистрированный
    • http://
Re: Мой мини Ректифаер на 6П3С
« Ответ #316 : Июня 26, 2021, 17:01:19 »
Так я же писал , что перекос тоже убрал , теперь 230 и 220 в на анодах , все ровно
Т.е. ты убрал перекос поставив в разрыв оси емкость? Получается, что просто отвязал по постоянке. А ты промерил то, что я говорил? Есть на резисторе оси эта самая постоянка?

Оффлайн High Hopes Автор темы

  • Опытный
  • ****
  • Сообщений: 931
  • Воля и Разум
Re: Мой мини Ректифаер на 6П3С
« Ответ #317 : Июня 26, 2021, 17:07:58 »
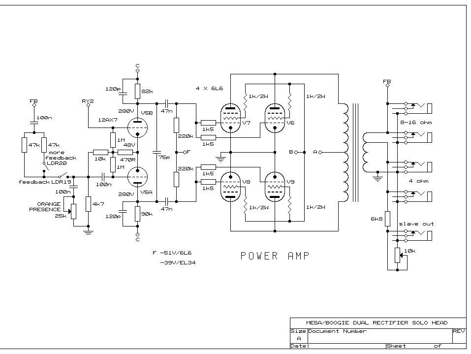
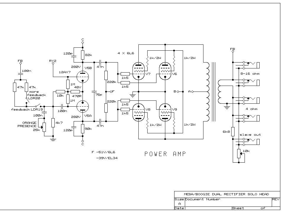
Я все напруги померял. Насколько я знаю фазик может работать и без обратной связи и презенса , но мне так больше нравится . Я лишь добавил перед 100 кОм кондёр как в схеме оконечника Месы . Если аппарат начал правильно работать то в этом есть какое то преступление ?

Оффлайн alkuz

  • Ветеран форума
  • ******
  • Сообщений: 4481
  • Зарегистрированный
    • http://
Re: Мой мини Ректифаер на 6П3С
« Ответ #318 : Июня 26, 2021, 17:34:44 »
High Hopes, Увы, это вовсе не значит, что все в порядке, и аппарат начал правильно работать. Должно работать и без конденсатора. Если не работает, значит проблема осталась, и тебе просто не хватает опыта найти причину  ???
Сейчас весь комплекс твоих "ремонтных" мероприятий выглядит как-то вот так  :D

https://youtu.be/aWEOL7Ytu_g

Оффлайн High Hopes Автор темы

  • Опытный
  • ****
  • Сообщений: 931
  • Воля и Разум
Re: Мой мини Ректифаер на 6П3С
« Ответ #319 : Июня 26, 2021, 17:41:40 »
А кто сказал что я хвастаюсь опытом ?) Может и не такой умный как вы , ну что поделать .. Да, может и не хватает пока опыта ,  но то до чего я дошел своим умом дало на данный момент положительный результат, а дальше время покажет )))

Оффлайн alkuz

  • Ветеран форума
  • ******
  • Сообщений: 4481
  • Зарегистрированный
    • http://
Re: Мой мини Ректифаер на 6П3С
« Ответ #320 : Июня 26, 2021, 17:55:28 »
А кто сказал что я хвастаюсь опытом ?) Может и не такой умный как вы , ну что поделать .. Да, может и не хватает пока опыта ,  но то до чего я дошел своим умом дало на данный момент положительный результат, а дальше время покажет )))
Про хвастовство опытом никто не говорил. Я сказал, что тебе его какраз и не хватает. А вот что-бы он, опыт появился, нужно не замазывать проблему, а решать, находя истинную причину ее возникновения  ???

Оффлайн Medvedeff8

  • Ветеран форума
  • ******
  • Сообщений: 3026
  • Слабоумие и отвага!
Re: Мой мини Ректифаер на 6П3С
« Ответ #321 : Июня 26, 2021, 19:14:28 »
Что-то мне подсказывает, что причиной гула может быть прошитый выходник... Иногда частично шьет на вторичку, отсюда и гул, в момент прошива большая нагрузка по анодному, и через оос перекашивает фазик постоянкой. Отделил оос по постоянке кандёром, симптомы ушли, фазик не перекашивает.
Ну и еще, как вариант - прошитые ламповые панельки. Такое очень редко, но бывает.  :rolleyes:

Оффлайн Алексей Ф

  • Эксперт
  • *****
  • Сообщений: 2261
  • GuitarPlayer.Ru fan!
Re: Мой мини Ректифаер на 6П3С
« Ответ #322 : Июня 26, 2021, 19:17:06 »
Уж точно не чаще, чем прошитые выходные тр-ры. Если не самомот какой-нить небрежный.

Оффлайн alkuz

  • Ветеран форума
  • ******
  • Сообщений: 4481
  • Зарегистрированный
    • http://
Re: Мой мини Ректифаер на 6П3С
« Ответ #323 : Июня 26, 2021, 19:24:55 »
Уж точно не чаще, чем прошитые выходные тр-ры. Если не самомот какой-нить небрежный.

Ну так речь о том, что домотанный ТВЗ-1-6, и это под пару 6п3с, и анодкой 350В.
Но конденсатор все исправил  ???

Оффлайн Medvedeff8

  • Ветеран форума
  • ******
  • Сообщений: 3026
  • Слабоумие и отвага!
Re: Мой мини Ректифаер на 6П3С
« Ответ #324 : Июня 26, 2021, 19:25:57 »
Ну мои предположения исходят из того, что все детали, включая лампы проверенны и исправны, монтаж в норме. Остается только это, других соображений не имею.
 

Уж точно не чаще, чем прошитые выходные тр-ры. Если не самомот какой-нить небрежный.
На моей практике встречалось и то, и другое, причем на одном аппарате) ЗУ-430 подвального хранения, с прошитым на вторичку выходником, и с прошитой же ламповой керамической панелькой.

Оффлайн High Hopes Автор темы

  • Опытный
  • ****
  • Сообщений: 931
  • Воля и Разум
Re: Мой мини Ректифаер на 6П3С
« Ответ #325 : Июня 26, 2021, 21:00:54 »
Как проверить или прошитый выходник? Просто прозвонить первичку и вторичку между собой ? На вторичке нет постоянки вообще , замерял мультиметром
« Последнее редактирование: Июня 26, 2021, 22:03:11 от High Hopes »

Оффлайн alkuz

  • Ветеран форума
  • ******
  • Сообщений: 4481
  • Зарегистрированный
    • http://
Re: Мой мини Ректифаер на 6П3С
« Ответ #326 : Июня 27, 2021, 06:20:55 »
High Hopes, посмотрел внимательно твою топологию... Если я правильно увидел, заземление фазика у тебя приходит по экранной оплетке сигнального провода идущего на мастер?  :o  Это очень плохая идея. И кстати, плохой контакт на каком-то из концов такого "заземления" мог стать причиной этого самого перекоса.
Настоятельно рекомендую перенести резистор 4К7 туда, где ему место - в хвост фазика, непосредственно на плате усилителя. И заземление остальных компонентов этой платы сделай нормально - перемычкой от платы к шине. Экран, если он там вдруг зачем-то нужен, оставь подключенным только с одной стороны.

« Последнее редактирование: Июня 27, 2021, 06:53:55 от alkuz »

Оффлайн High Hopes Автор темы

  • Опытный
  • ****
  • Сообщений: 931
  • Воля и Разум
Re: Мой мини Ректифаер на 6П3С
« Ответ #327 : Июня 27, 2021, 08:33:52 »
Вы имели в виду соединение земли от платы с презенсом и мастером через экран к земляной шине на плате ? Я пробовал ее землить через провод к общей звезде , ничего вообще не меняется, дело не этом. Меня другое интересует , если прошивает выходник то усилитель вообще будет звучать или нет? Сейчас он работает , и звучит и громкость наваливаю нормальную , ему по барабану ревёт как дурной
« Последнее редактирование: Июня 27, 2021, 09:06:58 от High Hopes »

Оффлайн alkuz

  • Ветеран форума
  • ******
  • Сообщений: 4481
  • Зарегистрированный
    • http://
Re: Мой мини Ректифаер на 6П3С
« Ответ #328 : Июня 27, 2021, 08:58:57 »
Вы имели в виду соединение земли от платы с презенсом и мастером через экран к земляной шине на плате ? Я пробовал ее землить через провод к общей звезде , ничего вообще не меняется, дело не этом
Дело в том, что в принципе нельзя пускать землю через экран. Никогда нельзя делать из экрана проводник. Это и есть пресловутая «земляная петля» в чистом виде.
И повторю настоятельную рекомендацию о переносе хвоста фазика на плату усилителя.

Оффлайн AZG

  • Живу на форуме
  • *******
  • Сообщений: 95512
  • Санкт-Петербург
    • AZG CUSTOM
Re: Мой мини Ректифаер на 6П3С
« Ответ #329 : Июня 27, 2021, 09:30:36 »
alkuz, Через экран можно если это сделано правильно и осознанно. Но в любительских конструкциях конечно так делать не надо. Проблем больше будет.