Автор Тема: Обсудим в очередной раз петлю  (Прочитано 156247 раз)

0 Пользователей и 3 Гостей просматривают эту тему.

Оффлайн Мясников

  • Эксперт
  • *****
  • Сообщений: 1861
  • myasnikov-custom.com
    • https://www.youtube.com/channel/UCHZESeK456yYQQXrzjPVB8g
Re: Обсудим в очередной раз петлю
« Ответ #60 : Февраля 03, 2012, 14:25:54 »
R1 220к  R3 220k  

... и добавил:

Дерзай.
я не против, транзисторы надо купить только....   а в наличии их в пензе нет, на скорую руку можно ирф попробовать конечно....

... и добавил:

C3 скорее всего в районе 0.1... не очень критично,гейн через ОС регулируют ...

... и добавил:

« Последнее редактирование: Февраля 03, 2012, 14:31:38 от Мясников »

Оффлайн Makaroff Автор темы

  • Живу на форуме
  • *******
  • Сообщений: 10487
  • DIY - my life
Re: Обсудим в очередной раз петлю
« Ответ #61 : Февраля 03, 2012, 15:32:39 »
Вот что я намалевал:
566811-0

Оффлайн Мяталист

  • Ветеран форума
  • ******
  • Сообщений: 5743
  • Будь как все. Собирай JCM 800 и SLO 100
Re: Обсудим в очередной раз петлю
« Ответ #62 : Февраля 03, 2012, 16:07:53 »
_SlipknoT_, Моделировать будешь?

Оффлайн Makaroff Автор темы

  • Живу на форуме
  • *******
  • Сообщений: 10487
  • DIY - my life
Re: Обсудим в очередной раз петлю
« Ответ #63 : Февраля 03, 2012, 16:42:14 »
Мяталист, зачем, макетить буду!

Оффлайн Мяталист

  • Ветеран форума
  • ******
  • Сообщений: 5743
  • Будь как все. Собирай JCM 800 и SLO 100
Re: Обсудим в очередной раз петлю
« Ответ #64 : Февраля 03, 2012, 16:43:37 »
Мяталист, зачем, макетить буду!
Это я имел в виду.

Оффлайн Тимон

  • Ветеран форума
  • ******
  • Сообщений: 3556
  • Мохнатый
Re: Обсудим в очередной раз петлю
« Ответ #65 : Февраля 03, 2012, 16:47:25 »
Мяталист, зачем, макетить буду!
На входе как минимум не хватает делителя.
« Последнее редактирование: Февраля 03, 2012, 16:54:54 от _SlipknoT_ »

Оффлайн Makaroff Автор темы

  • Живу на форуме
  • *******
  • Сообщений: 10487
  • DIY - my life
Re: Обсудим в очередной раз петлю
« Ответ #66 : Февраля 03, 2012, 16:55:01 »
На входе как минимум не хватает делителя.

На сколько делить?

Оффлайн Мяталист

  • Ветеран форума
  • ******
  • Сообщений: 5743
  • Будь как все. Собирай JCM 800 и SLO 100
Re: Обсудим в очередной раз петлю
« Ответ #67 : Февраля 03, 2012, 17:04:32 »
На сколько делить?
на 100500  ;D

... и добавил:

ставь подстроечник в мегоом.
« Последнее редактирование: Февраля 03, 2012, 17:06:44 от Мяталист »

Оффлайн Мясников

  • Эксперт
  • *****
  • Сообщений: 1861
  • myasnikov-custom.com
    • https://www.youtube.com/channel/UCHZESeK456yYQQXrzjPVB8g
Re: Обсудим в очередной раз петлю
« Ответ #68 : Февраля 03, 2012, 21:03:37 »
На входе как минимум не хватает делителя.

на ноль!)

Оффлайн Тимон

  • Ветеран форума
  • ******
  • Сообщений: 3556
  • Мохнатый
Re: Обсудим в очередной раз петлю
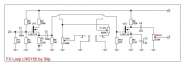
« Ответ #69 : Февраля 05, 2012, 18:28:52 »
Кому нужна нормальная последовательная ламповая петля, держите. Максимальный уровень в петле около 0 dBu.

567324-0
« Последнее редактирование: Февраля 05, 2012, 18:34:23 от Тимон »

Оффлайн Makaroff Автор темы

  • Живу на форуме
  • *******
  • Сообщений: 10487
  • DIY - my life
Re: Обсудим в очередной раз петлю
« Ответ #70 : Февраля 05, 2012, 18:57:00 »
Тимон, а че такие мелкие разделительные конденсаторы?

Оффлайн AZG

  • Живу на форуме
  • *******
  • Сообщений: 95582
  • Санкт-Петербург
    • AZG CUSTOM
Re: Обсудим в очередной раз петлю
« Ответ #71 : Февраля 05, 2012, 19:09:10 »
_SlipknoT_, наверное под маршаллоиды :)

Тимон, Что-то не шибко нравится такое занижение уровня и большое усиление буфера ретурна. Не боишься грязи насосать?

Оффлайн Тимон

  • Ветеран форума
  • ******
  • Сообщений: 3556
  • Мохнатый
Re: Обсудим в очередной раз петлю
« Ответ #72 : Февраля 05, 2012, 19:40:21 »
Тимон, Что-то не шибко нравится такое занижение уровня и большое усиление буфера ретурна. Не боишься грязи насосать?
1в амплитудного в пиках -- это мало? Усиление у ретурна вполне нормальное, чтоб с 1в разогнать сигнал до чего-то похожего на выход с ТБ.

Оффлайн AZG

  • Живу на форуме
  • *******
  • Сообщений: 95582
  • Санкт-Петербург
    • AZG CUSTOM
Re: Обсудим в очередной раз петлю
« Ответ #73 : Февраля 05, 2012, 20:07:44 »
Тимон, ОК. Просто привык как-то к меньшему усилению в типовых петлях.

Оффлайн Тимон

  • Ветеран форума
  • ******
  • Сообщений: 3556
  • Мохнатый
Re: Обсудим в очередной раз петлю
« Ответ #74 : Февраля 05, 2012, 20:45:53 »
В реале к.у. ретурна вряд ли будет сильно больше 20-25. Даже 25в в пиках -- это ни разу не 60-70, которые идут с тб, однако лучше, чем ничего.