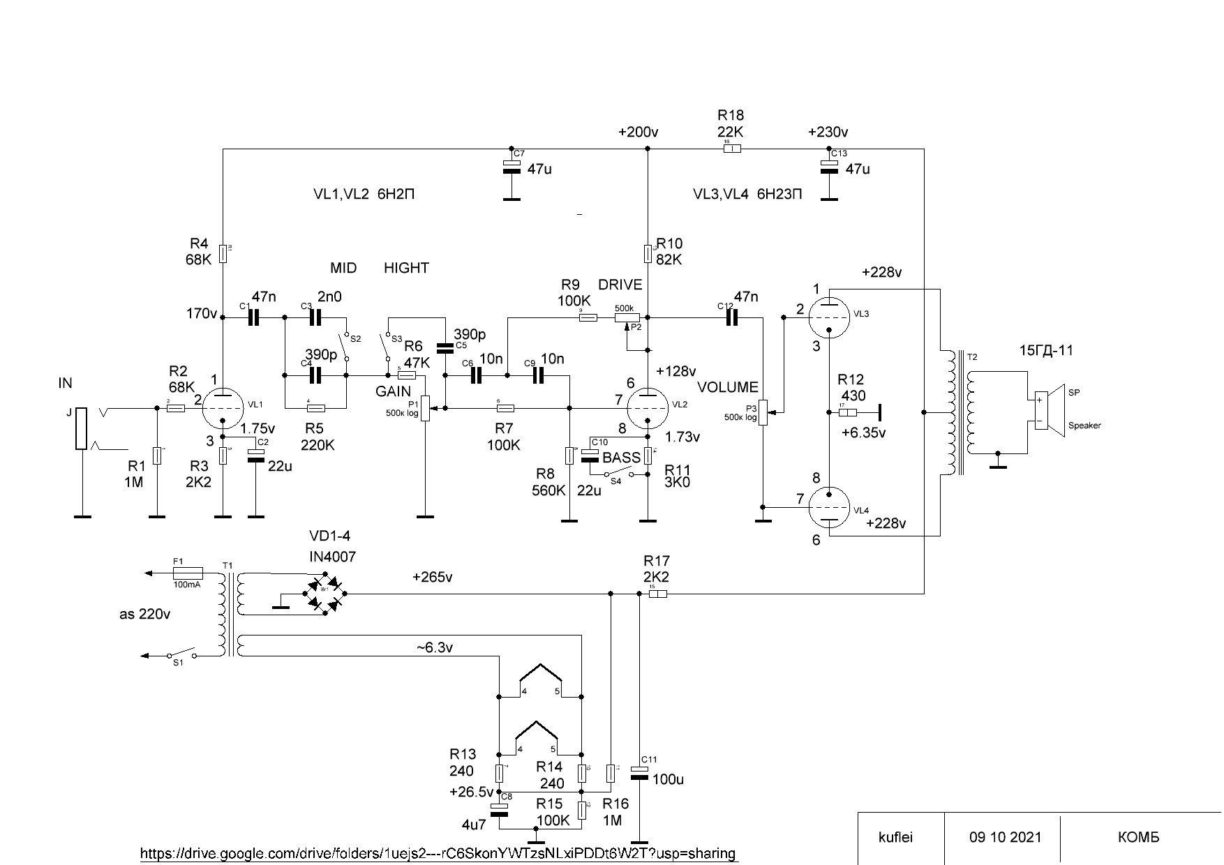
Вот один наш давнишний форумчанин сделал себе усь для чисто домашней практики;
говорит крутилок на тембра не нашлось, сварганил чисто качественно на тумблерах и практика показала что и крутилки не пришлось бы крутить - всё в ровном положении и ок.
На 6Н23П он зумом подогревает, на 6Н2П прямо гитара в усь норм качает
Похожэ силовик у него из этого УПТ для самописцев, там как раз вторичка 188 переменки

да, сказал "просто из того что было в хламе, ничего со стороны, и дин - середняк из S-90
да, сказал "просто из того что было в хламе, ничего со стороны, и дин - середняк из S-90