Вобщем собрал его на трансах от бига. Заимел я короче кучу проблем. Первая касается bias'a. На схеме оранджа на смещение идет обмотка 100 вольт, в биговских трансах обмотка 36 вольт и без средней точки. Вроде разрулил этот вопрос поставив диодный мост, поднял напряжение до 56 вольт, должно хватить. На аноде 450 вольт. Все было вроде норм, но в один момент одна их выходных ламп начала стреляться внутри искрами... Не пойму че им нужно... Лампы вообще старые - может уже пришло их время?
... и добавил:
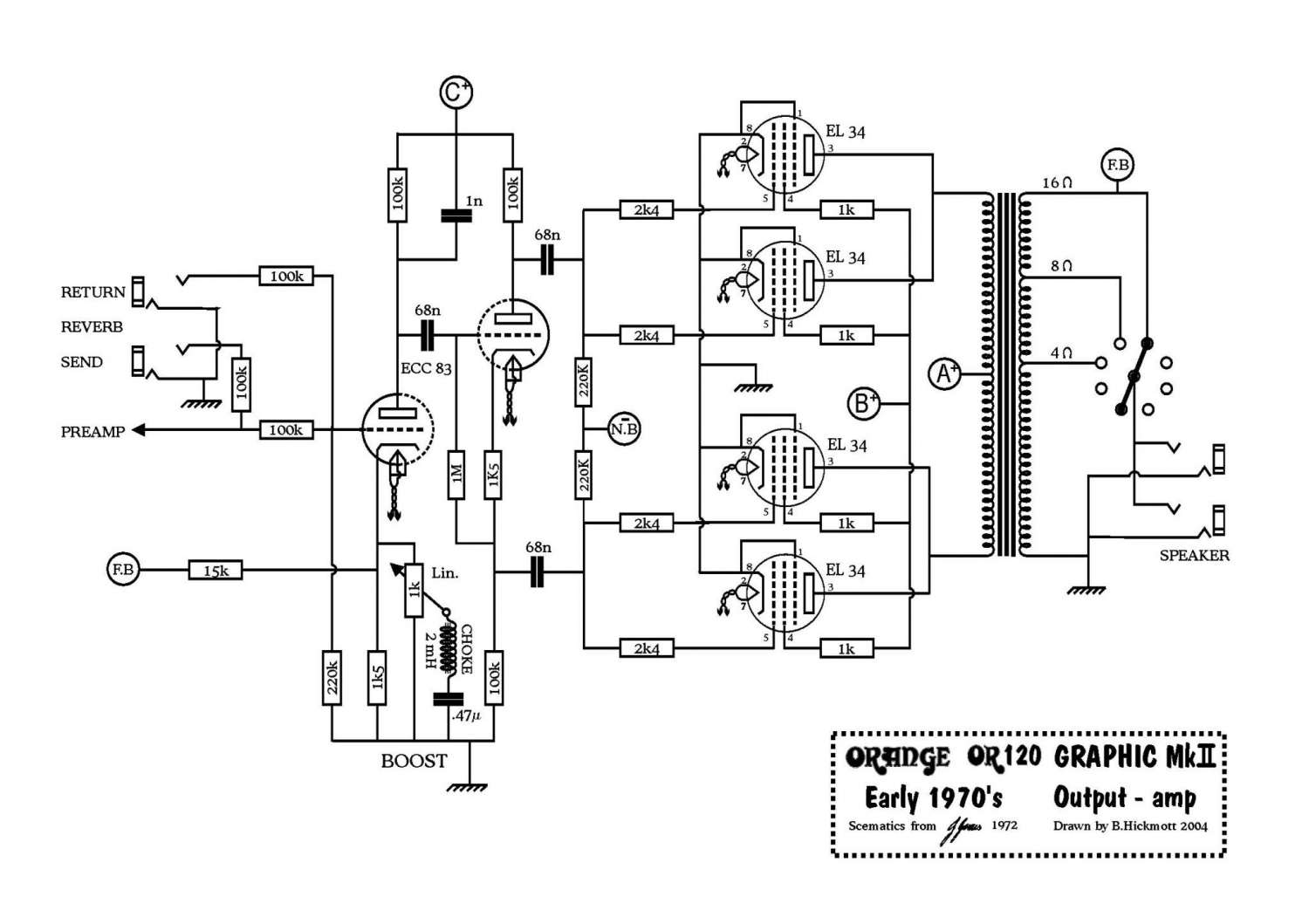
Подскажи пожалуйста, как настроить оконечник?
Моста и 55В после него будет достаточно для регулировки смещения, умножитель тут не нужен. Нужное напряжение смещения окажется в диапазоне 40-50В. Но - ориентироваться нужно не на величину напряжения смещения, а на ток покоя выходных ламп. Для этого:
- в катоды выходных ламп впаиваешь измерительные резисторы 1Ом\1Вт;
- ставишь новые исправные лампы, подобранные в пару (хоть примерно, магазином), прогреваешь;
- сначала смещение выкручиваешь на максимальную величину, к тем же -55В, чтобы запереть лампы;
- измеряя падение напряжения на измерительных резисторах, получаешь ток покоя, численно равный падению на резисторах;
- подстраиваешь смещением ток покоя так, чтобы мощность, рассеиваемая на анодах, составила от 60 до 70% (15-18Вт) от допустимого максимума (обычно 25Вт у ходовых ЕЛ34) для конкретных ламп (британцы традиционно любят горячие режимы).
При росте тока покоя естественно будет несколько снижаться напряжение на анодах. Поэтому удобно замерять двумя тестерами. Также для совсем уж точной настройки нужно измерить потребление тока вторых сеток и вычитать его из общего тока катода, для точного расчета мощности на аноде. Обычно вторые сетки в таких схемах потребляют 4-5мА в покое. Но измерить падение на токоограничивающих резисторах и посчитать ток труда не составляет. При том, что в этих Бигах, сколь я помню, анодное составляет около 470В в норме, то ток покоя на каждую лампу составит 30-40мА. Разброс токов катодов у пары в горячем режиме допустим в пределах 3-4мА. Более 5мА - уже нехорошо, это проявится в звуке. Такой разброс говорит о том, что пара подобрана посредственно и в другом режиме.
Вот и все

.