Автор Тема: Овердрайв для баса  (Прочитано 8173 раз)

0 Пользователей и 1 Гость просматривают эту тему.

Оффлайн Yarilo Автор темы

  • Новичок
  • *
  • Сообщений: 62
  • GuitarPlayer.Ru fan!
Овердрайв для баса
« : Января 19, 2015, 09:07:17 »
Итак, собрал я пред для баса на 2-х лампах (https://guitarplayer.ru/index.php?topic=318601.0) и очень им доволен. Возникла мысль прикрутить к нему еще и овердрайв. Поразмыслив, решил собирать отдельный блок (типа педальки, только в общем с предом корпусе, переключение на реле типа РЭС-47 при помощи вынесенного переключателя), чтоб на вход преда можно было подключать либо бас напрямую, либо бас через овер. Основная идея в том, чтобы можно было регулировать громкость перегруза отдельно от общей громкости. Перегружать существующие каскады считаю неправильным, поскольку будет изменяться общая громкость при включении овера.

Поскольку пред ламповый, то и овер хочу собрать ламповый. Есть два варианта: ValveCaster (http://guitar-gear.ru/index.php?p=proj&id=68), чисто ламповый, либо TubeDriver Butler B.K. - гибрид. Но оба они в оригинале низковольтные.
Что будет, если анодное на их лампы подать нормальное (у меня порядка 200в)? И что из них посоветуете? Или накиньте других схемок?

« Последнее редактирование: Января 19, 2015, 09:11:14 от Yarilo »

Оффлайн Tander

  • Ветеран форума
  • ******
  • Сообщений: 3732
    • Efremoff
Re: Овердрайв для баса
« Ответ #1 : Января 19, 2015, 13:06:45 »
Чтобы на низковольтные ламповые преды подать высокое питание - хорошо бы пересмотреть анодные и катодные цепи. Явно не нужно делать регулировку гейна с катода на землю, лучше в катодных цепях дать стандартную параллельную связку 1,5К/47uF на землю, а пот гейна сделать после разделительного конденсатора который идет с анода первой лампы. Но. Во-первых - нужно подобрать разделительные конденсаторы (т.к. ты же хочешь овердрайв, а не зудящуюю/фузящую перделку), во-вторых - хорошо бы подумать "второй" канал для чистого (можно на полевиках типа LND150, IRF840, можно на лампе) обязательно такое же кол-во как и ламповых каскадов (чтобы совпала фаза сигнала по выходу), с регулировкой смешивания между каналами. Т.к. хороший овердрайв получается когда в звуке не много низа, но тогда в миксе бас пропадает. чтобы был низ - нужен дублирующий канал с чистым басом, подмешанный к перегруженному.

... и добавил:

Так же - я собирал вальвкастер для гитары. Как "обучалка" - интересный проект. по звуку - не очень. с басом - и подавно.

... и добавил:

Здесь обсуждался ламповый овер - https://guitarplayer.ru/index.php?topic=321479.msg7984903;topicseen#msg7984903 AZG дал схему. На ней  неплохой овер отключаемый первым отрисован. От него можно отталкиватся в построении басового овера.
« Последнее редактирование: Января 19, 2015, 13:14:44 от Tander »

Оффлайн Vitallka

  • Эксперт
  • *****
  • Сообщений: 1175
  • Антиум
Re: Овердрайв для баса
« Ответ #2 : Января 19, 2015, 13:22:05 »
Хоть не вздумай на этой Russian Tube Overdrive повторять при высоком напряжении, а то придется расплачиваться новой лампой - от TubeDriver Butler B.K. она отличается одной авторской "фишкой"

Оффлайн Yarilo Автор темы

  • Новичок
  • *
  • Сообщений: 62
  • GuitarPlayer.Ru fan!
Re: Овердрайв для баса
« Ответ #3 : Января 19, 2015, 14:02:11 »
Хоть не вздумай на этой Russian Tube Overdrive повторять при высоком напряжении, а то придется расплачиваться новой лампой - от TubeDriver Butler B.K. она отличается одной авторской "фишкой"
А что за фишка такая? Смотрел обе схемы, в ламповой части отличаются номиналами некоторых деталек.

Явно не нужно делать регулировку гейна с катода на землю, лучше в катодных цепях дать стандартную параллельную связку 1,5К/47uF на землю, а пот гейна сделать после разделительного конденсатора который идет с анода первой лампы.
Другими словами, вальвкастер отпадает. Кстати, я его тоже собирал, с питанием от 9 В. Получился не предусилитель, а предослаблятель. Т.е., сигнал с баса на входе (а бас G&L, выхлопа просто до#$%) был сильнее, чем на выходе. Я подумал, что с нормальной анодкой будет лучше.

хорошо бы подумать "второй" канал для чистого (можно на полевиках типа LND150, IRF840, можно на лампе) обязательно такое же кол-во как и ламповых каскадов (чтобы совпала фаза сигнала по выходу), с регулировкой смешивания между каналами. Т.к. хороший овердрайв получается когда в звуке не много низа, но тогда в миксе бас пропадает. чтобы был низ - нужен дублирующий канал с чистым басом, подмешанный к перегруженному.

В идеале хочу сделать регулятор типа бленд, только еще не придумал как. По сути, можно такую же схему, только гейн выставлять на минимум, что перегруза не было, так?

За схемку по ссылке спасибо, попробую ее собрать.

А если на одну крайнюю ногу переменника бленда пустить сигнал со входа овера, а на другую крайнюю - с выхода овера. А с движка переменника пустить сигнал дальше?
« Последнее редактирование: Января 19, 2015, 14:05:25 от Yarilo »

Оффлайн Tander

  • Ветеран форума
  • ******
  • Сообщений: 3732
    • Efremoff
Re: Овердрайв для баса
« Ответ #4 : Января 19, 2015, 14:48:14 »
Yarilo, Насчет бленда да, но не совсем. по сути да - но там должен быть другой КУ в каскадах, и другие проходные емкости.
Вот смотри семпл. Первая часть - чистый канал, вторая часть - перегруженный канал, с приподнятым верхом (кроме этого - обрати внимание как обрезан низ у него), третья часть - смешанный перегруженный и чистый каналы.

Если ты на ноги переменника бленда пустишь один сигнал со входа, другой - с выхода - у тебя будет обратная связь, которая по сути будет очень печальна. ))
« Последнее редактирование: Апреля 13, 2015, 17:16:27 от Kuzmitch »

Оффлайн Vitallka

  • Эксперт
  • *****
  • Сообщений: 1175
  • Антиум
Re: Овердрайв для баса
« Ответ #5 : Января 19, 2015, 15:19:34 »
А что за фишка такая? Смотрел обе схемы, в ламповой части отличаются номиналами некоторых деталек.
Там сетка во втором каскаде посажена на анодку - лампа всегда работает с токами сетки, которые должны быть немалые.

Оффлайн Yarilo Автор темы

  • Новичок
  • *
  • Сообщений: 62
  • GuitarPlayer.Ru fan!
Re: Овердрайв для баса
« Ответ #6 : Января 19, 2015, 16:08:04 »
Yarilo,  там должен быть другой КУ в каскадах, и другие проходные емкости.

Если ты на ноги переменника бленда пустишь один сигнал со входа, другой - с выхода - у тебя будет обратная связь, которая по сути будет очень печальна. ))
Другой КУ и прочее - звучит красиво, только вот знаний моих для расчета этого не хватает. По готовой схеме собрать девайс - это могу, емкости проходные подобрать еще смогу, методом научного тыка (может быть), а вот полностью с нуля разработать - нет.
Подскажи, на основе чего можно реализовать бленд? Алембик? Хотя алембик я собирал, он меня не впечатлил особо. Или чего другое?

А если блок овера подключать параллельно существующему преду? Хотя тогда громкость на выходе будет меняться...
« Последнее редактирование: Января 19, 2015, 16:14:00 от Yarilo »

Оффлайн Geezer

  • Живу на форуме
  • *******
  • Сообщений: 12809
  • Atypique
Re: Овердрайв для баса
« Ответ #7 : Января 19, 2015, 16:55:28 »
На низковольтном питании лампы дают жёсткое ограничение rail-to-rail, а чтобы зайти в зону красивой нелинейности, нужны реально рабочие напряжения и сигналы соответствующего размаха.
С низковольтным же питанием лучше использовать полевики с их "кукольными" масштабами сигналов и с соответствующими ВАХами...

Оффлайн Tander

  • Ветеран форума
  • ******
  • Сообщений: 3732
    • Efremoff
Re: Овердрайв для баса
« Ответ #8 : Января 19, 2015, 17:02:55 »
Алембик для чистого - хороший вариант. Он не должен впечатлять. Можно в качестве чистого канала взять за основу алембик, только выкинуть оттуда темброблок, оставив только разделительный конденсатор (где-то на 100nF) и пот "громкости/гейна".  с выхода второй лампы подаем на "нижнюю" ножку потенциометра бленда, На верхнюю ножку подаем выход с разделительного конденсатора последнего с канала овердрайва (который ты выберешь по своему усмотрению). со средней ножки (движка) забираем не регулятор тона и громкости общей.
В принципе и для овердрайва можно заюзать тот же алембик, только дать темблоблок не между лампами, а после ламп, т.к. тб очень ослабляет уровень сигнала, и получить какой-то вменяемый овердрайв - сложно. так же нужно будет подумать над самим темблоблоком, и над разделительными конденсаторами между лампами. Если не спешишь - вечером или завтра с утра - могу отрисовать.

Но опять же - это все под высокое анодное. Т.е. получается уже как минимум 2 лампы, полноценное питание (хотя и Nixie хватит с головой). Габаритное устройство будет.


Оффлайн Yarilo Автор темы

  • Новичок
  • *
  • Сообщений: 62
  • GuitarPlayer.Ru fan!
Re: Овердрайв для баса
« Ответ #9 : Января 19, 2015, 17:17:14 »
Габариты девайса меня не смущают, все пихается в корпус от оптического кросса 19 дюймов. Транс на питание тоже с запасом взят, выдает 250 или 125 переменки, что после выпрямления и т.п. дает около 400/180 вольт. Больше смущает количество регуляторов, т.к. в том преде, который я собрал, их аж 7 штук (гейн, НЧ, СЧ, ВЧ, мастер + 2 непонятных, но вроде полезных), сложно будет на панель переднюю умещать. Потребуются же еще как минимум 4 (драйв, бленд, тон, уровень) из секции овера. Темброблок мне, в принципе, в секции овера особо не нужен (пока), хватит одной ручки тона, остальное буду рулить в секции основного преда.

Т.е., секция овера у меня будет состоять из 2-х параллельных частей: мюллеровского овера и чистого алембика (без ТБ). Регулировка тона и громкости овера будет после бленда. Правильно? Завтра попробую отрисовать схему (у нас уже сильно вечер, детвора моя уже спят...)
« Последнее редактирование: Января 19, 2015, 17:19:38 от Yarilo »

Оффлайн Tander

  • Ветеран форума
  • ******
  • Сообщений: 3732
    • Efremoff
Re: Овердрайв для баса
« Ответ #10 : Января 19, 2015, 21:45:45 »
да. овер будет состоять из двух параллельных линий - миллер и алембик. регуляторы - их не много - 4. гейн, бленд, тон, общ,громкость. даже если захочешь трехполосный экв на овере - +2 ручки всего. громкость чистого нужно будет выставить 1 раз и забыть. вполне подойдет какой-то подстроечник - токи там не большие.

я вон щас в 1Ю трехканальный пред собираю гитарный. там 16 ручек, несколько переключалок. и ничо, влазит все, :)

Оффлайн Yarilo Автор темы

  • Новичок
  • *
  • Сообщений: 62
  • GuitarPlayer.Ru fan!
Re: Овердрайв для баса
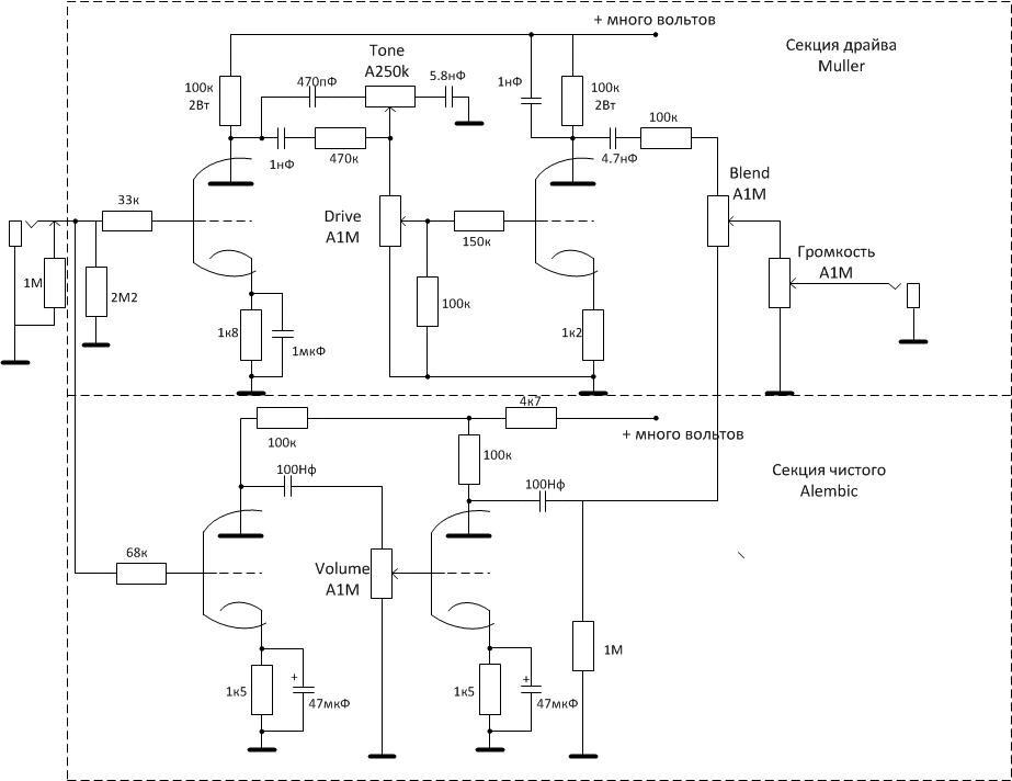
« Ответ #11 : Января 20, 2015, 13:11:04 »
Ну, в общем, накидал общую схему.
Гляньте опытным глазом, все ли правильно (в основном, в части смешивания).
Номиналы оставил пока как в оригинальных схемах. Ну, в алембике менять ничего и не надо, а вот в мюллере...
Конденсаторы в проходе, судя по всему надо будет увеличивать на порядок, так?

Оффлайн Dying Fetus

  • Moderator
  • *****
  • Сообщений: 10310
  • DIYng Fetus
    • http://cathar.ru
Re: Овердрайв для баса
« Ответ #12 : Января 20, 2015, 13:13:42 »
Yarilo, какая милота на входе :)

Оффлайн Tander

  • Ветеран форума
  • ******
  • Сообщений: 3732
    • Efremoff
Re: Овердрайв для баса
« Ответ #13 : Января 20, 2015, 13:43:17 »
 Yarilo, тут бы повторитель по входу....

Оффлайн Yarilo Автор темы

  • Новичок
  • *
  • Сообщений: 62
  • GuitarPlayer.Ru fan!
Re: Овердрайв для баса
« Ответ #14 : Января 20, 2015, 14:28:18 »
Повторитель - это как и зачем?