Автор Тема: Овердрайв для баса  (Прочитано 8171 раз)

0 Пользователей и 1 Гость просматривают эту тему.

Оффлайн Tander

  • Ветеран форума
  • ******
  • Сообщений: 3732
    • Efremoff
Re: Овердрайв для баса
« Ответ #30 : Января 21, 2015, 18:07:31 »
схему оранжа с фирном?

Оффлайн akl

  • Живу на форуме
  • *******
  • Сообщений: 8114
  • не шарю ваще

Оффлайн Tander

  • Ветеран форума
  • ******
  • Сообщений: 3732
    • Efremoff
Re: Овердрайв для баса
« Ответ #32 : Января 21, 2015, 18:14:03 »
Не, я имел ввиду где ФИРН стоит по входу. для разделения на каналы например (чистый, грязный) и тп. Понятно что в усилителях мощности двухтактных не обойтись без фазоинвертора. И мне кажется что там ему и место. ))

Оффлайн akl

  • Живу на форуме
  • *******
  • Сообщений: 8114
  • не шарю ваще
Re: Овердрайв для баса
« Ответ #33 : Января 21, 2015, 18:21:18 »
я чет все равно не очень понял зачем повторитель на входе :hmmm:

... и добавил:

а чистый вообще можно сделать на одним тумблером. обход второго каскада.
« Последнее редактирование: Января 21, 2015, 18:25:06 от akl »

Оффлайн Tander

  • Ветеран форума
  • ******
  • Сообщений: 3732
    • Efremoff
Re: Овердрайв для баса
« Ответ #34 : Января 21, 2015, 18:25:40 »
ну.. возьми 2 триода. соедени их сетками, и без повторителя подай на них например гитару. Входное сопротивление при таком подключении падает в 2 раза...

... и добавил:

активный бас например будет и без повторителя звучать нормально (т.к. у него по выходу буфер стоит), а вот пассивный - может слится в унылое бубнение....

Оффлайн akl

  • Живу на форуме
  • *******
  • Сообщений: 8114
  • не шарю ваще
Re: Овердрайв для баса
« Ответ #35 : Января 21, 2015, 18:27:48 »
это да. но все равно можно проще сделать. например первый каскад один на оба канала, а после него уже разветвлять

Оффлайн Rolly

  • Живу на форуме
  • *******
  • Сообщений: 9052
  • Мнение - не повод получить пулю сразу.
Re: Овердрайв для баса
« Ответ #36 : Января 21, 2015, 18:28:19 »
Пробовал я игратся с ФИРН... сорри, но сколько я не макетил - фигня получается по звуку почему-то. выход с анода - значительно больше по амплитуде, чем выход с катода. Интересно - почему его гитарные строители не пользуют - удобная в теории вещь то.... Забросил я его. Ну а в целом да - остается в таком случае 1 каскад в чистом - для раскачки сигнала после ФИРНа, и 2 каскада в канале овердрайва как и было. Если получится с ФИРНом.
Сигналы одинаковы при равных нагрузках на плечи. :pozor:

Оффлайн Yarilo Автор темы

  • Новичок
  • *
  • Сообщений: 62
  • GuitarPlayer.Ru fan!
Re: Овердрайв для баса
« Ответ #37 : Января 21, 2015, 18:29:57 »
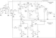
Схема с повторителем. Правильно?

... и добавил:

Повторитель на выходе, при условии жесткого подключения в ламповый пред, не нужен?

Оффлайн Tander

  • Ветеран форума
  • ******
  • Сообщений: 3732
    • Efremoff
Re: Овердрайв для баса
« Ответ #38 : Января 21, 2015, 18:31:29 »
Rolly, еще раз повторюсь - это был лично мой опыт. мне не понравилось и я эту идею забросил.

Yarilo,  ну - как-то так.

Оффлайн akl

  • Живу на форуме
  • *******
  • Сообщений: 8114
  • не шарю ваще
Re: Овердрайв для баса
« Ответ #39 : Января 21, 2015, 18:32:28 »
нижней лампе тоже резистор утечки надо.
и все равно это слишком сложно >:( проще надо >:(

Оффлайн Rolly

  • Живу на форуме
  • *******
  • Сообщений: 9052
  • Мнение - не повод получить пулю сразу.
Re: Овердрайв для баса
« Ответ #40 : Января 21, 2015, 18:32:43 »
ну.. возьми 2 триода. соедени их сетками, и без повторителя подай на них например гитару. Входное сопротивление при таком подключении падает в 2 раза...
А сколько входное сопротивление лампы?  :hitrez:

... и добавил:

Rolly, еще раз повторюсь - это был лично мой опыт. мне не понравилось и я эту идею забросил.
Да ну и пусть, просто одно дело не понравилось, другое - правильное использование решения.
« Последнее редактирование: Января 21, 2015, 18:34:29 от Rolly »

Оффлайн Tander

  • Ветеран форума
  • ******
  • Сообщений: 3732
    • Efremoff
Re: Овердрайв для баса
« Ответ #41 : Января 21, 2015, 18:34:42 »
повторитель при подключении жестко на вход лампового преда - можно не делать, я думаю. по крайней мере нигде не встречал.

Оффлайн akl

  • Живу на форуме
  • *******
  • Сообщений: 8114
  • не шарю ваще
Re: Овердрайв для баса
« Ответ #42 : Января 21, 2015, 18:35:22 »
кстати вот например спокойно на входе параллелят каскады и ниче http://schems.com/manu/sunn/sunn_model_t.pdf
тогда еще активных датчиков даже не было наверно

... и добавил:

но я бы вообще сделал первый каскад один, а после него уже разделение.

... и добавил:

экономия
« Последнее редактирование: Января 21, 2015, 18:37:07 от akl »

Оффлайн Rolly

  • Живу на форуме
  • *******
  • Сообщений: 9052
  • Мнение - не повод получить пулю сразу.
Re: Овердрайв для баса
« Ответ #43 : Января 21, 2015, 18:42:56 »
Грубо говоря, входное сопротивление (импеданс) каскада с ОК равно сопротивлению резистора утечки плюс паразитные ёмкости. Поэтому, если соединить два триода параллельно, то у них сложатся эти ёмкости, а сопротивление утечки, общее для них, будет то же.

Оффлайн Tander

  • Ветеран форума
  • ******
  • Сообщений: 3732
    • Efremoff
Re: Овердрайв для баса
« Ответ #44 : Января 21, 2015, 18:43:16 »
Rolly, Опять же - я не отговариваю человека не пробовать ФИРН. Я просто предлагаю другое решение.