Автор Тема: Овердрайв для баса  (Прочитано 8179 раз)

0 Пользователей и 1 Гость просматривают эту тему.

Оффлайн Kruger90

  • Новичок
  • *
  • Сообщений: 24
  • GuitarPlayer.Ru fan!
Re: Овердрайв для баса
« Ответ #75 : Февраля 22, 2015, 22:00:52 »
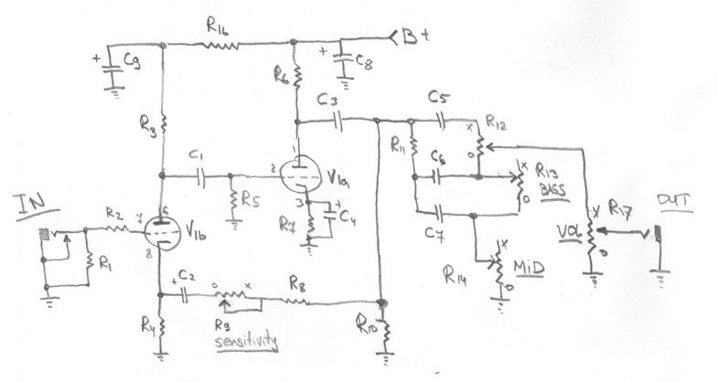
Наткнулся на вот такую схемку, R9 регулирует обратную связь и тем самым перегруз. Кто то такой собирал?

Оффлайн Dying Fetus

  • Moderator
  • *****
  • Сообщений: 10310
  • DIYng Fetus
    • http://cathar.ru
Re: Овердрайв для баса
« Ответ #76 : Февраля 23, 2015, 01:24:01 »
прям, как фуз фэйс  :crazy:

Оффлайн Geezer

  • Живу на форуме
  • *******
  • Сообщений: 12831
  • Atypique
Re: Овердрайв для баса
« Ответ #77 : Февраля 23, 2015, 07:35:05 »
Цитировать
Я собирал на макетке, S3 не стал делать
Ограничителями усиления в исходной схеме являются R9 и R24. Если их зашунтировать электролитами в несколько мкФ, усиление существенно возрастёт. Можно шаманить на слух, по  вкусу.
А насчёт транзисторного бустера на входе - это самое простое и бесхлопотное решение, и подходящих вариантов тут легко подскажут кучу...
« Последнее редактирование: Февраля 23, 2015, 07:38:46 от Geezer »

Оффлайн guitarjfet

  • Ветеран форума
  • ******
  • Сообщений: 4760
Re: Овердрайв для баса
« Ответ #78 : Февраля 23, 2015, 08:05:28 »
Ограничителями усиления в исходной схеме являются R9 и R24. Если их зашунтировать электролитами в несколько мкФ, усиление существенно возрастёт. Можно шаманить на слух, по  вкусу.
А насчёт транзисторного бустера на входе - это самое простое и бесхлопотное решение, и подходящих вариантов тут легко подскажут кучу...
Блин, зачем городить костыли, когда есть готовые нормальные решения, не понимаю  ???

Оффлайн Geezer

  • Живу на форуме
  • *******
  • Сообщений: 12831
  • Atypique
Re: Овердрайв для баса
« Ответ #79 : Февраля 23, 2015, 09:06:58 »
Нет смысла трепетать перед готовыми решениями, если человека не удовлетворяет звук. Всё в наших руках - соль и перец кладутся в блюдо по вкусу.

Оффлайн Yarilo Автор темы

  • Новичок
  • *
  • Сообщений: 62
  • GuitarPlayer.Ru fan!
Re: Овердрайв для баса
« Ответ #80 : Февраля 23, 2015, 09:42:20 »
Ограничителями усиления в исходной схеме являются R9 и R24. Если их зашунтировать электролитами в несколько мкФ, усиление существенно возрастёт.

Конденсатор параллельно R9 я ставил. Но на этом каскаде уже идет ограничение, если я правильно понимаю. А раскачивает сигнал, чтоб он ограничивался, первый каскад. И вот его раскачки как раз и не хватает.
Блин, зачем городить костыли, когда есть готовые нормальные решения, не понимаю  ???
Дык вот что-то не могу найти готового решения. Еще раз озвучу - хочу перегруз, похожий на агиляровский (тон хаммер). С крупным зерном. И вот такого пока получить не могу.

Оффлайн Geezer

  • Живу на форуме
  • *******
  • Сообщений: 12831
  • Atypique
Re: Овердрайв для баса
« Ответ #81 : Февраля 23, 2015, 10:31:28 »
Цитировать
И вот его раскачки как раз и не хватает
- Давайте уточним, чего именно в выходном сигнале не хватает - громкости или гейна (грубо говоря, продолжительности искажённого звука)?

Оффлайн Tander

  • Ветеран форума
  • ******
  • Сообщений: 3732
    • Efremoff
Re: Овердрайв для баса
« Ответ #82 : Февраля 23, 2015, 10:32:47 »
Yarilo, У меня был Tone Hammer от агуляра. Не знаю чем его перегруз так тебе понравился - обычный фуз как по мне.... Крупное зерно говоришь - а как по мне обычный (только более чистый) Big Muff басовый.

... и добавил:

Так что я бы смотрел больше в сторону "прямоугольных" схем - FuzzFace, BigMuff и подобных. Можно ли подобное реализовать на лампе - думаю да, но к сожалению не подскажу как.
« Последнее редактирование: Февраля 23, 2015, 10:35:03 от Tander »

Оффлайн Yarilo Автор темы

  • Новичок
  • *
  • Сообщений: 62
  • GuitarPlayer.Ru fan!
Re: Овердрайв для баса
« Ответ #83 : Февраля 23, 2015, 11:45:49 »
- Давайте уточним, чего именно в выходном сигнале не хватает - громкости или гейна (грубо говоря, продолжительности искажённого звука)?
Громкости в выходном сигнале хватает.Гейна хотелось бы побольше. Главная проблема в чем: когда прибираю громкость на гитаре так, как я обычно играю (звукачи в клубах постоянно просят прибирать, т.к. выхлоп с гитары просто бешеный) - искаженного звука нет вообще. Есть обычный чистый звук. Т.е., если я поменяю бас (вместо GL с его диким выхлопом возьму, например, фендер прес, о чем мысли бродят), то овердрайва у меня не будет. И искаженный звук получается только при положении ручки "драйв" на максимум, ну, 90% от максимума. Если меньше - искажения практически не слышно, получается практически чистый.

Оффлайн kynep

  • Ветеран форума
  • ******
  • Сообщений: 6828
  • Руби МиТоЛ!!!
Re: Овердрайв для баса
« Ответ #84 : Февраля 23, 2015, 12:35:58 »
Yarilo, дык в чем дело? Не прибирай... с прибраной громкостью, на лампе, перегруза не будет. Сигналу с гитары не хватит амплитуды раскачать лампу до перегруза.

Оффлайн Yarilo Автор темы

  • Новичок
  • *
  • Сообщений: 62
  • GuitarPlayer.Ru fan!
Re: Овердрайв для баса
« Ответ #85 : Февраля 23, 2015, 12:52:04 »
Дело в том, что если я поменяю гитару, то щастья мне не будет. Все равно придется как-то решать эту проблему.

... и добавил:

Опять же, ручка драйв практически не работает.

... и добавил:

FuzzFace, говоришь?..
А неплохо, однако. Нарыл схему, звук вроде подходящий (если по сэмплам судить). Вот только там пентоды используются :-(((
http://forum.gtlab.net/cgi-bin/yabb2/YaBB.pl?num=1304110779/0
Вот такое же на триодах реально замутить?
« Последнее редактирование: Февраля 23, 2015, 13:07:20 от Yarilo »

Оффлайн guitarjfet

  • Ветеран форума
  • ******
  • Сообщений: 4760
Re: Овердрайв для баса
« Ответ #86 : Февраля 23, 2015, 16:37:45 »
Yarilo, та шо ж такой беспомощный-то?
http://forum.gtlab.net/cgi-bin/yabb2/YaBB.pl?num=1228589725/0

Оффлайн Yarilo Автор темы

  • Новичок
  • *
  • Сообщений: 62
  • GuitarPlayer.Ru fan!
Re: Овердрайв для баса
« Ответ #87 : Февраля 24, 2015, 03:23:11 »
Это я видел. Сэмплов к им не нашел, только к 1.3
Собрал 2.0 - не то.
Попробую собрать 1.3 или 1.4
Я ж чего и шебуршусь - не устраивают готовые решения, по крайней мере те, которые я видел.
Первая схема, миллер - гейна хватает, по частотам можно подкорректировать, но не хватает общей громкости. Ставить третью лампу на доп. усиление пока не хочу (хотя, может быть, вернусь к этому варианту).
Вторая схема - наоборот, громкости хватает, не хватает гейна.
Шуриковский 2.0 - аналогично второй схеме, перегруза мало, грузит только на максимуме ручки драйв. Не устроило.
« Последнее редактирование: Февраля 24, 2015, 03:35:49 от Yarilo »

Оффлайн Rolly

  • Живу на форуме
  • *******
  • Сообщений: 9055
  • Мнение - не повод получить пулю сразу.
Re: Овердрайв для баса
« Ответ #88 : Февраля 24, 2015, 06:36:03 »
2.0 и не должно грузить. Темброблок гейн режет. В общем, для данной ситуации нужна схема вида каскад - гейн - каскад. Например, первые два стоунер-преда. Если прицепить темброблок в конце, он может сильно порезать уровень, поэтому нужно тщательнее выбирать.

Оффлайн guitarjfet

  • Ветеран форума
  • ******
  • Сообщений: 4760
Re: Овердрайв для баса
« Ответ #89 : Февраля 24, 2015, 06:54:38 »
У меня вместо темброблока стоял активный 5-ти полосный эквалайзер  :)