Автор Тема: Переключаем усилители с 110 на 220В (БФ)  (Прочитано 43298 раз)

0 Пользователей и 1 Гость просматривают эту тему.

Оффлайн MEandGuitar

  • Новичок
  • *
  • Сообщений: 24
  • GuitarPlayer.Ru fan!
Re: Переключаем усилители с 110 на 220В (БФ)
« Ответ #195 : Апреля 03, 2019, 08:00:11 »
Подниму немного эту тему.
Есть Fender Blues Junior из США, брал б/у уже у нас и с ним достался понижающий транс. Но столкнулся с парой проблем:
1. 220 вольт подаются без заземления, а хотелось бы с землёй всё-таки;
2. Мозность этого транса 100 Вт, при требуемой блюз джуниуром 180.
Из этого возникла потребность в другом понижающем трансформаторе, так как бюджета на замену входного транса комбика просто нет.
И теперь вопросы:
1. Как определить потребляемый ток комбиком? Если просто по формуле мощность разделить на напряжение (110-120 В) то будет 1,5-1,65 А.
2. Я в Украине, а тут Торэлов и Штилей нет. Какой в таком случае подойдёт транс из советских, например? Глаз упал на ТС-250, но он даёт 1,1 А ток.
Бюджет мой 30$. (За эти деньги на радиорынке нашем можно купить 3-5 подобных трансформаторов)

Оффлайн sadky

  • Эксперт
  • *****
  • Сообщений: 2660
Re: Переключаем усилители с 110 на 220В (БФ)
« Ответ #196 : Апреля 03, 2019, 08:25:25 »
MEandGuitar,
http://www.tor-trans.com.ua/transequipment.html
ТС-250 не рекомендую - адски лучит, пробовал запитать Peavey Ultra - в комнате длиной почти 7 метров , даже если забиться в самый дальний угол, гитара ловит наводку от транса более чем уверенно :pozor:

Оффлайн MEandGuitar

  • Новичок
  • *
  • Сообщений: 24
  • GuitarPlayer.Ru fan!
Re: Переключаем усилители с 110 на 220В (БФ)
« Ответ #197 : Апреля 03, 2019, 10:00:43 »
Спасибо, рассматривал их как альтернативу, но хотелось бы других альтернатив или собрать самому

Оффлайн AZG

  • Живу на форуме
  • *******
  • Сообщений: 95612
  • Санкт-Петербург
    • AZG CUSTOM
Re: Переключаем усилители с 110 на 220В (БФ)
« Ответ #198 : Апреля 03, 2019, 21:25:45 »
MEandGuitar, Потребление у Фендера надо делить на два. Эти идиоты там отсебятину пишут. Откуда у 15 ватт комба потребление 50-ка? Понижалка на 100 ватт там самое то.

Землю можно и руками соединить.

Оффлайн MEandGuitar

  • Новичок
  • *
  • Сообщений: 24
  • GuitarPlayer.Ru fan!
Re: Переключаем усилители с 110 на 220В (БФ)
« Ответ #199 : Апреля 04, 2019, 06:44:39 »
Хорошо, а сила тока всё-таки нужна какая у понижающего транса?

А по поводу земли: просто соединить землю комбика с металлическим корпусом трансформатора и от корпуса уже землю в розетку?

Оффлайн AZG

  • Живу на форуме
  • *******
  • Сообщений: 95612
  • Санкт-Петербург
    • AZG CUSTOM
Re: Переключаем усилители с 110 на 220В (БФ)
« Ответ #200 : Апреля 04, 2019, 07:44:41 »
Хорошо, а сила тока всё-таки нужна какая у понижающего транса?

Надо сколько потребляет нагрузка. Предохранитель стоит 2А, значит реальное потребление порядка 1А.

Цитировать
А по поводу земли: просто соединить землю комбика с металлическим корпусом трансформатора и от корпуса уже землю в розетку?

ДА

Оффлайн MEandGuitar

  • Новичок
  • *
  • Сообщений: 24
  • GuitarPlayer.Ru fan!
Re: Переключаем усилители с 110 на 220В (БФ)
« Ответ #201 : Апреля 04, 2019, 07:54:47 »
Азнаур, спасибо за помощь!

Оффлайн AZG

  • Живу на форуме
  • *******
  • Сообщений: 95612
  • Санкт-Петербург
    • AZG CUSTOM
Re: Переключаем усилители с 110 на 220В (БФ)
« Ответ #202 : Апреля 04, 2019, 08:03:24 »
Еще одно замечание - такое 1:1 срабатывает с автотрансформаторами в силу их особенностей. Если понижалкой работает полноценный трансформатор с гальванической развязкой, то понижалке надо прибавить собственное потребление. Т.е. по мощности придется брать в два раза больше.

Оффлайн MEandGuitar

  • Новичок
  • *
  • Сообщений: 24
  • GuitarPlayer.Ru fan!
Re: Переключаем усилители с 110 на 220В (БФ)
« Ответ #203 : Апреля 04, 2019, 08:05:03 »
Понял!

Оффлайн Star1334

  • Новичок
  • *
  • Сообщений: 3
  • GuitarPlayer.Ru fan!
Re: Переключаем усилители с 110 на 220В (БФ)
« Ответ #204 : Июля 02, 2019, 08:31:59 »
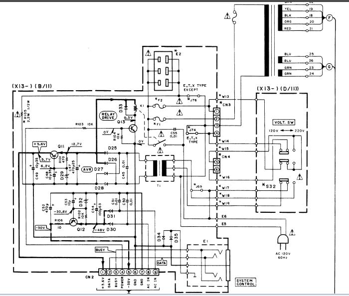
Прошу помощи есть такой ресивер КENWOOD KR-A 5010. Можно ли переделать транс на 220вольт.


Оффлайн alkuz

  • Ветеран форума
  • ******
  • Сообщений: 4481
  • Зарегистрированный
    • http://
Re: Переключаем усилители с 110 на 220В (БФ)
« Ответ #205 : Июля 02, 2019, 21:17:43 »
Прошу помощи есть такой ресивер КENWOOD KR-A 5010. Можно ли переделать транс на 220вольт.
судя по схеме в мануале, трансформатор может быть выполнен в модификации с возможностью перекоммутации. Но что и как в конкретном экземпляре, без осмотра, не понятно.

« Последнее редактирование: Июля 02, 2019, 21:21:09 от alkuz »

Оффлайн Oza Bochen

  • Завсегдатай
  • ***
  • Сообщений: 299
Re: Переключаем усилители с 110 на 220В (БФ)
« Ответ #206 : Июля 04, 2019, 14:27:37 »
Здравствуйте коллеги !  Приобрел в своё время комбо Tone King Imperial 20 Unniversary . Инфы у производителя достаточной не нашел по дивайсу. Сзади написано 120 VAG 60 Hz  Fuse 2A. Динамик Celection G12M 65 Вт Не могу запустить агрегат без понижающего транса. Кто нибудь посоветует что-то к покупке ?. Тащить к мастеру конечно лучше, ну это на крайняк.

Оффлайн Star1334

  • Новичок
  • *
  • Сообщений: 3
  • GuitarPlayer.Ru fan!
Re: Переключаем усилители с 110 на 220В (БФ)
« Ответ #207 : Июля 04, 2019, 15:17:48 »
судя по схеме в мануале, трансформатор может быть выполнен в модификации с возможностью перекоммутации. Но что и как в конкретном экземпляре, без осмотра, не понятно.


Спасибо за внимание к моему вопросу.Посмотрел пристально тансформатор там первичка три вывода , провода не сдвоены. Сделаю фотку пришлю. Грустно если нельзя переделать.... Надо колхозить еще один трансформатор 220на110... :pozor:

Оффлайн tom cat

  • Эксперт
  • *****
  • Сообщений: 1846
  • На мой век металлолома хватит...
Re: Переключаем усилители с 110 на 220В (БФ)
« Ответ #208 : Июля 05, 2019, 15:58:56 »
Стоит копейки, не грустите! Поставите ресивер, транс- под полкой, и  вуля! Вам же его не таскать по концертам...

Оффлайн Star1334

  • Новичок
  • *
  • Сообщений: 3
  • GuitarPlayer.Ru fan!
Re: Переключаем усилители с 110 на 220В (БФ)
« Ответ #209 : Июля 05, 2019, 16:18:34 »
Спасибо Вам так и сделаю :)