Автор Тема: Первый ламповый усилитель своими руками (по схеме jcm800 2204)  (Прочитано 58780 раз)

0 Пользователей и 1 Гость просматривают эту тему.

Оффлайн Leronchik

  • Эксперт
  • *****
  • Сообщений: 1642
  • Отошёл ненадолго покурить...
runing можешь объяснить что дает изменение резисторов в управляющей сетке с 5к6 на 2к2 выходных ламп, или ты просто взял стандартную обвязку 6L6 ?

Оффлайн runing

  • Живу на форуме
  • *******
  • Сообщений: 12572
  • Киев
runing можешь объяснить что дает изменение резисторов в управляющей сетке с 5к6 на 2к2 выходных ламп, или ты просто взял стандартную обвязку 6L6 ?

Взял стандартную. А служат они фильтром высоких частот.

Оффлайн halvalife

  • Опытный
  • ****
  • Сообщений: 890
Антизвонники? Тогда фильтр низких частот?

Оффлайн VNVNVN! Автор темы

  • Новичок
  • *
  • Сообщений: 47
  • GuitarPlayer.Ru fan!
Начал делать кабинет. Есть не большая разница в размерах сторон (3мм) иза того, что фанера была немного винтом.

В общем звук вышел весьма басистым для jcm. Может он и есть такой, но его реально много. Но мне нравится эта плоть и яркий лязг при атаке. Звук моей мечты.

Оффлайн runing

  • Живу на форуме
  • *******
  • Сообщений: 12572
  • Киев
Антизвонники? Тогда фильтр низких частот?

Ну конечно, это хорошо, что хоть кто то внимательно читает ;)

Оффлайн VNVNVN! Автор темы

  • Новичок
  • *
  • Сообщений: 47
  • GuitarPlayer.Ru fan!
Работа продолжается.


Оффлайн Leronchik

  • Эксперт
  • *****
  • Сообщений: 1642
  • Отошёл ненадолго покурить...
По моему слишком глубоко посадил переднюю панель. А так нормально, следим  ;)

Оффлайн VNVNVN! Автор темы

  • Новичок
  • *
  • Сообщений: 47
  • GuitarPlayer.Ru fan!
Leronchik,
 30 мм от наружной фаски. Ручки тумблеров как раз 30мм, а ручки управления 20. Думаю будет практично для реп точки, ни кто не заденет крутилки. Дома походу я его не буду держать. Уж очень не вкусный звук на низкой громкости, а 50 ватт лампы это серьёзно да и динамик 12 дюймов  16ом. Надо в 4х12 8 ом тыкать. Хочу сделать 100 ватт следующим =D
 Сегодня корпус выкрасил для защиты от влаги. Скоро буду обтягивать. Это для меня в новинку.
« Последнее редактирование: Июля 18, 2015, 16:22:34 от VNVNVN! »

Оффлайн Leronchik

  • Эксперт
  • *****
  • Сообщений: 1642
  • Отошёл ненадолго покурить...
Логика понятна  :)

Оффлайн Leronchik

  • Эксперт
  • *****
  • Сообщений: 1642
  • Отошёл ненадолго покурить...
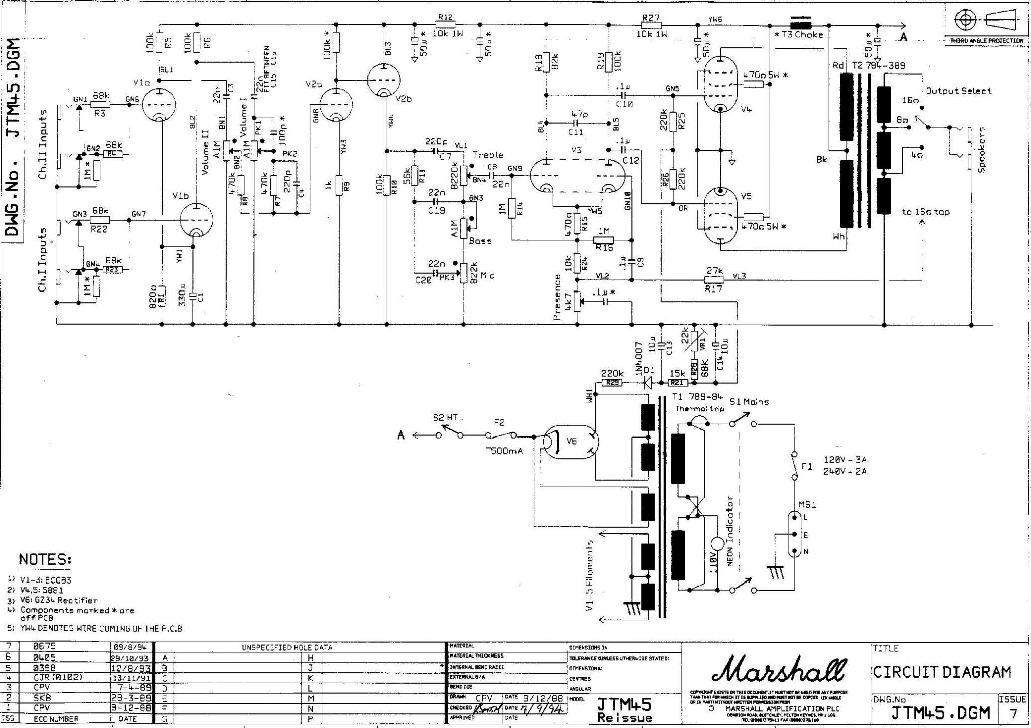
Добрые люди, хочу сменить ел34 на 6л6 для этого усилителя. .....



Тогда уж как мне кажется выходник нужно делать по типу JTM45. Именно в нем применялись 5881 и 6L6 Тогда в экранных сетках 470 Ом, на управляющих сетках вообще резисторов нет. Что скажете?

Оффлайн АС-ГЕРИНГА

  • Новичок
  • *
  • Сообщений: 86
  • GuitarPlayer.Ru fan!
Я делал 800-й на 5881. Менял на EL-ки, есс-но с настройкой Uсм. Субьективно на EL-ках звучит по другому. Лучше или хуже не скажу, и помощнее.

Оффлайн Leronchik

  • Эксперт
  • *****
  • Сообщений: 1642
  • Отошёл ненадолго покурить...
Прикинул  :-[ ,  емкость управляющей сетки  выходной лампы и сеточный резистор образуют RC-фильтр. В случае с EL34 резистор 5,6 К а входная емкость - 16 пф. Для 5881 резистор - 1,5 К и емкость 11 пф. Логически нужно привести частоту среза 5881 ну, или 6L6 к аналогичной для варианта EL34. Посчитал по формуле, например онлайн: http://vt-tech.eu/ru/articles/calculators/165-simple-rc-filters.html
или тут
http://tel-spb.ru/rc.html      (нужно ставить номиналы круглого значения)
Получается какой то бред  ??? Чем руководятся изготовители применяя той или иной номинал, или я что то не учитываю?
« Последнее редактирование: Июля 26, 2015, 09:42:05 от Leronchik »

Оффлайн runing

  • Живу на форуме
  • *******
  • Сообщений: 12572
  • Киев
Логически нужно привести частоту среза 5881 ну, или 6L6 к аналогичной для варианта EL34.

C чего ты это взял?

Оффлайн kdtp

  • Завсегдатай
  • ***
  • Сообщений: 316
  • Виктор.
Leronchik, если руководствоваться Вашим девизом "Главное верить в то, что ты делаешь", то, вроде всё как - О,кей.
Ну, а если доводить это дело до "полного ума", то Вы забыли ещё про один "фильтр" - "фильтр", образованный межкаскадным конденсатором и резистором утечки выходной лампы. Ну, а в общем и целом - выражаясь языком слесаря инструментальщика - "Вы пользуетесь отвёрткой там..., где нужен гаечный ключ"...,  или, как там у Вас : " Получается какой то бред".
Извиняйте, ежели что ни так....
« Последнее редактирование: Июля 26, 2015, 10:44:51 от kdtp »

Оффлайн Leronchik

  • Эксперт
  • *****
  • Сообщений: 1642
  • Отошёл ненадолго покурить...
C чего ты это взял?
runing а с чего исходить для установки резистора 1,5 кОм вместо 5,6 кОм.  Я понимаю что просто взял обвязку выходника с лампами 5881. Но изначально из чего то исходили? Я и предположил, что данный резистор вычисляется исходя из частоты среза образованной RC цепи. Или как , если знаешь поделись!

kdtp епсель-мопсель, новичек а уже умник. Как же я люблю ГП  :crazy: за таких деятелей. Вы уж тоже извиняйте, но если что по делу то выкладывайте в популярной форме. А то как сучка, гав и в кусты  ;D . Еще раз извиняйте Виктор если че....

P.s. Не забудьте в своих доводах также выходную емкость лампы фазоинвертора, она там около 1,6 пф на каждый триод !
« Последнее редактирование: Июля 26, 2015, 11:24:14 от Leronchik »