Автор Тема: Подкроватный комбик из магнитофона Чайка-66  (Прочитано 17382 раз)

0 Пользователей и 1 Гость просматривают эту тему.

Оффлайн Виолет Поносов

  • Эксперт
  • *****
  • Сообщений: 1969
    • VarrAmp.com
Re: Подкроватный комбик из магнитофона Чайка-66
« Ответ #90 : Февраля 18, 2020, 17:12:02 »
элемент монтажа

Оффлайн Medvedeff8

  • Ветеран форума
  • ******
  • Сообщений: 3025
  • Слабоумие и отвага!
Re: Подкроватный комбик из магнитофона Чайка-66
« Ответ #91 : Февраля 18, 2020, 22:19:39 »
Обычно изготавливаю такие вот крепежные пластины для крепления к шасси:


Оффлайн Иван Ивановский Автор темы

  • Опытный
  • ****
  • Сообщений: 903
  • Москва
Re: Подкроватный комбик из магнитофона Чайка-66
« Ответ #92 : Февраля 19, 2020, 15:11:10 »
Medvedeff8, Теперь понимаю почему вы сделали новый корпус, а не стали как вначале собирались пихать всё в старый мафоновский. Я вот сейчас придумываю как трансы разместить и закрепить. Места мало, шасси придётся делать узким- максимум 60 мм, и все закрепить на нём не получится, в лучшем случае один дроссель либо один выходник. Силовик и ещё что-то надо распихивать, и крепить как-то придётся к тонкой 8-мм фанере корпуса либо к какой-то монтажной пластине. Либо делать два шасси на пред и мощник отдельно, причём для мощника хитро вылюбленной формы. В общем такая переделка оказывается на пару порядков сложнее чем с просто сделать с нуля. :pozor:

Оффлайн Medvedeff8

  • Ветеран форума
  • ******
  • Сообщений: 3025
  • Слабоумие и отвага!
Re: Подкроватный комбик из магнитофона Чайка-66
« Ответ #93 : Февраля 19, 2020, 16:13:43 »
И не поспоришь ведь...

Оффлайн surfin bird

  • Эксперт
  • *****
  • Сообщений: 2962
  • Поциент-заМКАДыш
    • Surfin Bird
Re: Подкроватный комбик из магнитофона Чайка-66
« Ответ #94 : Февраля 19, 2020, 18:07:58 »
Имхо деревянный корпус Чайки, в особенности без рамы лентопротяга  - конструкция крайне хлипкая, как в плане акустического ящика, так и в плане несущей для крепления шасси трансов. Возможно тупая идея, но первое, что приходит в голову, существенно усилить его переднюю, заднюю панели и боковину .

Обычно изготавливаю такие вот крепежные пластины для крепления к шасси:

А кошерно ли будет перегнуть рамку/хомут по образу Хамонда?

« Последнее редактирование: Февраля 19, 2020, 20:32:03 от surfin bird »

Оффлайн Иван Ивановский Автор темы

  • Опытный
  • ****
  • Сообщений: 903
  • Москва
Re: Подкроватный комбик из магнитофона Чайка-66
« Ответ #95 : Февраля 19, 2020, 18:23:42 »
Всё проще, вместо штатной рамы корпус будет усилен намертво вклеенной верхней крышкой. Которая, в свою очередь, будет усилена приклеенной фанерной рамой, к которой будет крепиться динамик. А к ушкам крепления рамы вверху и внизу будут приделаны кронштейны для крепления трансов и 9-вольтового блока питания для педалей и встроенного ревера. В общем абсолютно неклассическая для комбика компоновка будет.

Оффлайн surfin bird

  • Эксперт
  • *****
  • Сообщений: 2962
  • Поциент-заМКАДыш
    • Surfin Bird
Re: Подкроватный комбик из магнитофона Чайка-66
« Ответ #96 : Февраля 21, 2020, 10:49:00 »
Ввиду расположения звукового транса по краю нового шасси, ампутировал рудименты с родного элемента крепежа, зенковал имеющиеся отверстия.
Транс извлек из скобы, такое ощущение, что малый фрагмент магнитопровода прилеплен без прокладки для зазора   :hmmm: + ширина малого фрагмента на пару пластин больше. Хочу транс перевернуть  в скобе, дабы контакты транса оказались ближе к шасси.
« Последнее редактирование: Февраля 22, 2020, 10:18:11 от surfin bird »

Оффлайн surfin bird

  • Эксперт
  • *****
  • Сообщений: 2962
  • Поциент-заМКАДыш
    • Surfin Bird
Re: Подкроватный комбик из магнитофона Чайка-66
« Ответ #97 : Февраля 26, 2020, 12:24:48 »
2 Иван Ивановский
У Вас случайно нет данных о токах накальных  обмоток чайковского силовика ?

Оффлайн Иван Ивановский Автор темы

  • Опытный
  • ****
  • Сообщений: 903
  • Москва
Re: Подкроватный комбик из магнитофона Чайка-66
« Ответ #98 : Февраля 26, 2020, 13:26:09 »
Нет, но можно приблизительно судить по габаритной мощности и сечениям проводов обмоток. С некоторой долей осторожности по накальным- одна на 0,7-0,8А(провод 0,55), вторая на 2А(провод 1,0); анодная- 0,11-0,12А(провод 0,23). Вместе порядка 50-55 Вт, что вполне согласуется с данными по первичке и запросами тех ламп, что стояли изначально. Ну и мне как раз для задуманного. Я перед тем как расчленять магнитофон, измерил на трансе напряжения на вторичках под нагрузкой- включены все лампы, жжужал двигатель. При напряжении в сети 221В на одной накальной вторичке было 6.5В, на второй 6.6В, на анодке 238В.

Оффлайн surfin bird

  • Эксперт
  • *****
  • Сообщений: 2962
  • Поциент-заМКАДыш
    • Surfin Bird
Re: Подкроватный комбик из магнитофона Чайка-66
« Ответ #99 : Февраля 26, 2020, 15:42:17 »
Спасибо! Прикидываю сколько ламп можно добавить в мутанта  :o

Оффлайн surfin bird

  • Эксперт
  • *****
  • Сообщений: 2962
  • Поциент-заМКАДыш
    • Surfin Bird
Re: Подкроватный комбик из магнитофона Чайка-66
« Ответ #100 : Марта 03, 2020, 13:08:53 »
 Перепробовал как звучит клин чайковского преда на всех инструментальных усях в хате, помимо этого подключал к радиоприемникам на окталах и новалах,  к самодельному транзисторному мобильному комбику - везде появляется моджо!  ???
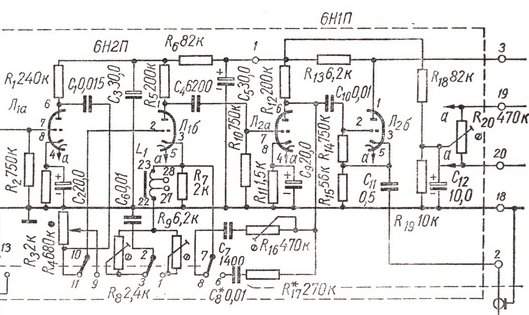
Заменил черные конденсаторы на Юпитеры, но и ОКБГ-И, К42У-2, K40П-2Б звучали вполне достойно. Мало смыслю в электронике,  моджо возникает  благодаря ОС - C7, R16?
« Последнее редактирование: Марта 03, 2020, 18:46:35 от surfin bird »

Оффлайн Иван Ивановский Автор темы

  • Опытный
  • ****
  • Сообщений: 903
  • Москва
Re: Подкроватный комбик из магнитофона Чайка-66
« Ответ #101 : Марта 05, 2020, 15:06:25 »
В муках рождается лейка. Хоть не люблю громоздкие платы с кучей деталей, но пришлось преамп и оконечник делать в одном блоке и на одной плате. В виде отдельных блоков они в 290 мм имеющегося  пространства под верхней стенкой никак не влезали. В первом приближении будет выглядеть так:

Оффлайн Иван Ивановский Автор темы

  • Опытный
  • ****
  • Сообщений: 903
  • Москва
Re: Подкроватный комбик из магнитофона Чайка-66
« Ответ #102 : Марта 30, 2020, 13:24:33 »
Пошёл первый день карантина. И как назло не хватает 3мм люверсов, а все магазины, где такие можно купить закрыты.  :pozor:


Оффлайн GeorgeM

  • Ветеран форума
  • ******
  • Сообщений: 5430
  • тайный агент sovietguitars.com на ГП
    • Грегор'с Бэнд
Re: Подкроватный комбик из магнитофона Чайка-66
« Ответ #103 : Марта 30, 2020, 14:13:31 »
3мм? у какой детали вывод 3мм в диаметре?
Да и расстояние между люверсами какбэ намекает что это надо выкинуть, и сделать по хорошему.

Оффлайн surfin bird

  • Эксперт
  • *****
  • Сообщений: 2962
  • Поциент-заМКАДыш
    • Surfin Bird
Re: Подкроватный комбик из магнитофона Чайк6
« Ответ #104 : Марта 30, 2020, 17:22:48 »
Пошёл первый день карантина.

https://youtu.be/39xq5AATMp4

И как назло не хватает 3мм люверсов, а все магазины, где такие можно купить закрыты.  :pozor:



"Закрывающие технологии"  :D В прошлом макете, времени на скалопирование не было, и,  пришлось поступить еще циничнее - нарезать из односторонне-фольгированного текстолита прямоугольников 5×5мм и 10×5мм и банально приклеить их суперклеем в необходимые места платы преампа  :D А на стадии предварительного макетирования прямоугольники лепил на двусторонний скотч - лично мне очень помогает, ибо в формате совершенного проектирования, бошка всегда плохо варила - сколько бы не рисовал в умишке и на бумаге проект разводки/монтажа, один Черт, на стадии изготовления рождаются рацухи  :D
« Последнее редактирование: Апреля 01, 2020, 15:45:24 от surfin bird »