Автор Тема: Помогите собрать однотакт  (Прочитано 22817 раз)

0 Пользователей и 1 Гость просматривают эту тему.

Оффлайн #Master# Автор темы

  • Ветеран форума
  • ******
  • Сообщений: 3066
о... сэкономил на хлорном железе)
Нет, просто впадло было его искать.


... и добавил:

тут и бп и оконечник на 1 плате?
да
« Последнее редактирование: Октября 14, 2009, 18:18:58 от #Master# »

Оффлайн HighVoltageLP

  • Опытный
  • ****
  • Сообщений: 722
  • Папа Римский
    • Моя страничка
оно там где и текстолит) навалом его...  ну пробуй так) должно получиться

Оффлайн #Master# Автор темы

  • Ветеран форума
  • ******
  • Сообщений: 3066
как будешь соединять все с той стороны я себе не представляю...
Можешь представить:
204454-0
204456-1

Оффлайн HighVoltageLP

  • Опытный
  • ****
  • Сообщений: 722
  • Папа Римский
    • Моя страничка
а бп  и оконечник не желательно конечно на 1 плату, но что поделать...
я не видел вроди чтобы на одной было

... и добавил:

О! нормально! Вполне аккуратно

Оффлайн #Master# Автор темы

  • Ветеран форума
  • ******
  • Сообщений: 3066
Появилась куча вопросов:
 - Землю накала кидать на общую землю? Там как бы минус постоянки, а накал это переменка  ???

 - К каким выводам припаивать выходной транс?

 - На рисунке я обозначил куда припаивать силовой транс(ТАН37), проверьте правильно ли?
204468-0
Здесь можно посмотреть инфу про него http://lepta.kiev.ua/Docs/transph3.php
« Последнее редактирование: Октября 14, 2009, 21:01:26 от #Master# »

Оффлайн begmas

  • Опытный
  • ****
  • Сообщений: 566
ну анодное ты можешь и 250 брать, хуже не будет : ), но можно и так
накал если 6,3 то правильно
а вот 220 , судя по всему у тебя транс после 79го года?

Оффлайн #Master# Автор темы

  • Ветеран форума
  • ******
  • Сообщений: 3066
ну анодное ты можешь и 250 брать, хуже не будет : ), но можно и так
накал если 6,3 то правильно
а вот 220 , судя по всему у тебя транс после 79го года?
Да, у меня там только 2 вывода 1 и 5

Подскажите как поменять распиновку под 6ф5п, а то на схеме 6ф3п  ???

Оффлайн vovan-soil.vrn

  • Частый посетитель
  • **
  • Сообщений: 130
1-землю питания и землю звукового тракта лучше не соединять вместе а развести в разных местах шасси
2- http://vicgain.sdot.ru/sptrans/tan.htm - пожалуйста разбирайтесь
3- не совсем понятно про выходной трансформатор вопрос

... и добавил:

при смене на 6ф5п нужно поменять в следующем порядке : 9 на 1, 1-2, 8-3, 3-9, 2-8 остальные оставить без изменений. лучше перепаивать по очереди и тогда всё будет в порядке  :)
« Последнее редактирование: Октября 14, 2009, 23:56:20 от vovan-soil.vrn »

Оффлайн #Master# Автор темы

  • Ветеран форума
  • ******
  • Сообщений: 3066
1-землю питания и землю звукового тракта лучше не соединять вместе а развести в разных местах шасси

А землю накала туда же, или ее вообще не делать?

... и добавил:

3- не совсем понятно про выходной трансформатор вопрос
У меня есть ТВЗ 1-2, но маркировки контактов стерлись. Как узнать где первичкавторичька и куда какие выводы припаивать.

... и добавил:

при смене на 6ф5п нужно поменять в следующем порядке : 9 на 1, 1-2, 8-3, 3-9, 2-8 остальные оставить без изменений. лучше перепаивать по очереди и тогда всё будет в порядке  :)
Огромное спасибо!
Правильно?
204721-0
« Последнее редактирование: Октября 15, 2009, 15:14:01 от #Master# »

Оффлайн vovan-soil.vrn

  • Частый посетитель
  • **
  • Сообщений: 130
про 6ф5п правильно. сам сейчас доделываю правда не голову а стерео для компа на кенотроне.
твз 1-2: 2050 витков первичка проводом  0,15,  сопротивление её (измерь омметром) должно быть порядка 220 ом
            90 витков вторичка     проводом 0,41, сопротивление 1,3 ома разброс есть от этих данных но о порядке я думаю можно судить.


... и добавил:

я делал, соответственно через два резистора 2вт по 300 ом и кидал на землю питания.
« Последнее редактирование: Октября 15, 2009, 15:39:57 от vovan-soil.vrn »

Оффлайн #Master# Автор темы

  • Ветеран форума
  • ******
  • Сообщений: 3066

... и добавил:

я делал, соответственно через два резистора 2вт по 300 ом и кидал на землю питания.
Я что-то не въехал  ??? это про что? Накал?

Оффлайн vovan-soil.vrn

  • Частый посетитель
  • **
  • Сообщений: 130
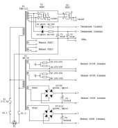
ну допустим, как здесь организовано питание ламп

... и добавил:

это резисторы R3 и R4 или R5 и R6.я так запитывал лампу.
« Последнее редактирование: Октября 15, 2009, 16:59:47 от vovan-soil.vrn »

Оффлайн cerr

  • Опытный
  • ****
  • Сообщений: 862
Свежая версия с вариантами для 6ф3п и 6ф5п.


« Последнее редактирование: Октября 16, 2009, 17:04:24 от cerr »

Оффлайн #Master# Автор темы

  • Ветеран форума
  • ******
  • Сообщений: 3066
Блин, а я уже сделал по старой схеме, только контакты поменяю под 6ф5п.

Оффлайн cerr

  • Опытный
  • ****
  • Сообщений: 862
Лучше сменить номиналы. Иначе и триод, и пентод будут в не очень интересном режиме.