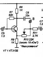
Практически нет. Помесь тремоло с фейзером с очень малой глубиной эффекта - всего примерно пару дБ. Если убрать С1, то получится просто тремоло, но с существенно большей глубиной эффекта.
Спасибо.
Я на глубину и выпуклость этого тремоло и не рассчитывал. (Что уж от такой простоты ждать хорошего) Мне нужен рабочий блок аудио-шлюза, управляемый сигналом с , например генератора на 555. С хорошим диапазоном - звук-тишина. Высокий полупериод шлюз для звука открыт, малый уровень - закрыт. (есть для этого такие ключи на микросхемах К561КТ3 (CD4066A). Но сам я не смог получить на них то что хочу. Работают, но срут.)
Вот и надеялся, что блок с полевиком мне подойдет. (давно придумал одну идею, (не знаю пока как этот эффект назвать, что-то из области тремоло-синтеза) а воплотить не могу, квалификации не хватает).
Симуляторы я честно пытался освоить, но уперся в одну какую-то преграду и плюнул. Бывает какая-то мелочь, затык , так выбесит, что .., а за спиной никого нет подсказать. А остановился-то, всего в паре шагов наверное. Причем досадно простых.
Эта схема у меня без свинца, без паров. На плате куда элементы втыкаются)) Это ж разработка, проба, поиск аудио- шлюза)))
---------------------------------------------------------
Кстати! В сети давно есть тема, как один энтузиаст взялся сделать тремоло на полевом транзисторе , а генератор на 555. Так вот он умаялся (но он вроде и не электронщик совсем, как я , но я ещё слабее) его делать, и вроде бы вариантов 5 сделал, улучшал-улучшал, но не достиг желаемого.
Видимо я буду склоняться к варианту посадки сигнала на землю через полевой транзистор. Может он меня спасёт.

И его, видимо предшественник:
... и добавил:---------------------------------------------------------------------------------
О! вот что вспомнил. Когда-то я решил придумать и собрать педаль с развернутым супер-тремоло. Мега проект , для меня.
Идея такая. (придумывать то я могу, но вот реализовать сложные проекты моего гуманитарного ума не хватает)
Три независимых синусоидных генератора, и один меандровый на 555. Это модуляторы. А звук через резисторные оптроны (есть у меня старые, у которых темновое 30-60 мегаом).
И идея была в том, что это три канала. В одном чистый звук, в другом овердрайв-дисторшный, и на каждом канале фильтры на ОУ. И всё это коммутируется вариативно (не за счет кучи тумблеров)
И ожидалось получить, при вразнобой работающих генераторах (например 0,2 гера, 1-2 герца и например 5-10 герц), этакую (в слиянии) живую, богатую звуком гитарную массу

Трепыхание, переливы, мерцания трёх слоём с разными АЧХ и формой.
То есть, переливы на любо вкус. То что я люблю сам.
Задумка меня воодушевила, трудов было положено много, схемы были опробованы (и самые лучшие, рабочие), но рабочие по отдельности. Отработанные в простых проектах. Но всё в сборе щелкало, тукало, как образцовый земляной контур кольцом в три метра)))
Облом. Так и не смог тогда запустить это моё амбициозное, нахраповое супер-тремоло.
Сейчас предполагаю, что надо было умнее вводить в режим оптроны. С подбором резисторов параллельно светодиодам и диодам параллельно фоторезисторам, резистором на землю на выходе, стабилитроны и всякую такую грамотную обвязку.