Автор Тема: Схемы LIONSOUND  (Прочитано 152639 раз)

0 Пользователей и 1 Гость просматривают эту тему.

Оффлайн LIONSOUND Автор темы

  • Эксперт
  • *****
  • Сообщений: 2249
  • Не надо делать круто, надо делать правильно
    • Lionsoundlab
Re: Схемы LIONSOUND
« Ответ #435 : Января 03, 2018, 21:50:25 »
Tander, соответствуют.

Оффлайн High Hopes

  • Опытный
  • ****
  • Сообщений: 931
  • Воля и Разум
Re: Схемы LIONSOUND
« Ответ #436 : Февраля 08, 2018, 22:58:19 »
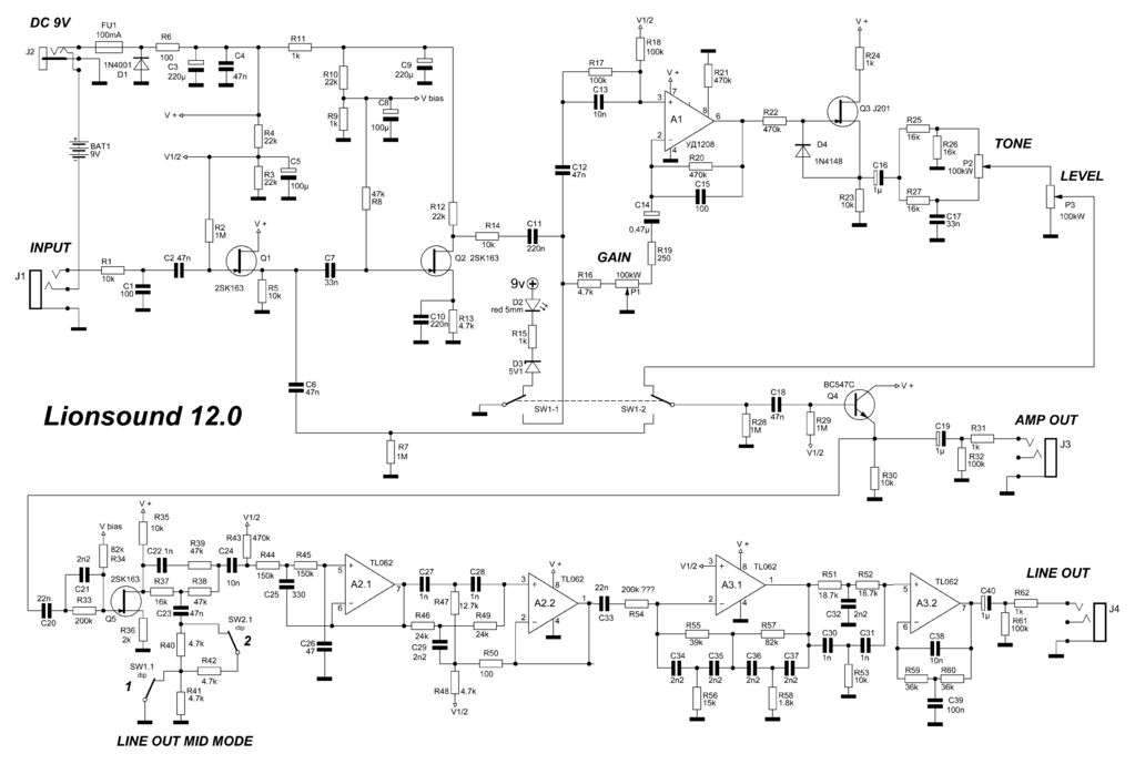
Вот собрал  кабсим по схеме от Лиона ( Lionsound 12.0) . Давно хотел спаять хороший кабсим в свой педалборд. И результат очень обрадовал, не зря потратил время. Полевик поставил J201 , вместо переключателя Mid Mode впаял переменник  В10К , регулирует срезание середины отлично !!  Пробовал включать через кабсим разные педальки жужалки- дисторшины, и они зазвучали совсем по-другому, это как волшебная палочка для срезания песка , и выделения только нужных гитарных частот . Реально эта чудо плата вытягивает звук даже из самого убогого перегруза. Даже моя самодельная BOSS DS-1 , которую я уже думал переделать во что-то другое , и которая была самой печальной примой в моей коллекции, теперь стала нормально рычать без лишнего тоненького зуда и песка!!! Буду оформлять в корпус , Лиону огромный респект !!! 
« Последнее редактирование: Февраля 21, 2018, 18:50:55 от High Hopes »

Оффлайн Ksandr-

  • Эксперт
  • *****
  • Сообщений: 1437
  • хто здесь?!
Re: Схемы LIONSOUND
« Ответ #437 : Февраля 09, 2018, 05:10:29 »
High Hopes, в наушники норм звучит?

Оффлайн High Hopes

  • Опытный
  • ****
  • Сообщений: 931
  • Воля и Разум
Re: Схемы LIONSOUND
« Ответ #438 : Февраля 09, 2018, 07:34:26 »
В наушники еще не пробовал. Только в чистый вход лампача двухтакта

Оффлайн Ksandr-

  • Эксперт
  • *****
  • Сообщений: 1437
  • хто здесь?!
Re: Схемы LIONSOUND
« Ответ #439 : Февраля 09, 2018, 08:16:38 »
High Hopes, зачем кабсим в ламповый усилок включать?

Оффлайн LIONSOUND Автор темы

  • Эксперт
  • *****
  • Сообщений: 2249
  • Не надо делать круто, надо делать правильно
    • Lionsoundlab
Re: Схемы LIONSOUND
« Ответ #440 : Февраля 09, 2018, 10:17:08 »
Ksandr-, все зависит от кабинета на выходе, если используется широкополосная система, то кабсим самое то. А если гитарный кабинет, то это будет перебор.

Оффлайн Darksid

  • Эксперт
  • *****
  • Сообщений: 1198
  • Паяю не спеша для души.....
Re: Схемы LIONSOUND
« Ответ #441 : Февраля 09, 2018, 10:26:10 »
Вот собрал  кабсим по схеме от Лиона ( Lionsound 12.0) . Давно хотел спаять хороший кабсим в свой педалборд. И результат очень обрадовал, не зря потратил время. Полевик поставил J201 , вместо переключателя Mid Mode впаял переменник  В10К , регулирует срезание середины отлично !!  Пробовал включать через кабсим разные педальки жужалки- дисторшины, и они зазвучали совсем по-другому, это как волшебная палочка для срезания песка , и выделения только нужных гитарных частот . Реально эта чудо плата вытягивает звук даже из самого убогого перегруза. Даже моя самодельная BOSS DS-1 , которую я уже думал переделать во что-то другое , и которая была самой печальной примой в моей коллекции, теперь стала нормально рычать без лишнего тоненького зуда и песка!!! Буду оформлять в корпус , Лиону огромный респект !!! 
Молодец+

Оффлайн Ksandr-

  • Эксперт
  • *****
  • Сообщений: 1437
  • хто здесь?!
Re: Схемы LIONSOUND
« Ответ #442 : Февраля 09, 2018, 10:29:00 »
LIONSOUND, а как будет звучать в наушники? а то в моей жизненном положении включать усилок получается раз в месяц в лучшем случае

Оффлайн LIONSOUND Автор темы

  • Эксперт
  • *****
  • Сообщений: 2249
  • Не надо делать круто, надо делать правильно
    • Lionsoundlab
Re: Схемы LIONSOUND
« Ответ #443 : Февраля 09, 2018, 13:04:27 »
Ksandr-, из железных симов этот лучший.
 :rolleyes:
Ну еще камрад KMG отличился, но труднодоступен.

ps. Сравнительный тест железных симов, часть 1:
https://guitarplayer.ru/index.php?topic=221522.msg6329013#msg6329013
Часть 2:
https://guitarplayer.ru/index.php?topic=221522.msg6339519#msg6339519
« Последнее редактирование: Февраля 09, 2018, 13:08:55 от LIONSOUND »

Оффлайн Darksid

  • Эксперт
  • *****
  • Сообщений: 1198
  • Паяю не спеша для души.....
Re: Схемы LIONSOUND
« Ответ #444 : Февраля 09, 2018, 14:14:09 »
LIONSOUND, а как будет звучать в наушники? а то в моей жизненном положении включать усилок получается раз в месяц в лучшем случае
Ksandr Такая цепь у меня гитар-пред-кабсим-муз.центр из него выход на наушники.Всё хорошо звучит.

Оффлайн LIONSOUND Автор темы

  • Эксперт
  • *****
  • Сообщений: 2249
  • Не надо делать круто, надо делать правильно
    • Lionsoundlab
Re: Схемы LIONSOUND
« Ответ #445 : Февраля 09, 2018, 14:38:26 »
Darksid, + 1!

Оффлайн Darksid

  • Эксперт
  • *****
  • Сообщений: 1198
  • Паяю не спеша для души.....
Re: Схемы LIONSOUND
« Ответ #446 : Февраля 09, 2018, 17:29:50 »
Спасибо Лев.Попробовал многие из твоих примочек\симов+++++.Весчъ рекомендую... :)

Оффлайн Alexey K

  • Эксперт
  • *****
  • Сообщений: 1019
Re: Схемы LIONSOUND
« Ответ #447 : Февраля 18, 2018, 15:20:59 »
.я делал мод схему всё работает..
Darksid, и как по гейну, отличается от оригинальной? Жира заметно прибавилось или нет?

Оффлайн maximum779099

  • Новичок
  • *
  • Сообщений: 26
  • GuitarPlayer.Ru fan!
Re: Схемы LIONSOUND
« Ответ #448 : Апреля 12, 2018, 12:14:21 »
Лев,спасибо за замечательную педаль. Долго сомневался,потом начитался про j201 которые паленые в то92. Но все же решился, собрал на mmbfj201 ,ничего не подбирая( схема версии 14, входной буфер из 16 версии ) все заработало с пол тычка. Паяю уже около 5 лет.

Оффлайн LIONSOUND Автор темы

  • Эксперт
  • *****
  • Сообщений: 2249
  • Не надо делать круто, надо делать правильно
    • Lionsoundlab
Re: Схемы LIONSOUND
« Ответ #449 : Апреля 12, 2018, 18:13:50 »
maximum779099, респект!
 :alc: