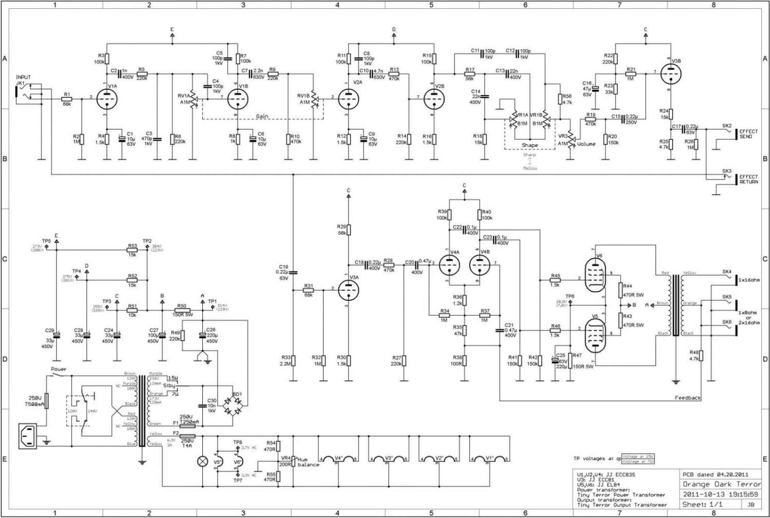
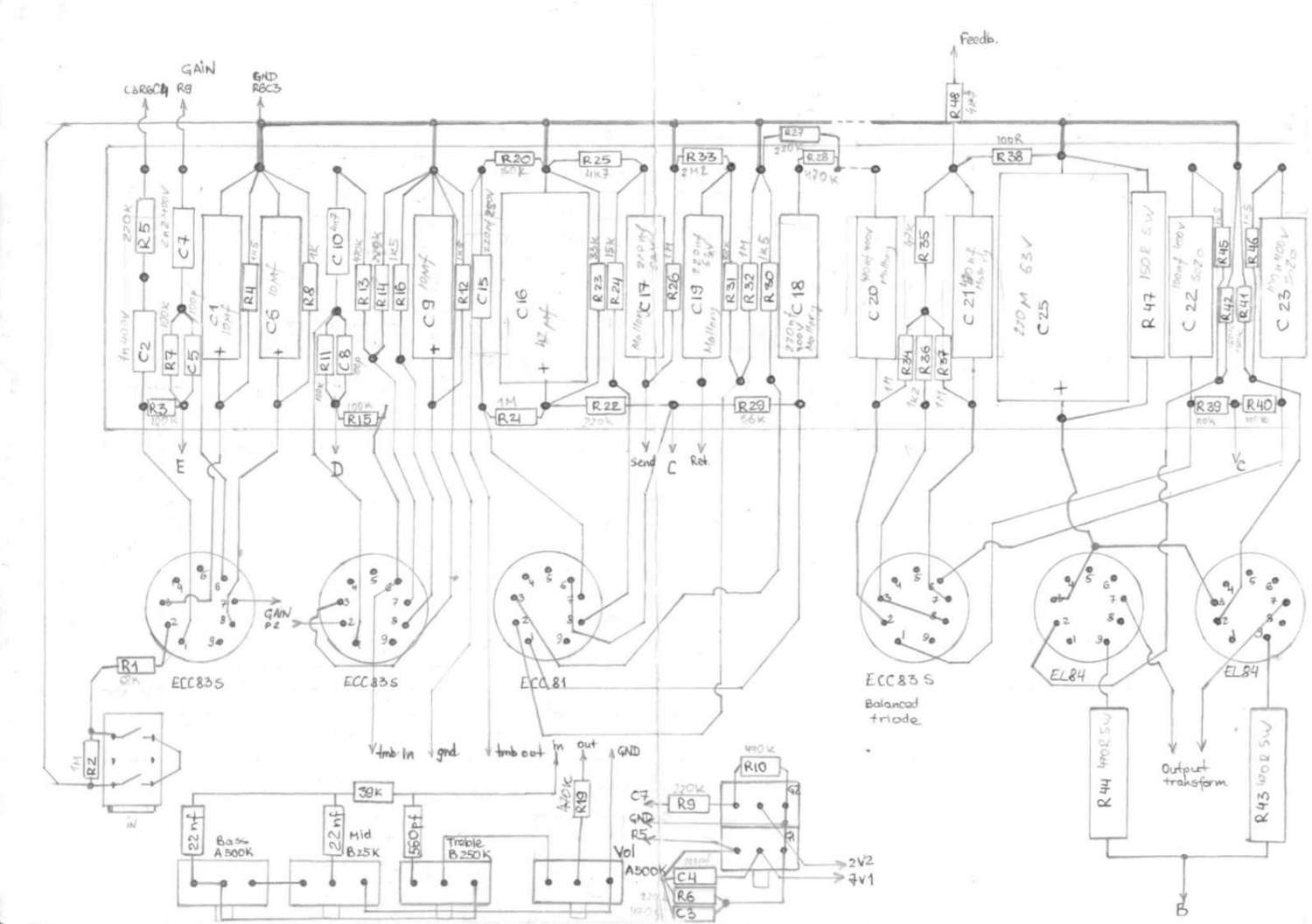
Насобиравшись вдоволь всяких усилителей и преампов на полевиках, все-таки было решено собрать что-нибудь на лампах. Кранки, убершалы, энглы и т.п. по звуку показались не очень интересными. Посему вот схема:

преамп – грязный канал из Рокерверба(он фактически и изображен на схеме ДаркТеррора). Дублировать фотки не буду, в интернетах все есть.
Заказывал детали на tubetown.de и tubedepot.com. С Германии в Киев все ехало 2 недели DHL-ем, со Штатов пррибыло за неделю EMS-ом. Пакуют буржуи все на славу. Комплектность соблюдена. По цене вышло почти как в Киеве в розницу. Резисторы - уголь, пленочные кондеры - Созо и Мэллори, пикушные - слюда, электролиты - F&T и JJ. Выходник - хаммондовский 1760E. Силовик - заказной тор.
Увидив выходник немного напрягся по поводу габаритов и заявленой мощности. Но в конечном результате все звучит приемлемо.
Насмотревшись картинок по сборке забугорных усилков на турретах, почитавши статей про тру монтаж, запилил борд:


Так как с лампами имею дело впервые, было решено собрать макет на 6н2п-ев и 6п14п.

Выглядело мягко говоря стремно. Первый запуск. Все живы.
Шаси заказывал в г.Житомире. Работали по моему чертежу. Результат на высоте. Рекламой заниматься не буду, кому нужно – скину в личку координаты конторы(кто из Украины).



Перед фазиком добавил мастер-волюм.
Вместо резистора в анодном решил поставить советческий дроссель Др-5. Сравнивал по звучанию с резистором:
- дроссель внезапно *сарказм* лучше фильтрует анодку;
- ну и по динамике вроде как бы есть отличия, но не настолько огромные. Пожалуй оставлю их для эзотериков от хай-энда)
Итак, монтируем все это счастье на шасси

Разводим цепи накала

Монтируем плату оконечника

...плату преампа...проводники перпендикулярны. Смотрица конечно не айц, но фона нет.
Да, на случай хейтеров у меня припасена фоточка монтажа 5го месовского марка


Ну и промежуточный результат



Звук во вложении.
[вложение удалено администратором]