Автор Тема: Собрал Orange Dark Terror/Jim Root Terror  (Прочитано 29698 раз)

0 Пользователей и 1 Гость просматривают эту тему.

Оффлайн CFH Автор темы

  • Новичок
  • *
  • Сообщений: 13
Re: Собрал Orange Dark Terror/Jim Root Terror
« Ответ #15 : Февраля 05, 2014, 11:12:27 »
siduk, по даташиту этого Хаммонда с вторички можно снять 270 вольт (комутация: красный-красный). На счет накальной согласен, слабовата она

Оффлайн siduk

  • Новичок
  • *
  • Сообщений: 90
Re: Собрал Orange Dark Terror/Jim Root Terror
« Ответ #16 : Февраля 05, 2014, 11:46:40 »
CFH, там напряжения в противофазе. В каждой половинке вторички по 125В в противофазе относительно нуля, и 250В относительно крайних выводов (красный-красный). Как не крути 176В выпрямленных.

Оффлайн CFH Автор темы

  • Новичок
  • *
  • Сообщений: 13
Re: Собрал Orange Dark Terror/Jim Root Terror
« Ответ #17 : Февраля 05, 2014, 12:02:40 »
siduk, а ты ноль не используй 8) и никакой противофазы)
а то у меня например с такими вот параметрами 65В-0-175В х 0,15A недобора по напруге не наблюдаеться

Оффлайн siduk

  • Новичок
  • *
  • Сообщений: 90
Re: Собрал Orange Dark Terror/Jim Root Terror
« Ответ #18 : Февраля 05, 2014, 19:58:29 »
siduk, а ты ноль не используй 8) и никакой противофазы
Еще как будет.
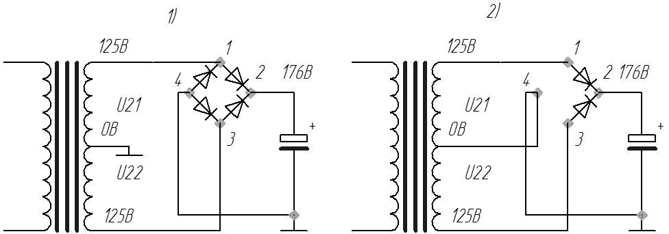
К примеру, если сделать как ты сказал, то скажем соединяем 369AX c мостом и получаем в т.2 176В, т.е амплутудное значение напряжения каждой половинки вторичной обмотки (минус прямое падение напряжения на диодах), а в точке 4 у нас ноль. ИТого 176 В относительно ноля.
Теперь внимательно смотрим на точку 4 и на среднюю точку трансформатора, там ноль и тут ноль, т.е смысла в двух дополнительных диодах, которые соединены с т.4 нет. Выкидываем их и соединяем отрицательный вывод конденсатора с нулевой точкой трансформатора, и вуаля! Получаем двухполупериодный выпрямитель со средней точкой и 176В выпрямленного напряжения.

Оффлайн Mepk

  • Эксперт
  • *****
  • Сообщений: 1855
  • Еще один соберу - и всё...
    • Мой блог
Re: Собрал Orange Dark Terror/Jim Root Terror
« Ответ #19 : Февраля 05, 2014, 20:16:09 »
siduk, а ты оставь среднюю точку в воздухе и все. Что получится? ;)

Оффлайн siduk

  • Новичок
  • *
  • Сообщений: 90
Re: Собрал Orange Dark Terror/Jim Root Terror
« Ответ #20 : Февраля 05, 2014, 20:29:29 »
Mepk, да тоже самое получится. Амплитуда то от этого не увеличится же? На первой половине рисунка так и нарисовано, только ноль ни с чем не соединять и усе.

Оффлайн Dying Fetus

  • Moderator
  • *****
  • Сообщений: 10310
  • DIYng Fetus
    • http://cathar.ru
Re: Собрал Orange Dark Terror/Jim Root Terror
« Ответ #21 : Февраля 05, 2014, 20:34:24 »
siduk, какой ты упёртый. проведу аналогию с накальной обмоткой.

Есть обмотка со средней точкой, относительно неё на концах по 3,15В, а всего обмотка 6,3В.
Тут так жэ. Относительно средней точки по 125, всего 250.

Оффлайн Андрей Колесник

  • Новичок
  • *
  • Сообщений: 1
  • GuitarPlayer.Ru fan!
Re: Собрал Orange Dark Terror/Jim Root Terror
« Ответ #22 : Февраля 06, 2014, 09:12:06 »
Богдан, молодец) :prey-gp:
Заваливай с агрегатом, через мой каб на Майонезе послушаем.

Оффлайн ra6da

  • Завсегдатай
  • ***
  • Сообщений: 338
Re: Собрал Orange Dark Terror/Jim Root Terror
« Ответ #23 : Февраля 06, 2014, 09:59:47 »
 :hmmm:

... и добавил:

а в точке 4 у нас ноль...
Предположим, что две вторичные обмотки включены последовательно, т.е. Н-К+Н-К, или просто обмотка имеет средний вывод, что, в принципе, то же самое, собственно, как в Hammond 369AX. Тогда в точке "4" из твоего рисунка в схеме "1)" относительно чего у тебя будет ноль? Сам мерял? Если отвод вторичной обмотки на земле, то относительно этой самой земли потенциалы в точках "4" и "2" будут равны по величине с противоположным знаком. При чём, они абсолютно равнозначны. Настоятельно не рекомендую одну из этих точек при этом заземлять. Последствия могут быть грустными. А вот если среднюю точку обмотки оторвать от земли, то с неё можно получить половинное от выпрянного напряжение.
« Последнее редактирование: Февраля 06, 2014, 11:16:24 от ra6da »

Оффлайн CrazyD3vil

  • Новичок
  • *
  • Сообщений: 5
Re: Собрал Orange Dark Terror/Jim Root Terror
« Ответ #24 : Февраля 07, 2014, 16:31:04 »
CFH, подскажите, пожалуйста, сколько денег потратили на проект?

Оффлайн CFH Автор темы

  • Новичок
  • *
  • Сообщений: 13
Re: Собрал Orange Dark Terror/Jim Root Terror
« Ответ #25 : Февраля 08, 2014, 09:48:53 »
CrazyD3vil , где-то 450$

Оффлайн Darksid

  • Эксперт
  • *****
  • Сообщений: 1198
  • Паяю не спеша для души.....
Re: Собрал Orange Dark Terror/Jim Root Terror
« Ответ #26 : Декабря 25, 2014, 20:14:46 »
Непонятки в фазике кондёры с20\с21-47н и 470н\на других схемах 470-470н.Какой ставить тот что С20?Если делать на 3ручках то 47н если 5ручек то 470н.????Делаю на 5 ручках.

... и добавил:

Ну так какие мнения на счёт С20.

... и добавил:

Ставить 47н или 470н?????
« Последнее редактирование: Декабря 26, 2014, 18:57:54 от Darksid »

Оффлайн CFH Автор темы

  • Новичок
  • *
  • Сообщений: 13
Re: Собрал Orange Dark Terror/Jim Root Terror
« Ответ #27 : Декабря 26, 2014, 20:19:43 »
у меня оба 470 nf

Оффлайн Darksid

  • Эксперт
  • *****
  • Сообщений: 1198
  • Паяю не спеша для души.....
Re: Собрал Orange Dark Terror/Jim Root Terror
« Ответ #28 : Декабря 27, 2014, 10:49:11 »
у меня оба 470 nf
А как с басами не многовато.А то мне посоветавели ставить всёж 47Н.

Оффлайн runing

  • Живу на форуме
  • *******
  • Сообщений: 12572
  • Киев
Re: Собрал Orange Dark Terror/Jim Root Terror
« Ответ #29 : Декабря 27, 2014, 10:59:09 »
А как с басами не многовато. А то мне посоветавели ставить всёж 47Н.

Вообще то конечно странный номинал 220н и 470н для гитарного усилителя. Может где то такое для бас гитары и подходит, но для обычной гитары я бы более 100нан не применял  ???