По теме ничего не скажу, потому что не играл ни во фирдман, ни в маршал

Просто вспомнилось, где-то в обсуждении упоминали фридман-мод маршала, который есть "маршал с грелкой". Если я не путаюсь в названиях

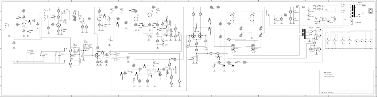
Вот интересно было бы глянуть схему этого мода. Или схему этого фирдмана, тоже бы с интересом поизучал.