Автор Тема: Трехканальная голова в классе А, JTM 45+Mark IV (сэмплы 10-11стр, видео 13стр.)  (Прочитано 40512 раз)

0 Пользователей и 1 Гость просматривают эту тему.

Оффлайн SPK

  • Ветеран форума
  • ******
  • Сообщений: 4958
  • Blues
Re: Трехканальная голова в классе А, JTM 45+Mark IV
« Ответ #135 : Февраля 24, 2011, 20:53:42 »
SPK, вот это чуть более на самом деле не так просто. А банально - это в классе В. :)
Ну да,неправильно сформулировал.
Ну В - это когда лампа заперта пол-периода,когда напряжение смещения запирает лампу.
А - лампа всегда открыта :)
А АВ - всё между ними  ;D
Но сомневаюсь что он вменяемо,т.е. музыкально звучит  ???

Оффлайн el-doctor

  • Ветеран форума
  • ******
  • Сообщений: 3734
Re: Трехканальная голова в классе А, JTM 45+Mark IV
« Ответ #136 : Февраля 25, 2011, 05:48:05 »
вы вот ламповый однотакт в класе D соберите, вот это интересно будет :crazy:

Оффлайн anton_fazer Автор темы

  • Завсегдатай
  • ***
  • Сообщений: 474
  • CBR1100XX
Re: Трехканальная голова в классе А, JTM 45+Mark IV
« Ответ #137 : Февраля 26, 2011, 18:26:27 »
Все не доходят руки довести до ума усилитель, времени последнюю неделю практически не было на него. Сегодня сгорел супермаркет в котором планировалось купить фанеру для корпуса, подробности в новостях :(
Зато был заслушан канал маршала с грелкой в виде Лель ДД MOD. Вся гундосящность и фузистость пропала, звук типично маршаловский, обалденный)))) :) Кайфонул по полной.

Оффлайн AMADEUS

  • Ветеран форума
  • ******
  • Сообщений: 3787
Re: Трехканальная голова в классе А, JTM 45+Mark IV
« Ответ #138 : Февраля 26, 2011, 19:13:03 »
Даешь по кастрюле на каждый резистор!!.. Позырим, интересно чем закончится.

Оффлайн КСС

  • Опытный
  • ****
  • Сообщений: 672
  • Свободен от всего...
Re: Трехканальная голова в классе А, JTM 45+Mark IV
« Ответ #139 : Февраля 26, 2011, 22:00:08 »
Зато был заслушан канал маршала с грелкой в виде Лель ДД MOD. Вся гундосящность и фузистость пропала, звук типично маршаловский, обалденный)))) :) Кайфонул по полной.
Вот это интересно - хочется уже сравнительных сэмплов! :)

Оффлайн anton_fazer Автор темы

  • Завсегдатай
  • ***
  • Сообщений: 474
  • CBR1100XX
Re: Трехканальная голова в классе А, JTM 45+Mark IV
« Ответ #140 : Февраля 26, 2011, 22:12:33 »
КСС, проблема с микрофоном, хорошего нет пока. Есть ломо и октава конденсаторная. Попробую похимичить в буден день чтобы соседей поменьше тревожить.
Звук действительно очень понравился, именно как у тех маршалов ;).

Оффлайн КСС

  • Опытный
  • ****
  • Сообщений: 672
  • Свободен от всего...
Re: Трехканальная голова в классе А, JTM 45+Mark IV
« Ответ #141 : Февраля 27, 2011, 06:13:51 »
[Звук действительно очень понравился, именно как у тех маршалов ;).
Вот это то как раз и очень обнадеживает: я предполагал, что грелка в данном случае будет здорово компенсировать нехватку раскаченного оконечника в конечном звуке, но вот до какой степени? Хочется послушать :)
И поздравляю - искренне рад за тебя, что все получается :)
« Последнее редактирование: Февраля 27, 2011, 06:15:47 от КСС »

Оффлайн anton_fazer Автор темы

  • Завсегдатай
  • ***
  • Сообщений: 474
  • CBR1100XX
Re: Трехканальная голова в классе А, JTM 45+Mark IV
« Ответ #142 : Марта 06, 2011, 14:13:04 »
Вчера ночью был осуществлен резапуск головы,т.к. много чего переделывалось. В итоге решены вопросы с возбудом в канале лид, наводки (фон) снижены до приемлемого уровня, хлопки при переключении решились заменой реле на рэс55а. Фон небольшой остался, скорее всего он идет по анодке, жду конденсаторов для добавления в филтр. При переключении кен/диоды характер фона меняется, что подтверждает происхождение последнего.

В ближайшее время будут записаны сэмплы. Ведется работа по изготовлению коробки для головы.

Оффлайн anton_fazer Автор темы

  • Завсегдатай
  • ***
  • Сообщений: 474
  • CBR1100XX
Re: Трехканальная голова в классе А, JTM 45+Mark IV
« Ответ #143 : Марта 07, 2011, 20:41:34 »
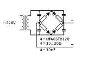
Прошу мнения общественности. В данный момент установлены диоды в выпрямителе 1n4007. Доступ к ним довольно проблематичен. Стоит ли их менять на UF4007? Спасибо.

З.Ы. Осваиваю Кубэйс чтобы записать качественные сэмплы) :rolleyes:.

Оффлайн Мяталист

  • Ветеран форума
  • ******
  • Сообщений: 5743
  • Будь как все. Собирай JCM 800 и SLO 100
Re: Трехканальная голова в классе А, JTM 45+Mark IV
« Ответ #144 : Марта 07, 2011, 20:45:41 »
Вообще то нужно ставить быстрые. 35нс И шунтировать правильно.

Оффлайн runing

  • Живу на форуме
  • *******
  • Сообщений: 12572
  • Киев
Re: Трехканальная голова в классе А, JTM 45+Mark IV
« Ответ #145 : Марта 07, 2011, 20:56:26 »
Прошу мнения общественности. В данный момент установлены диоды в выпрямителе 1n4007. Доступ к ним довольно проблематичен. Стоит ли их менять на UF4007? Спасибо.

Конечно лучше UF4007, но если сложно заменить, то хотя бы зашунтируй их плёночными кондёрами 4n7-10n

352169-0

Резисторы можешь не ставить.

Оффлайн shlema

  • Ветеран форума
  • ******
  • Сообщений: 6135
  • skiper
Re: Трехканальная голова в классе А, JTM 45+Mark IV
« Ответ #146 : Марта 07, 2011, 21:02:29 »
Читал статьи по ультрабыстрым диодам - если верить тому что там написно -получается шире спектр помех. Зачем такое делать?

Оффлайн КСС

  • Опытный
  • ****
  • Сообщений: 672
  • Свободен от всего...
Re: Трехканальная голова в классе А, JTM 45+Mark IV
« Ответ #147 : Марта 07, 2011, 21:26:58 »

З.Ы. Осваиваю Кубэйс чтобы записать качественные сэмплы) :rolleyes:.

По Кубэйсу я тебе все подскажу, как быстро и хорошо записать, в виде короткого алгоритма. Ты, главное, пиши! :)

Оффлайн anton_fazer Автор темы

  • Завсегдатай
  • ***
  • Сообщений: 474
  • CBR1100XX
Re: Трехканальная голова в классе А, JTM 45+Mark IV
« Ответ #148 : Марта 09, 2011, 18:31:33 »
Итак, сэмплы:
* Humbucker bridge.mp3 (2501.72 КБ - загружено 256 раз.)
* Single bridge.mp3 (1877.34 КБ - загружено 158 раз.)
* Single neck.mp3 (1174.22 КБ - загружено 144 раз.)
Гитара Ibanez JS1000 94', голова, канал пока маршалл только, каб 2х12 с гринбэками, снято двумя микрофонами ломо динамический+МКЭ15 конденсаторник, под хз лайв в качестве звуковухи. Писалось на очень большой для дома громкости. Простите за фон, с монитора сифонит, а без него записать не получается ;).

... и добавил:

Эх, один самый самый семпл не влазит во вложение. Ответьте кто нибудь, довложу.
« Последнее редактирование: Марта 09, 2011, 18:37:46 от anton_fazer »

Оффлайн Engener

  • Ветеран форума
  • ******
  • Сообщений: 3471
  • :-)
Re: Трехканальная голова в классе А, JTM 45+Mark IV
« Ответ #149 : Марта 09, 2011, 18:40:04 »
Добро