Автор Тема: Усилитель мечты "по мотивам" Mesa Boogie MkIV, или беспощадный DIY  (Прочитано 9184 раз)

0 Пользователей и 1 Гость просматривают эту тему.

Оффлайн Землячёк Автор темы

  • Эксперт
  • *****
  • Сообщений: 1304
  • В совершенстве владею 5-ю гитарами. Как владелец.
Кстати, нашел я ту тему про марк 4.
https://guitarplayer.ru/equipment-craft/trehkanalnaya-golova-v-klasse-a-jtm-45mark-iv-semply-10-11str-video-13str/
А может ли кто-нибудь из уважаемых джентльменов поделиться схемой четвертого марка в нормальном человеческом исполнении? Честно скажу, тяжко коммутацию разбирать "в оригинале":

Да нормально все там разбирается в коммутации. Единственное но - это вместо того, чтобы нарисовать нормально-замкнутые контакты реле на схеме подписаны режимы каналов при которых эти контакты замкнуты( т.е. при обесточенном реле) Но это только если подписано одновременно 2 канала , например (R2, LD). Если  один канал подписан возле контактов, например (R1), то контакты нормально-разомкнутые.

... и добавил:

Слепил до кучи! :)

« Последнее редактирование: Марта 17, 2024, 15:22:06 от Землячёк »

Оффлайн Engener

  • Ветеран форума
  • ******
  • Сообщений: 3471
  • :-)
Да нормально все там разбирается в коммутации. Единственное но - это вместо того, чтобы нарисовать нормально-замкнутые контакты реле на схеме подписаны режимы каналов при которых эти контакты замкнуты( т.е. при обесточенном реле) Но это только если подписано одновременно 2 канала , например (R2, LD). Если  один канал подписан возле контактов, например (R1), то контакты нормально-разомкнутые.

А ты коммутацию делаешь на 74С922, один-в-один с оригиналом?

Оффлайн Землячёк Автор темы

  • Эксперт
  • *****
  • Сообщений: 1304
  • В совершенстве владею 5-ю гитарами. Как владелец.
А ты коммутацию делаешь на 74С922, один-в-один с оригиналом?
На 74С922 сделана не коммутация а Футсвич, которого у меня пока нет. ;) Но когда будет( надеюсь), то буду делать на каких- нибудь советских микросхемах и по другой схеме.

Оффлайн Engener

  • Ветеран форума
  • ******
  • Сообщений: 3471
  • :-)
а я чего-то подумал, что это выход на футсвитч  :pozor: я бы для студии сделал бы его на галетниках  :hitrez:

Оффлайн Землячёк Автор темы

  • Эксперт
  • *****
  • Сообщений: 1304
  • В совершенстве владею 5-ю гитарами. Как владелец.
а я чего-то подумал, что это выход на футсвитч  :pozor: я бы для студии сделал бы его на галетниках  :hitrez:
Так у меня галетник на передней панели. Советский, естественно! :)



... и добавил:

Кстати, вот ролик , который сильно меня сподвигнул в свое время на постройку этого комбайна!
https://youtu.be/pEq5TIY1CPA?si=uzNyXCAAvV6a6z25
« Последнее редактирование: Марта 17, 2024, 22:30:54 от Землячёк »

Оффлайн surfin bird

  • Эксперт
  • *****
  • Сообщений: 2963
  • Поциент-заМКАДыш
    • Surfin Bird
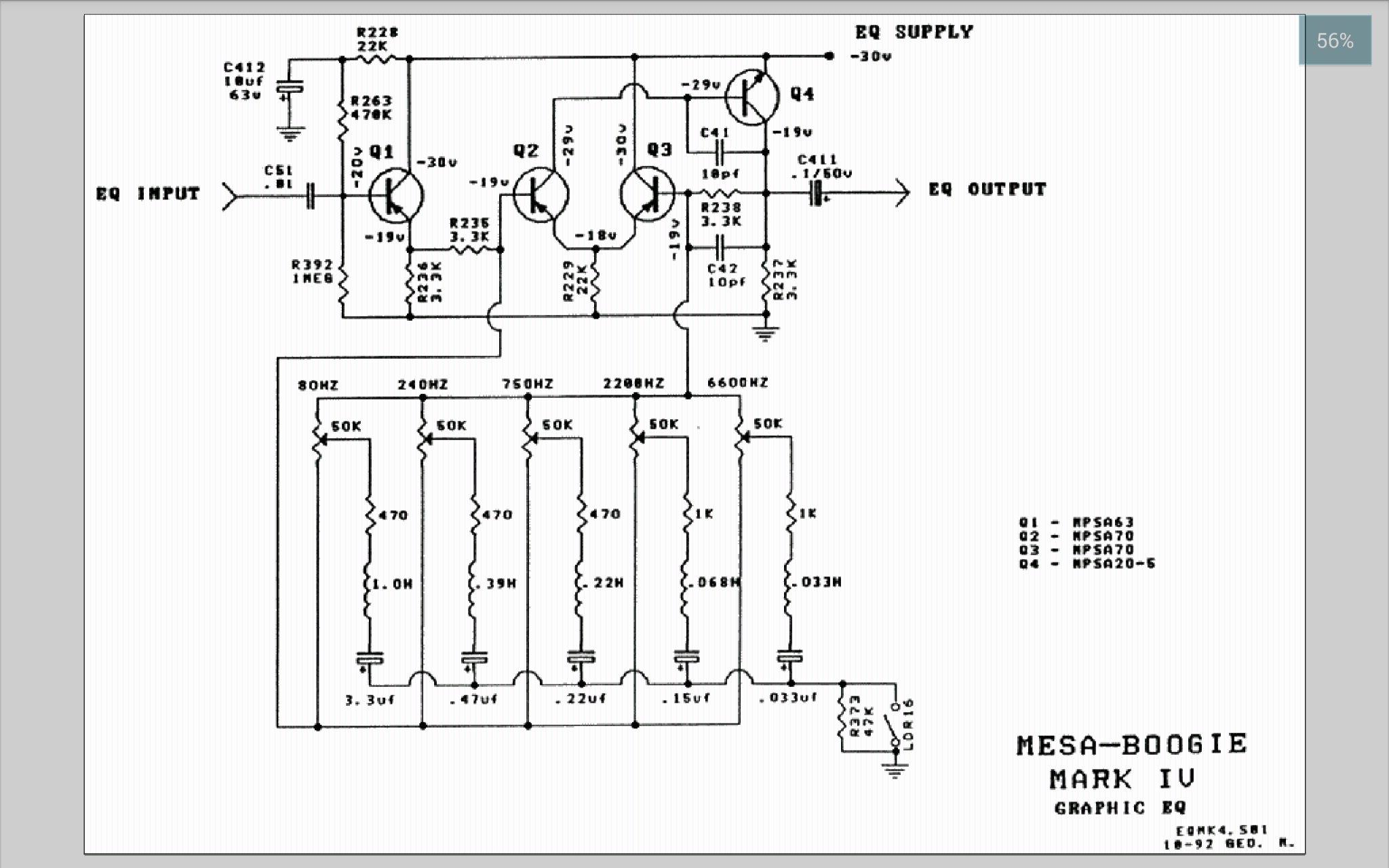
У поциента вопрос: а шо за транзисторы использованы ( или можно/ нужно использовать ) в EQ ?   Хочу попробовать собрать такой эквалайзер.

Оффлайн Engener

  • Ветеран форума
  • ******
  • Сообщений: 3471
  • :-)
У поциента вопрос: а шо за транзисторы использованы ( или можно/ нужно использовать ) в EQ ?   Хочу попробовать собрать такой эквалайзер.

Поищи характеристики на них, подбери аналогичные. Смотри по напряжению и hfe, сам обычно так делаю.

... и добавил:

Там перед эквалайзером надо какую-то раскачку дополнительную ставить, он на весьма приличной амплитуде работает.

Оффлайн surfin bird

  • Эксперт
  • *****
  • Сообщений: 2963
  • Поциент-заМКАДыш
    • Surfin Bird
Амплитуда сигнала сендов/марка 2/4 достаточна будет для раскачки?  :crazy:
В транзисторах ничего не смыслю, поэтому поинтересовался шо стоит у автора изделия и какие альтернативы можно попробовать ???
Хотел собрать EQ и сравнить с оригиналом (ща как раз  в спальне стоит  ??? )
« Последнее редактирование: Марта 18, 2024, 10:38:32 от surfin bird »

Оффлайн AZG

  • Живу на форуме
  • *******
  • Сообщений: 95504
  • Санкт-Петербург
    • AZG CUSTOM
Я уже писал, что можно смело собирать и на 2N3904/3906 если по питанию проходят. Отрицательное питание так же не надо. Это на звук не влияет. Питание в среднем от 24 до 50В. От величины разница есть, но тут уж выбирать вам.

Оффлайн surfin bird

  • Эксперт
  • *****
  • Сообщений: 2963
  • Поциент-заМКАДыш
    • Surfin Bird
Спасибо! В  этой схеме  даже 67В, ошибка должно быть ?

Оффлайн Alex_SG

  • Живу на форуме
  • *******
  • Сообщений: 7526
  • хейтер и пессимист :crazy:
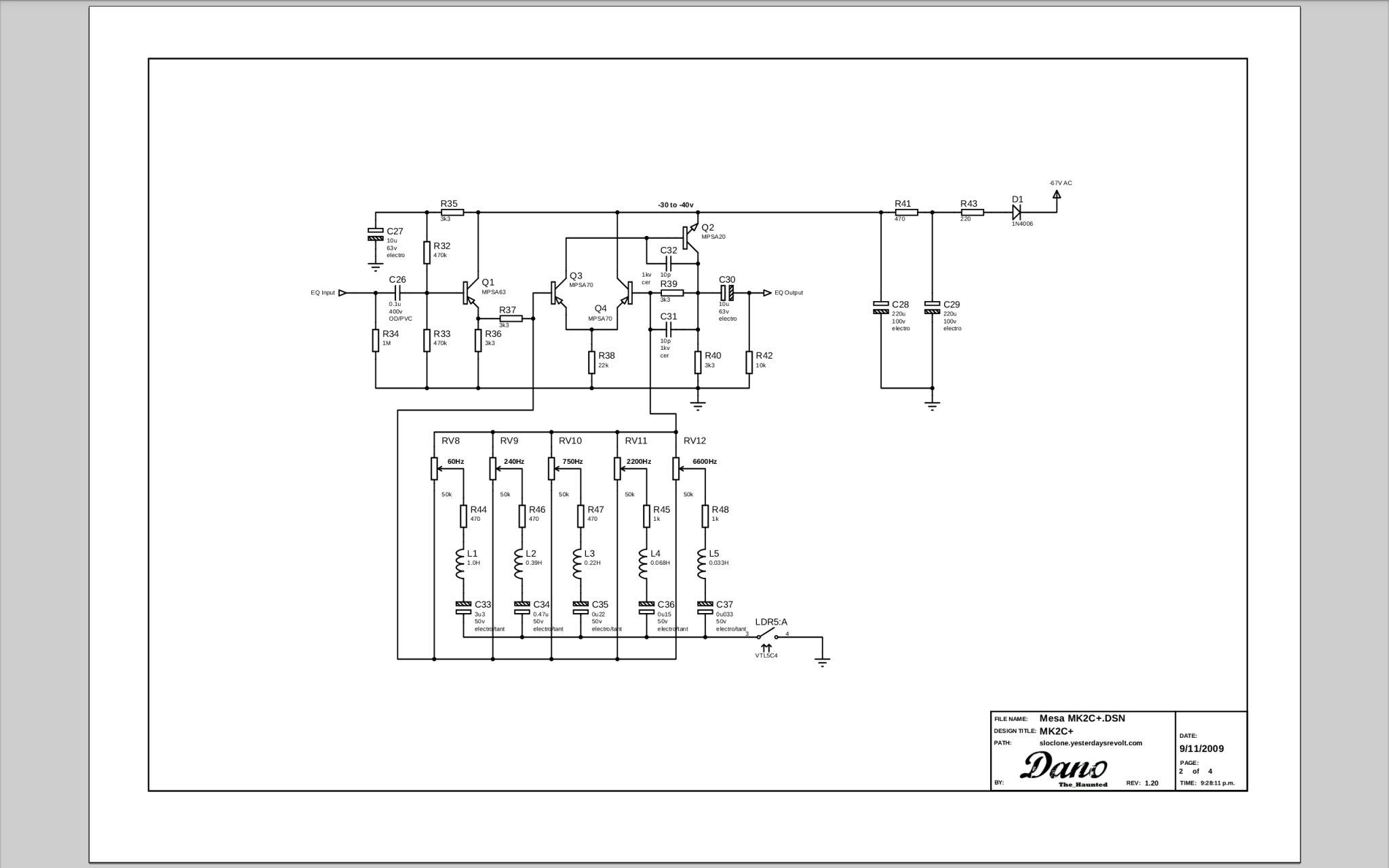
Нет, не ошибка. Появился фильтр R43-C29-R41-C28 на котором более 30в падает если верить подписям на схеме. А у Месы его нет.

Оффлайн AZG

  • Живу на форуме
  • *******
  • Сообщений: 95504
  • Санкт-Петербург
    • AZG CUSTOM
surfin bird, тут в самой схеме -30-40В написано. А так отображено полное питание как сделано у Месы, начиная с обмотки смещения.

Оффлайн Geezer

  • Живу на форуме
  • *******
  • Сообщений: 12720
  • Atypique
surfin bird, чтобы эквалайзер не скрежетал на пиках сигнала, надо чтобы на эмиттере Q1 и на коллекторе Q2 было примерно пол-питания на С28.
Чтобы эквалайзер регулировал как надо (а не "плюс-минус трамвайная остановка"), надо перед монтажом обязательно проверить ёмкости и индуктивности на соответствие схемному номиналу.
« Последнее редактирование: Марта 18, 2024, 15:02:35 от Geezer »

Оффлайн surfin bird

  • Эксперт
  • *****
  • Сообщений: 2963
  • Поциент-заМКАДыш
    • Surfin Bird
Спасибо! Туплю, прошу прощения !  :pozor:

ps на многих схемах марков в основных точках вольтаж даже указан
« Последнее редактирование: Марта 18, 2024, 15:40:31 от surfin bird »

Оффлайн Alex_SG

  • Живу на форуме
  • *******
  • Сообщений: 7526
  • хейтер и пессимист :crazy:
на многих схемах марков в основных точках вольтаж даже указан
И, заметьте, на эмиттере Q1 и на коллекторе Q2 совсем не полпитания а 2/3 - 30/19в. И это так же можно отнести к составляющим характерного звучания этого конкретного эквалайзера.

Пересматривал сейчас схемы: а вот в Марк3 как раз половина питания - 42/21в. А в Марк2 снова 2/3 - 46/31...