раз уж пошла тема о эксклюзивах
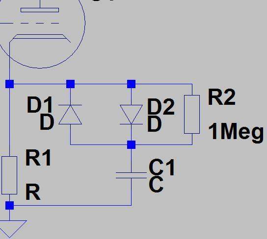
даю рац мыслю: антикомпрессор
суть: изменение уровня сигнала на выходе перегруза или перед/внутри ограничителя пропорционально затуханию чистого на входе.
чо дает: как ни странно антикомпрессирует

.
неужели только меня так харит эта компрессия на хай гейне?я хочужужжалку,но одновременно хочу,чтобы звук затухал,хочу пропорционального колебаниям струн выхода.установка данной штуки после ограничителя все это даст.
а если засунуть до ограничителя,то получим более быстрое затухание и соотв,грубо говоря,большую динамику(если данный ограничитель конечно умеет адекватно реагировать на уровень сигнала).можно в середину ограничителя впихнуть.
все это можно сделать регулируемым и отключаемым.